GM Service Manual Online
For 1990-2009 cars only
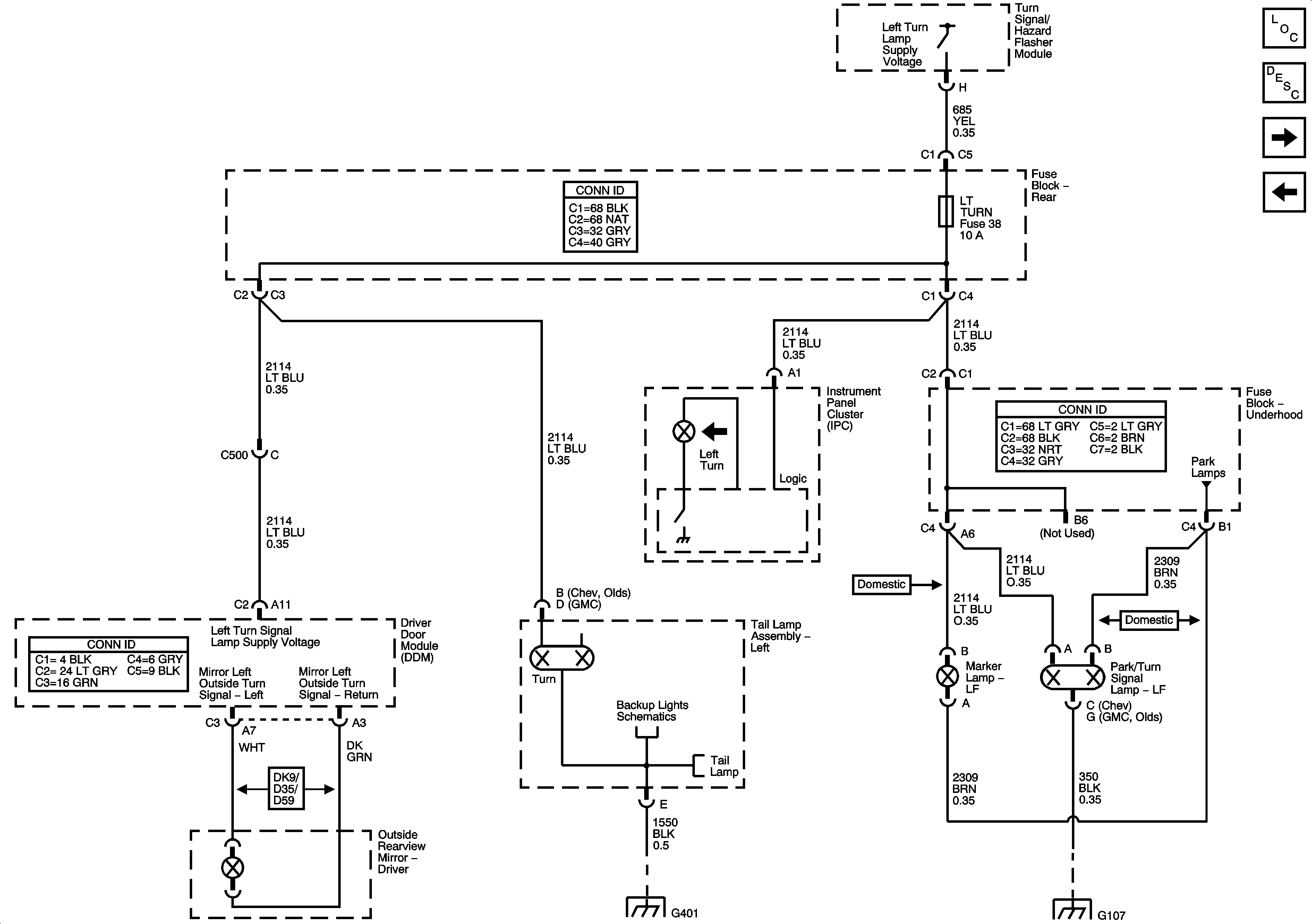
Figure 1:

Park Lamp Control, Turn Signal Inputs, and Hazard Switch


Object Number: 681484  Size: FS
Master Electrical Component List
Exterior Lighting Systems Description and Operation
Left Turn Signal
B+ Bus - Rear Fuse Block
RR FOG, LR PARK, TR PARK, RR PARK, F PARK, LGM #2 Fuses, RR WIPER and SEATS Circuit Breakers
ACCY/RUN and RUN/START Bus Bars
IGN E, TBC IGN1, BACK UP, BTSI, and TRLR B/U Fuses
B+ Bus - Underhood Fuse Block
IGN E, TBC IGN1, BACK UP, BTSI, and TRLR B/U Fuses
G107 and G108
G101, G103, G106, and G110
G102, G104, G105, and G109
G201 - 1 of 2
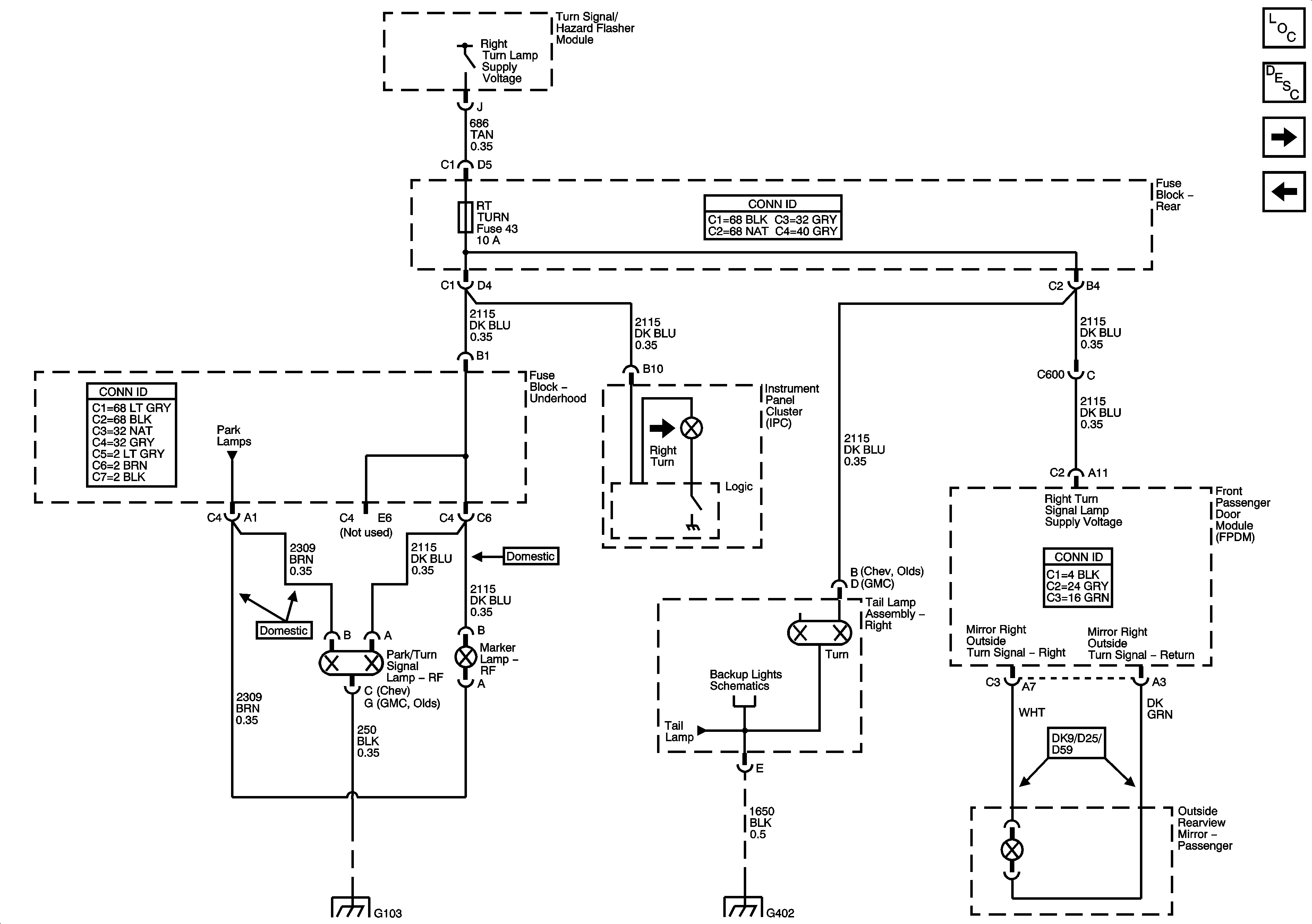
Figure 2:

Left Turn Signals


Object Number: 681491  Size: FS
Master Electrical Component List
Exterior Lighting Systems Description and Operation
Right Turn Signal
Park Lamp Control, Turn Signal Inputs, and Hazard Switch
Front Lamps
Backup Lamps
License and Tail Lamps
G401, G402, and G403
G107 and G108
Figure 3:

Right Turn Signals


Object Number: 784812  Size: FS
Master Electrical Component List
Exterior Lighting Systems Description and Operation
Front Lamps
Left Turn Signal
Front Lamps
Backup Lamps
License and Tail Lamps
G101, G103, G106, and G110
G401, G402, and G403
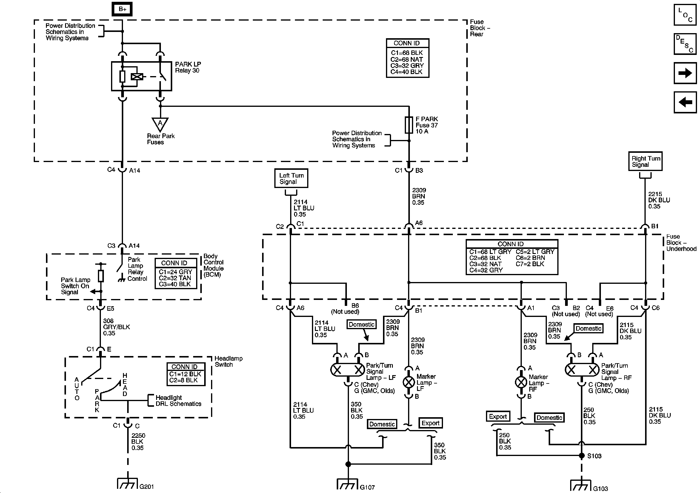
Figure 4:

Front Lamps


Object Number: 681492  Size: FS
Master Electrical Component List
Exterior Lighting Systems Description and Operation
License and Tail Lamps
Right Turn Signal
B+ Bus - Rear Fuse Block
License and Tail Lamps
RR FOG, LR PARK, TR PARK, RR PARK, F PARK, LGM #2 Fuses, RR WIPER and SEATS Circuit Breakers
Left Turn Signal
Right Turn Signal
Headlamp Switch
G201 - 1 of 2
G107 and G108
G101, G103, G106, and G110
Figure 5:

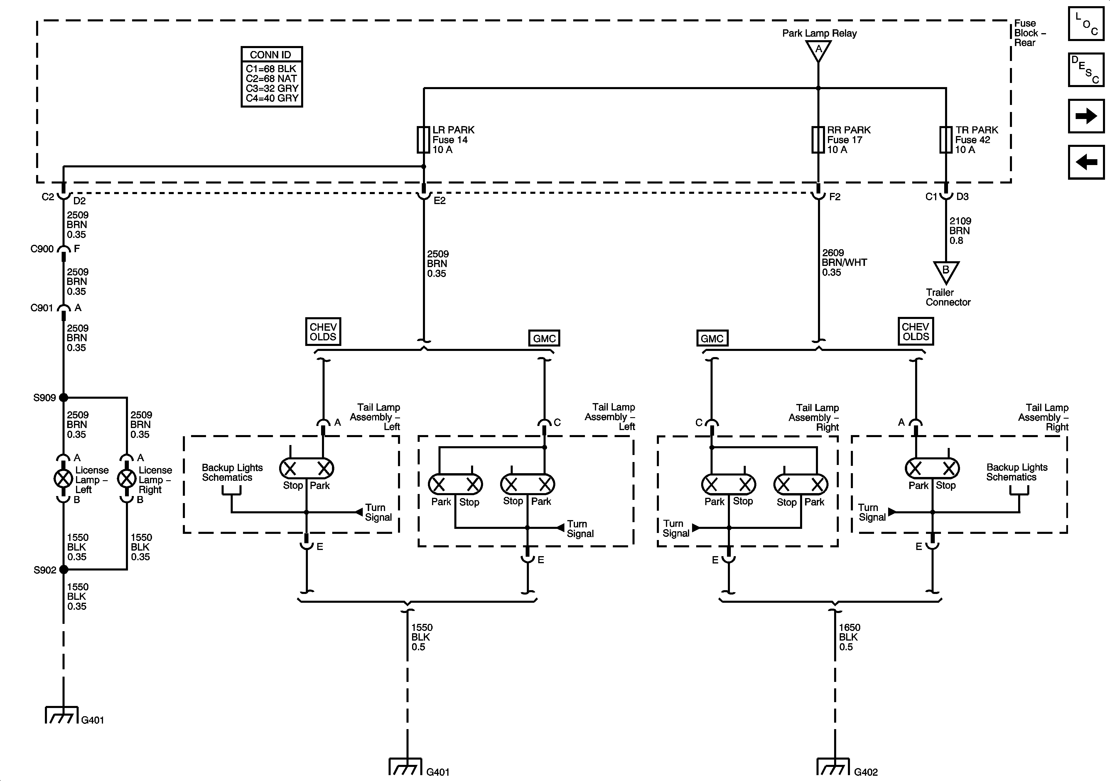
License and Tail Lamps


Object Number: 681504  Size: FS
Master Electrical Component List
Exterior Lighting Systems Description and Operation
Stop Lamps
Front Lamps
Front Lamps
Trailer Wiring
Backup Lamps
Left Turn Signal
Left Turn Signal
Right Turn Signal
Right Turn Signal
Backup Lamps
G401, G402, and G403
G401, G402, and G403
G401, G402, and G403
Figure 6:

Stop Lamps


Object Number: 681499  Size: FS
Master Electrical Component List
Exterior Lighting Systems Description and Operation
Backup Lamps
License and Tail Lamps
B+ Bus - Underhood Fuse Block
Trailer Wiring
Left Turn Signal
Backup Lamps
Left Turn Signal
Right Turn Signal
Right Turn Signal
Backup Lamps
G401, G402, and G403
G401, G402, and G403
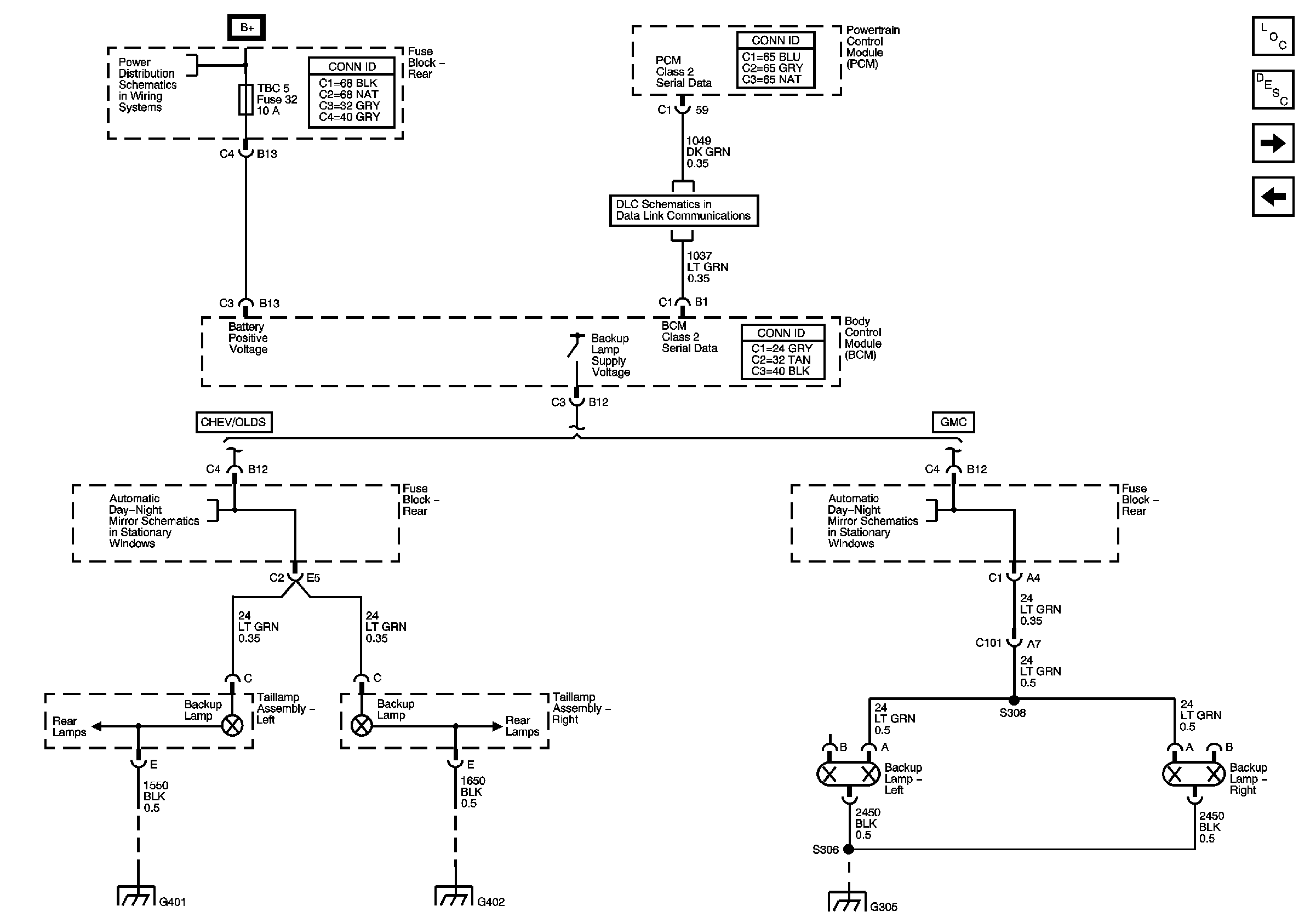
Figure 7:

Backup Lamps


Object Number: 776481  Size: FS
Master Electrical Component List
Exterior Lighting Systems Description and Operation
Trailer Wiring
Stop Lamps
B+ Bus - Rear Fuse Block
DLC and SP205
Inside Rearview Mirror Schematics
Inside Rearview Mirror Schematics
License and Tail Lamps
License and Tail Lamps
G401, G402, and G403
G401, G402, and G403
G201 - 2 of 2, G305 and G306
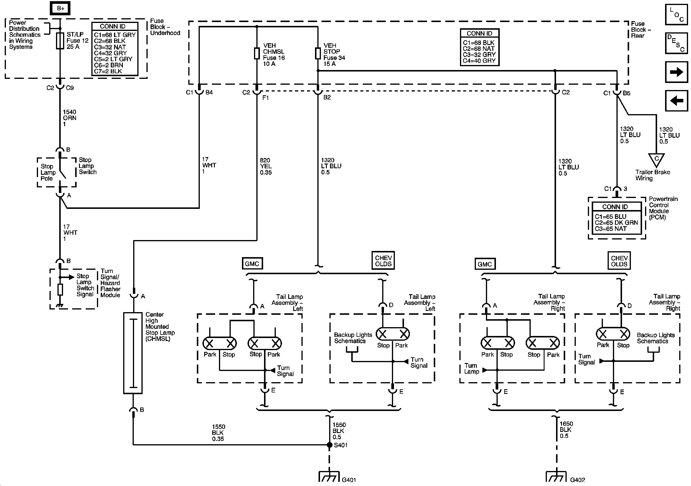
Figure 8:

Trailer Wiring


Object Number: 776483  Size: FS
Master Electrical Component List
Exterior Lighting Systems Description and Operation
Backup Lamps
B+ Bus - Underhood Fuse Block
ACCY/RUN and RUN/START Bus Bars
Shift Lock Control Schematics
License and Tail Lamps
Stop Lamps
G201 - 2 of 2, G305 and G306