GM Service Manual Online
For 1990-2009 cars only
Makes
🢒
Oldsmobile
🢒
2002
🢒
Bravada
🢒
Body and Accessories
🢒
Wiring Systems
🢒 Cruise Control Schematics
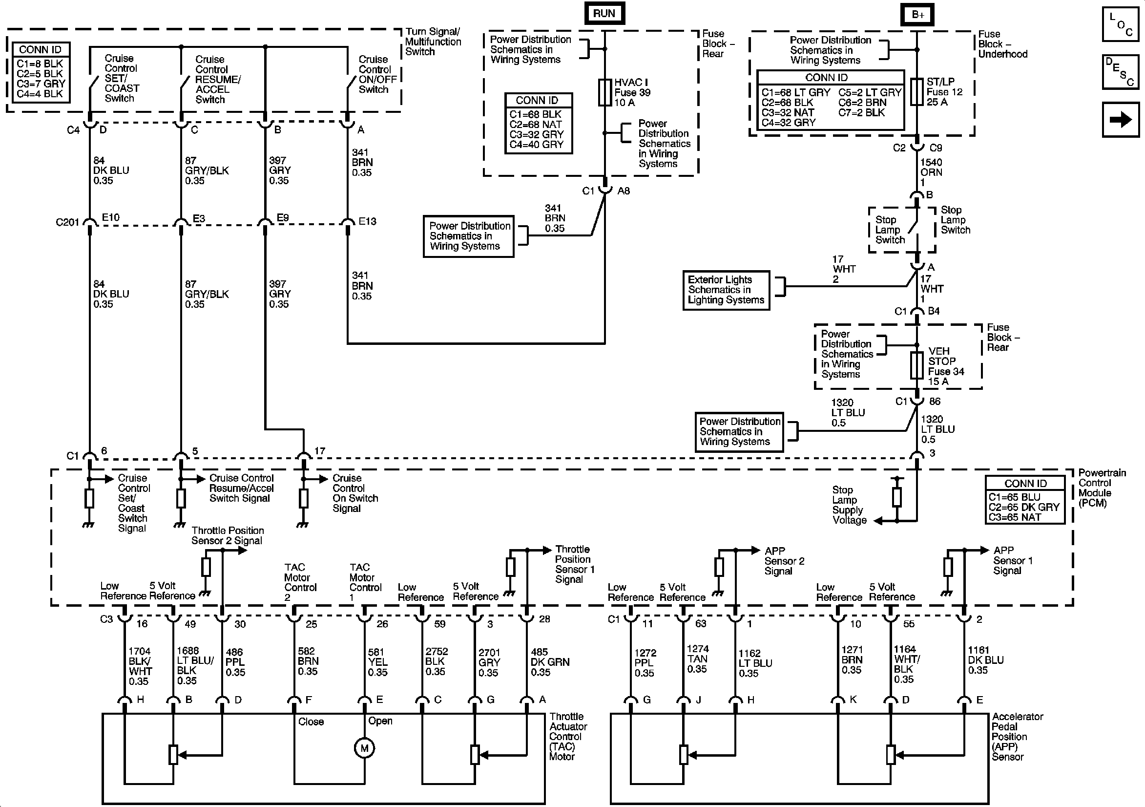
Figure
1:
Cruise Control Switch
Master Electrical Component List
Cruise Control Description and Operation
Brake Switch Input
ACCY/RUN/START, RUN, and START Bus Bars
B+ Bus - Underhood Fuse Block
HVAC I, BRAKE, and TBC RUN Fuses
HVAC I, BRAKE, and TBC RUN Fuses
Stop Lamps
TRAILER, ABS, ATC, BLOWER, ELEK BRK, CIGAR, ST/LP, VEH CHMSL, and VEH STOP Fuses
TRAILER, ABS, ATC, BLOWER, ELEK BRK, CIGAR, ST/LP, VEH CHMSL, and VEH STOP Fuses
Figure
2:
Brake Switch Input
Master Electrical Component List
Cruise Control Description and Operation
Cruise Control Switch
ACCY/RUN and RUN/START Bus Bars
IGN E, TBC IGN1, BACK UP, BTSI, and TRLR B/U Fuses