GM Service Manual Online
For 1990-2009 cars only
Figure 1:

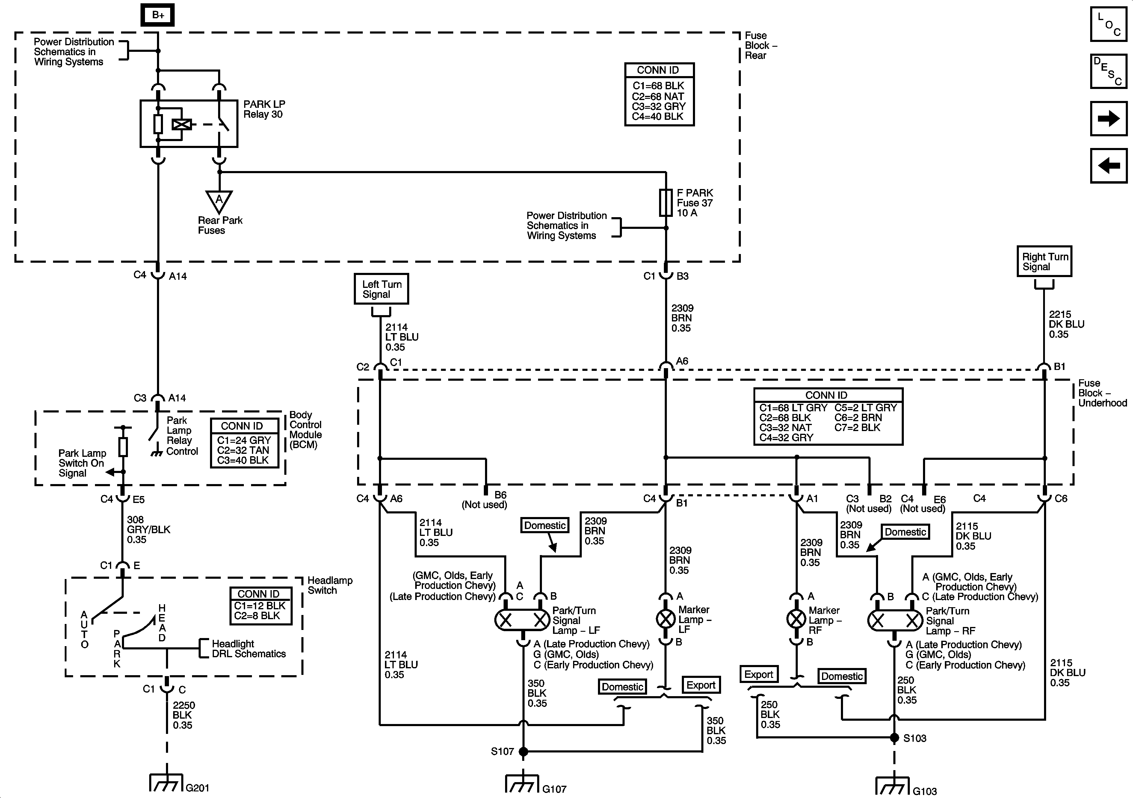
Park Lamp Control, Turn Signal Inputs and Hazard Switch


Object Number: 681484  Size: FS
Master Electrical Component List
Exterior Lighting Systems Description and Operation
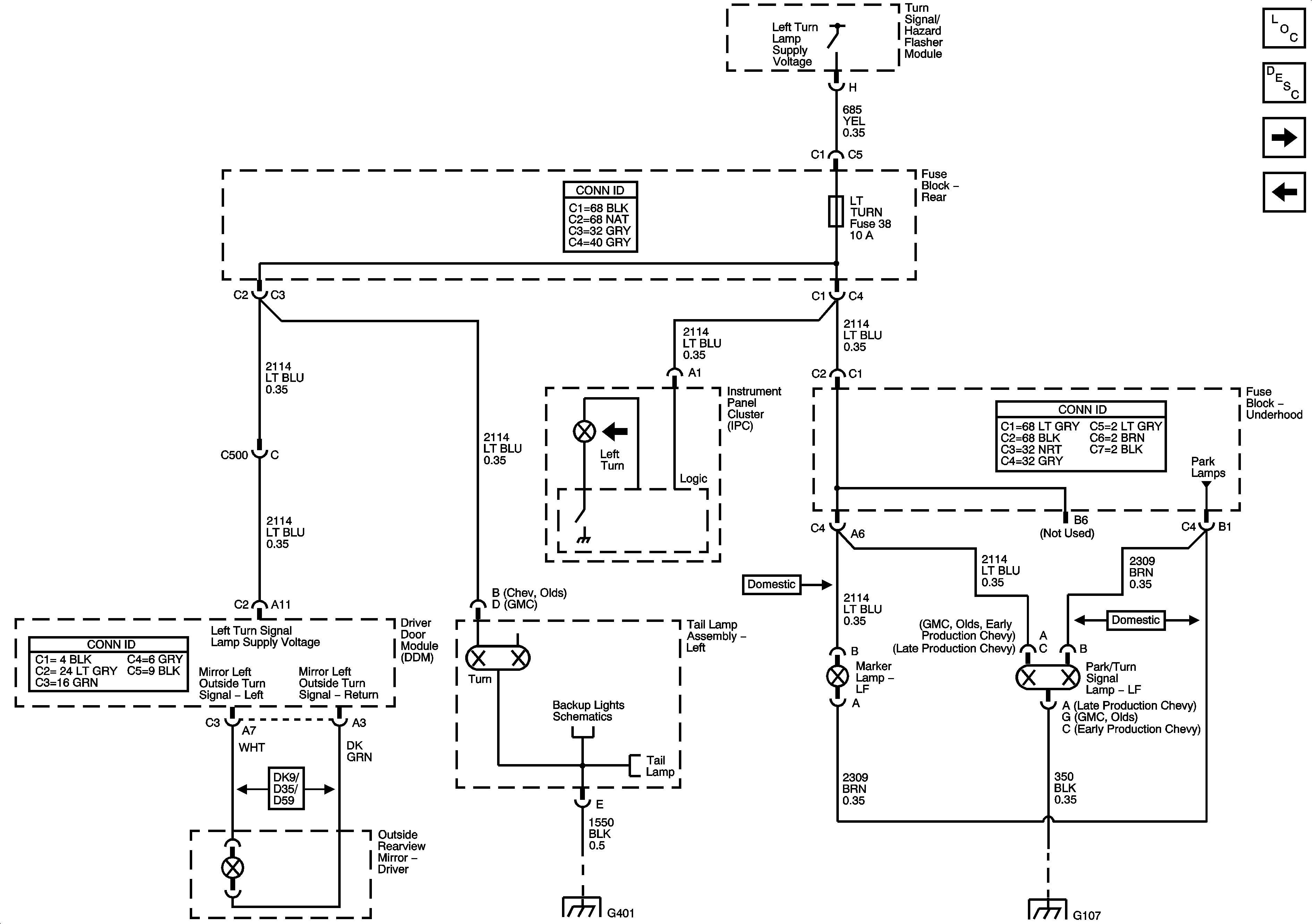
Left Turn Signals
G201 - 1 of 2
G102, G104, G105 and G107
G101, G103, G106 and G110
G102, G104, G105 and G107
RR FOG, LR PARK, TR PARK, RR PARK, F PARK, LGM 2 Fuses, RR WIPER and SEATS Circuit Breakers
B+ Bus - Rear Fuse Block
IGN E TBC IGN 1, BACK UP, BTSI, and TRLR B/U Fuses
COILS, CANISTER, ECAS, IPC/DIC, FLASH, TBC1, and PCM B Fuses
Figure 2:

Left Turn Signals


Object Number: 1372820  Size: FS
Master Electrical Component List
Exterior Lighting Systems Description and Operation
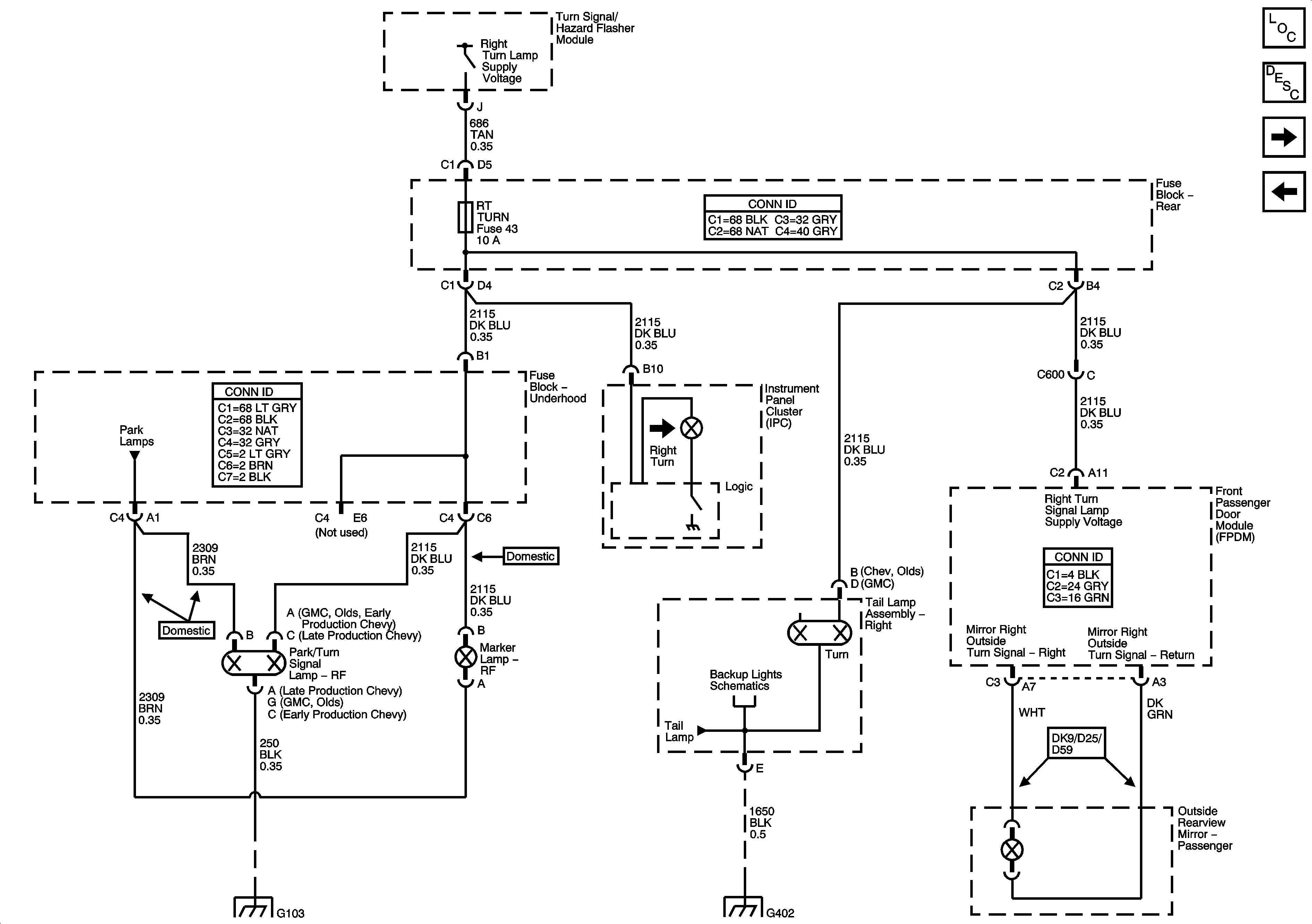
Right Turn Signals
Park Lamp Control, Turn Signal Inputs and Hazard Switch
Front Lamps
G102, G104, G105 and G107
G401, G402 and G403
Backup Lamps
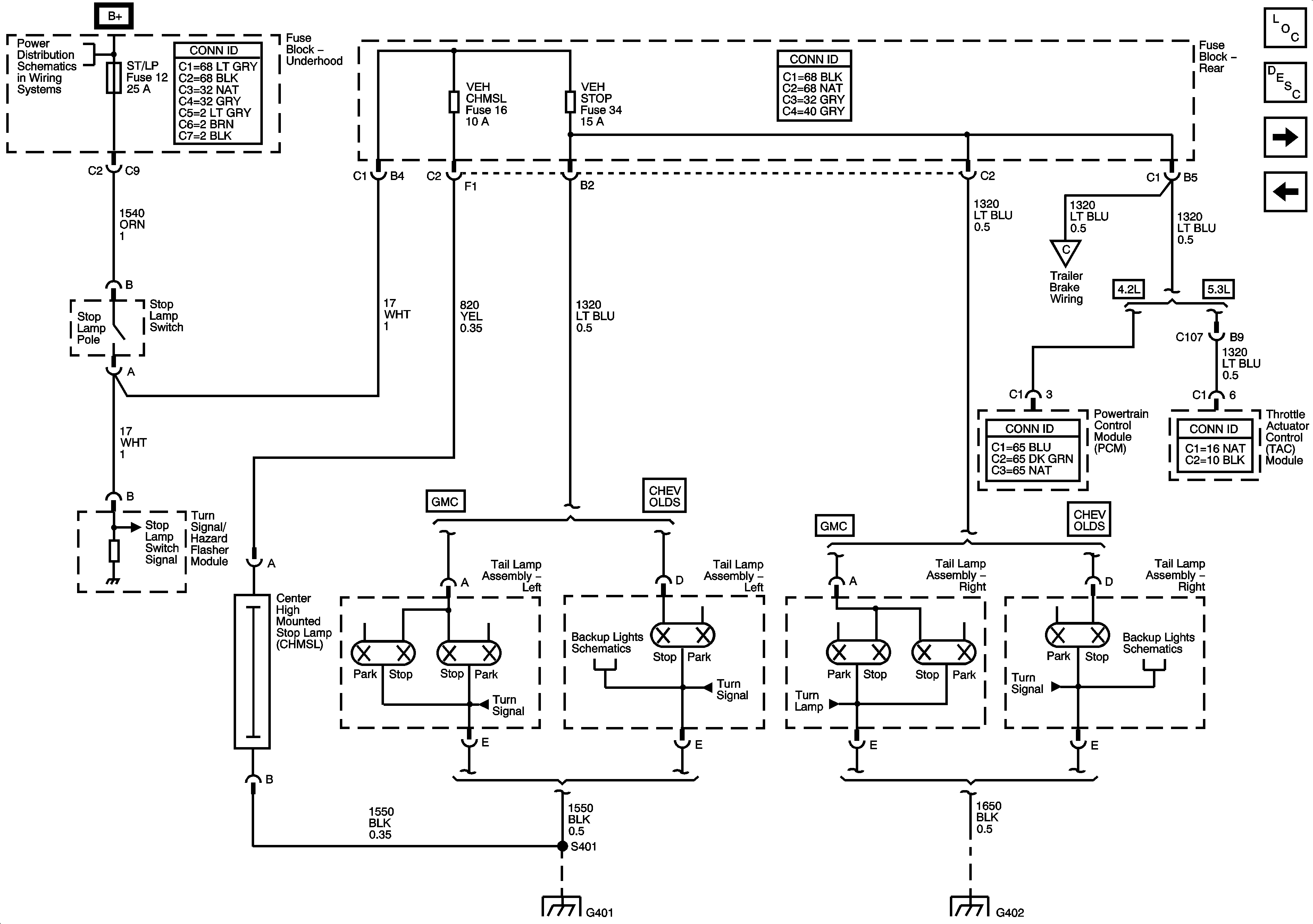
Stop Lamps
Figure 3:

Right Turn Signals


Object Number: 1372824  Size: FS
Master Electrical Component List
Exterior Lighting Systems Description and Operation
Front Lamps
Left Turn Signals
Front Lamps
G401, G402 and G403
G101, G103, G106 and G110
Backup Lamps
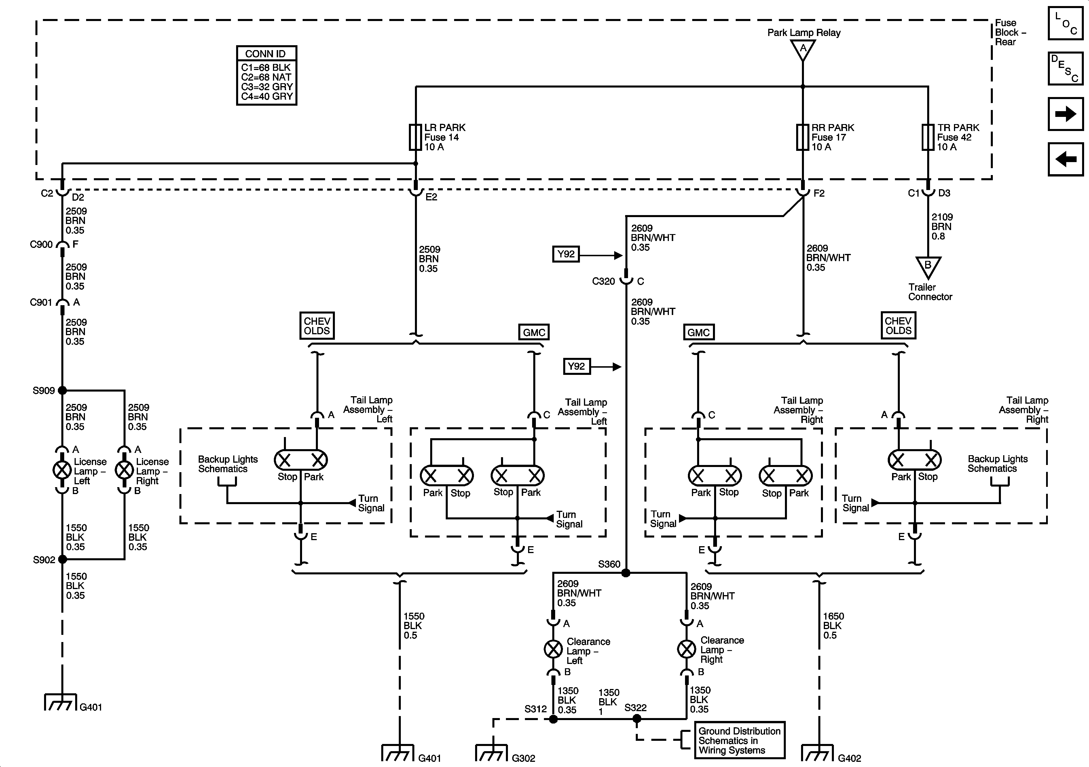
License, Clearance Lamps and Tail Lamps
Figure 4:

Front Lamps


Object Number: 1372825  Size: FS
Master Electrical Component List
Exterior Lighting Systems Description and Operation
License, Clearance Lamps and Tail Lamps
Right Turn Signals
G101, G103, G106 and G110
G102, G104, G105 and G107
G201 - 1 of 2
Left Turn Signals
License, Clearance Lamps and Tail Lamps
B+ Bus - Rear Fuse Block
RR FOG, LR PARK, TR PARK, RR PARK, F PARK, LGM 2 Fuses, RR WIPER and SEATS Circuit Breakers
Headlamps
Figure 5:

License, Clearance Lamps and Tail Lamps


Object Number: 904903  Size: FS
Master Electrical Component List
Exterior Lighting Systems Description and Operation
Stop Lamps
Front Lamps
Trailer Wiring
G401, G402 and G403
G302 2 of 2
G302 - 1 of 2, G303 and G304
G401, G402 and G403
Front Lamps
Backup Lamps
Left Turn Signals
Backup Lamps
Right Turn Signals
Figure 6:

Stop Lamps


Object Number: 904899  Size: FS
Master Electrical Component List
Exterior Lighting Systems Description and Operation
Backup Lamps
License, Clearance Lamps and Tail Lamps
Trailer Wiring
Backup Lamps
G401, G402 and G403
Backup Lamps
TRAILER, ABS, ATC, BLOWER, ELEC BRK, CIGAR, ST/LP, VEH CHMSL, and VEH STOP fuses
Backup Lamps
Left Turn Signals
Right Turn Signals
Backup Lamps
Figure 7:

Backup Lamps


Object Number: 904902  Size: FS
Master Electrical Component List
Exterior Lighting Systems Description and Operation
Trailer Wiring
Stop Lamps
Inside Rearview Mirror
G201 - 2 of 2, G305 and G306
G401, G402 and G403
B+ Bus - Rear Fuse Block
Data Link Connector and SP205
Left Turn Signals
Right Turn Signals
Figure 8:

Trailer Wiring


Object Number: 776483  Size: FS
Master Electrical Component List
Exterior Lighting Systems Description and Operation
Backup Lamps
Stop Lamps
G201 - 1 of 2
G401, G402 and G403
License, Clearance Lamps and Tail Lamps
A/T Shift Lock Control Schematics
B+ Bus - Underhood Fuse Block
IGN E TBC IGN 1, BACK UP, BTSI, and TRLR B/U Fuses