GM Service Manual Online
For 1990-2009 cars only
Makes
🢒
Oldsmobile
🢒
2003
🢒
Bravada
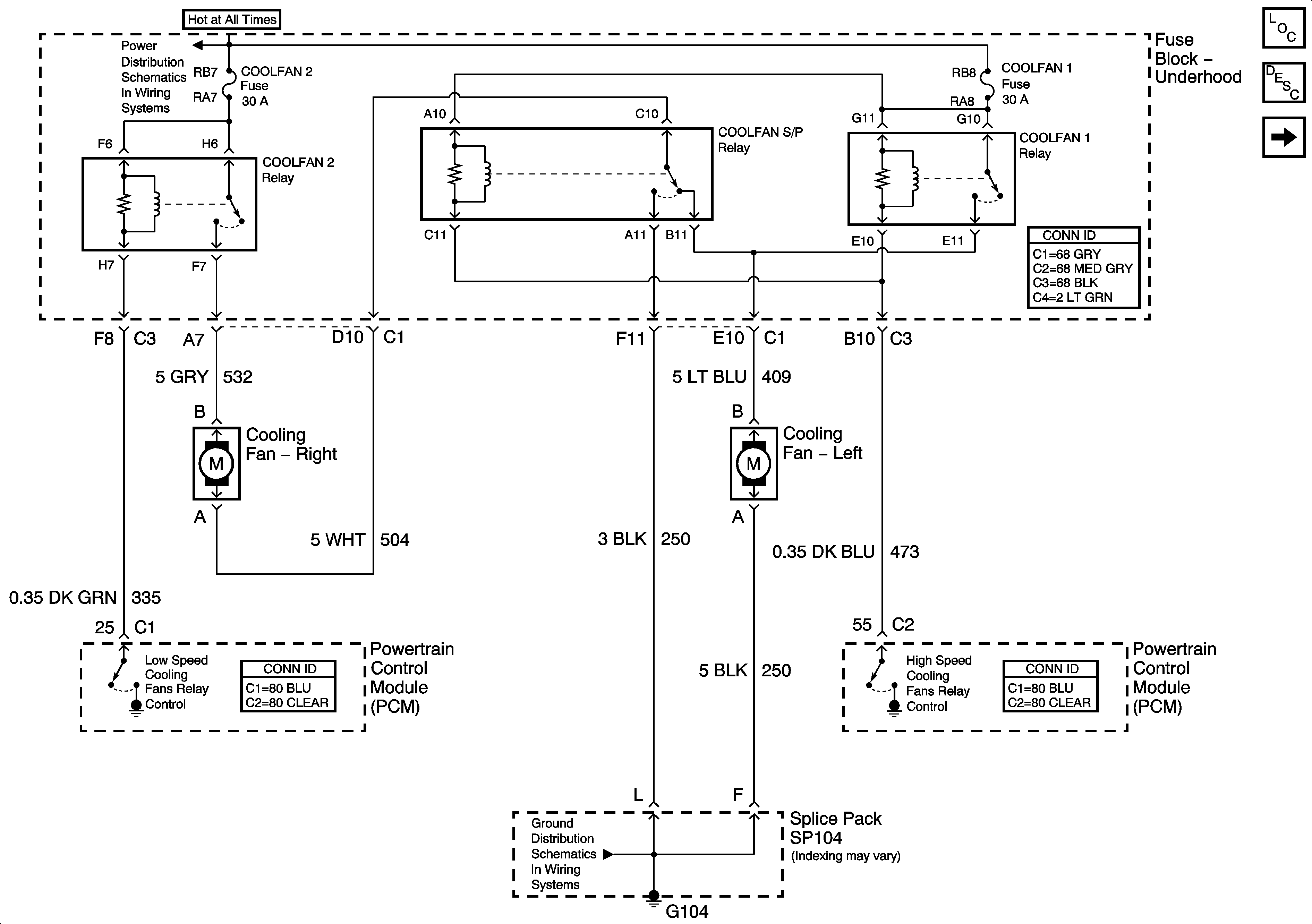
🢒 Cooling Fans
Cooling Fans
Cooling Fans
Master Electrical Component List
Cooling System Description and Operation
Coolant Level Switch Signal
Cellular Telephone Module - Inputs and Outputs