GM Service Manual Online
For 1990-2009 cars only
Makes
🢒
Oldsmobile
🢒
2003
🢒
Bravada
🢒 Ignition Controls- Ignition System
Ignition Controls- Ignition System
Ignition Controls and Ignition System
Master Electrical Component List
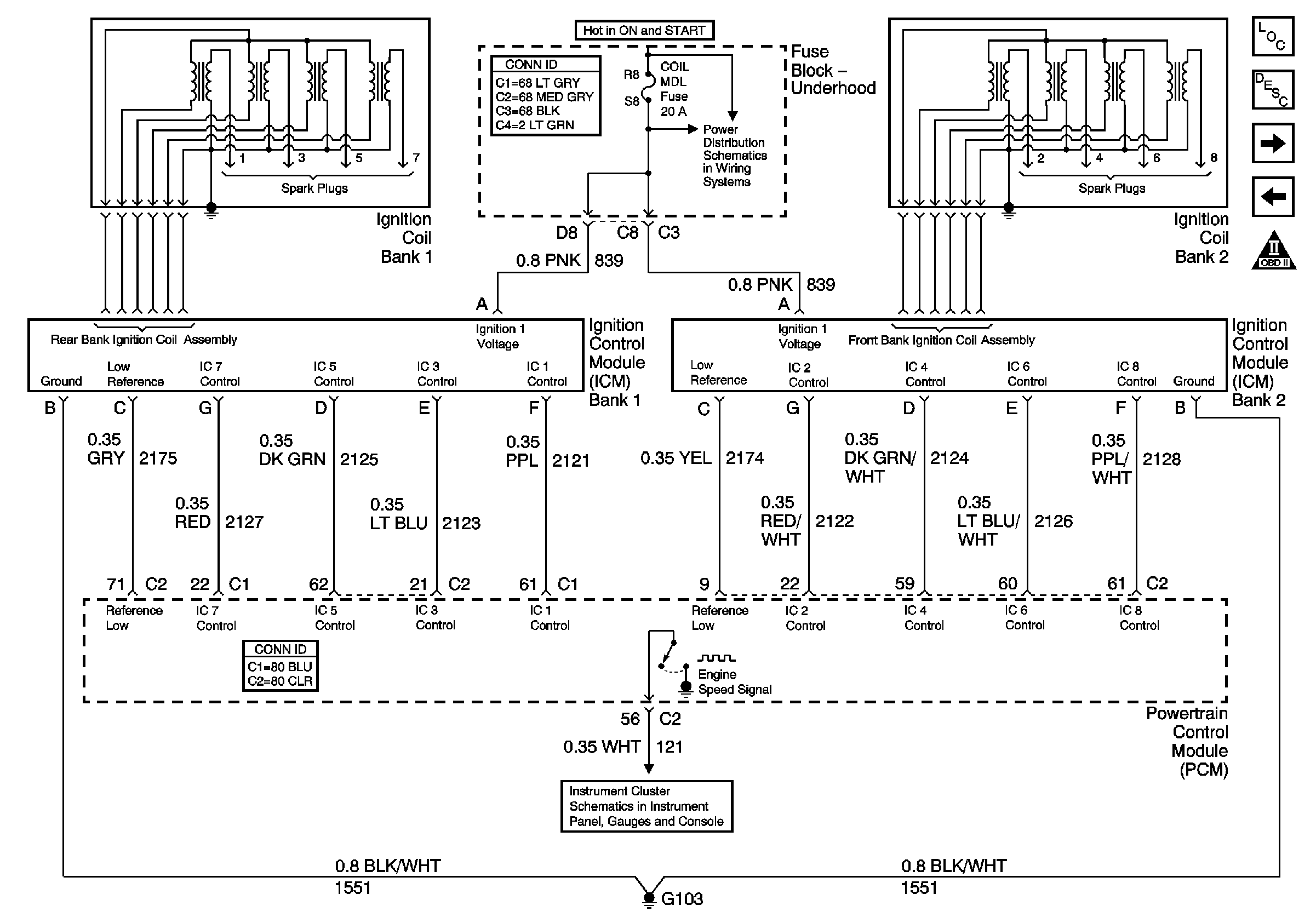
Electronic Ignition (EI) System Description
Ignition Controls- Sensors
Engine Data Sensors- Heated Oxygen Sensors
OBD II Symbol Description Notice
Gages
Underhood Fuse Block- OXY SEN, CR CONT, MDL COIL, TRANS Fuses