GM Service Manual Online
For 1990-2009 cars only
Makes
🢒
Oldsmobile
🢒
2003
🢒
Bravada
🢒 Fuel Controls- Fuel Pump Controls
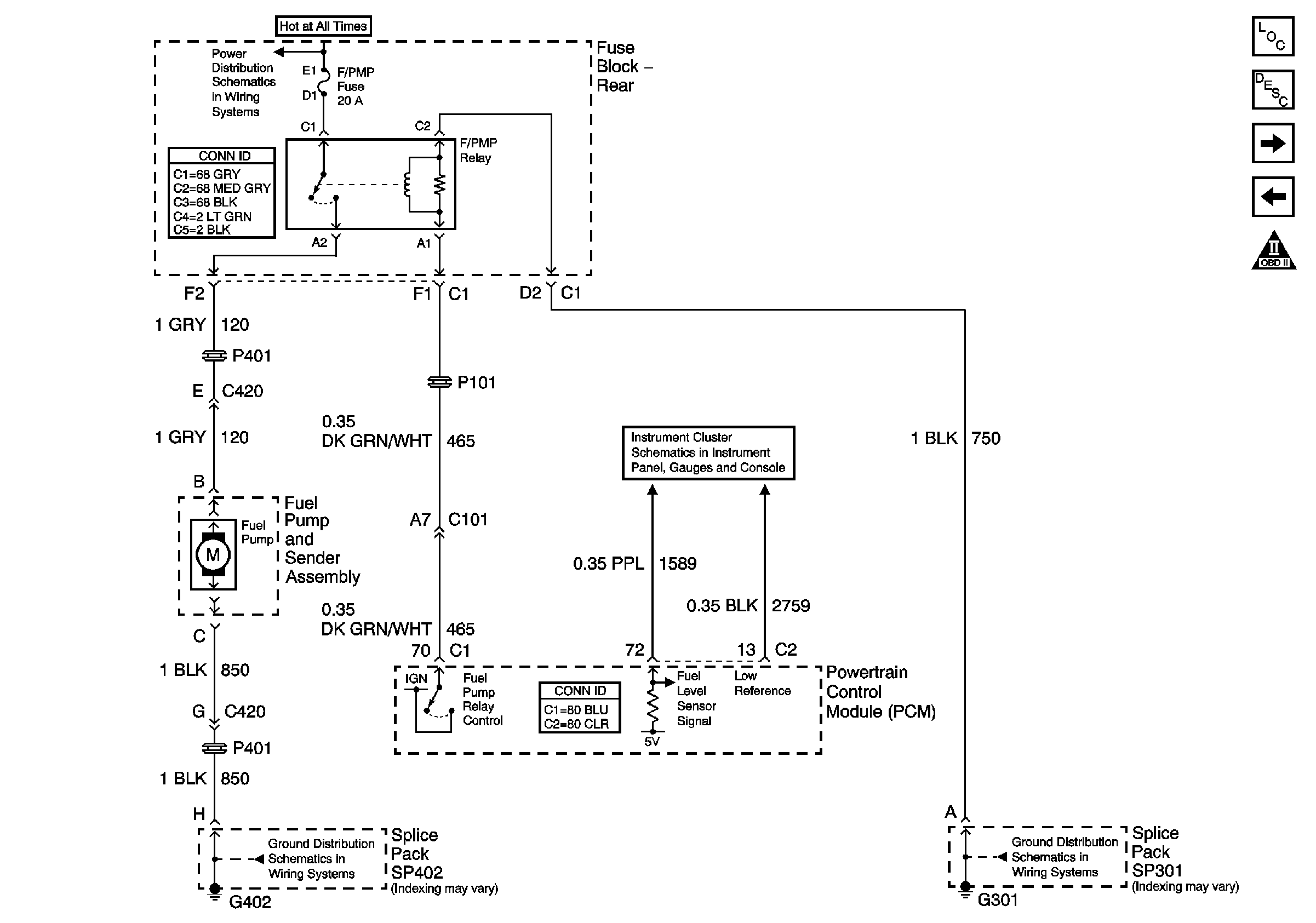
Fuel Controls- Fuel Pump Controls
Fuel Controls -- Fuel Pump Controls
Master Electrical Component List
Fuel System Description
Fuel Controls- Fuel Injectors
Ignition Controls- Sensors
OBD II Symbol Description Notice
G301
G402 (1 of 2)
Ksp Rear Fuse Block Battery Voltage
Gages