GM Service Manual Online
For 1990-2009 cars only
Makes
🢒
Oldsmobile
🢒
2003
🢒
Bravada
🢒 Fuel Controls- EVAP Controls
Fuel Controls- EVAP Controls
EVAP Controls
Master Electrical Component List
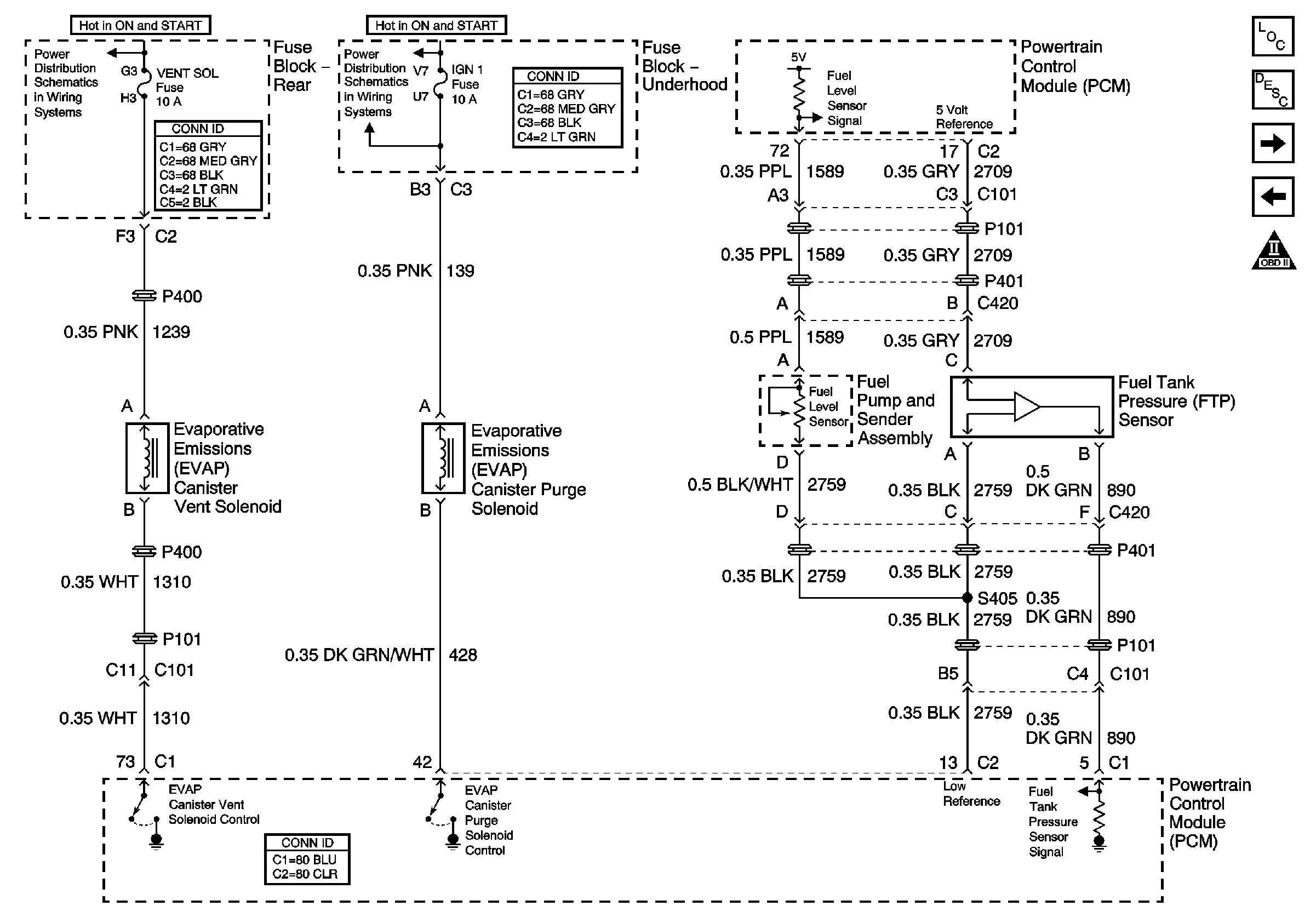
Evaporative Emission Control System Description
Device Controls
Fuel Controls- Fuel Injectors
OBD II Symbol Description Notice
Fuse Block- SIR, VENT SOL, IGN 1Fuse