GM Service Manual Online
For 1990-2009 cars only
Makes
🢒
Oldsmobile
🢒
2003
🢒
Bravada
🢒 Device Controls
Device Controls
Device Controls
Master Electrical Component List
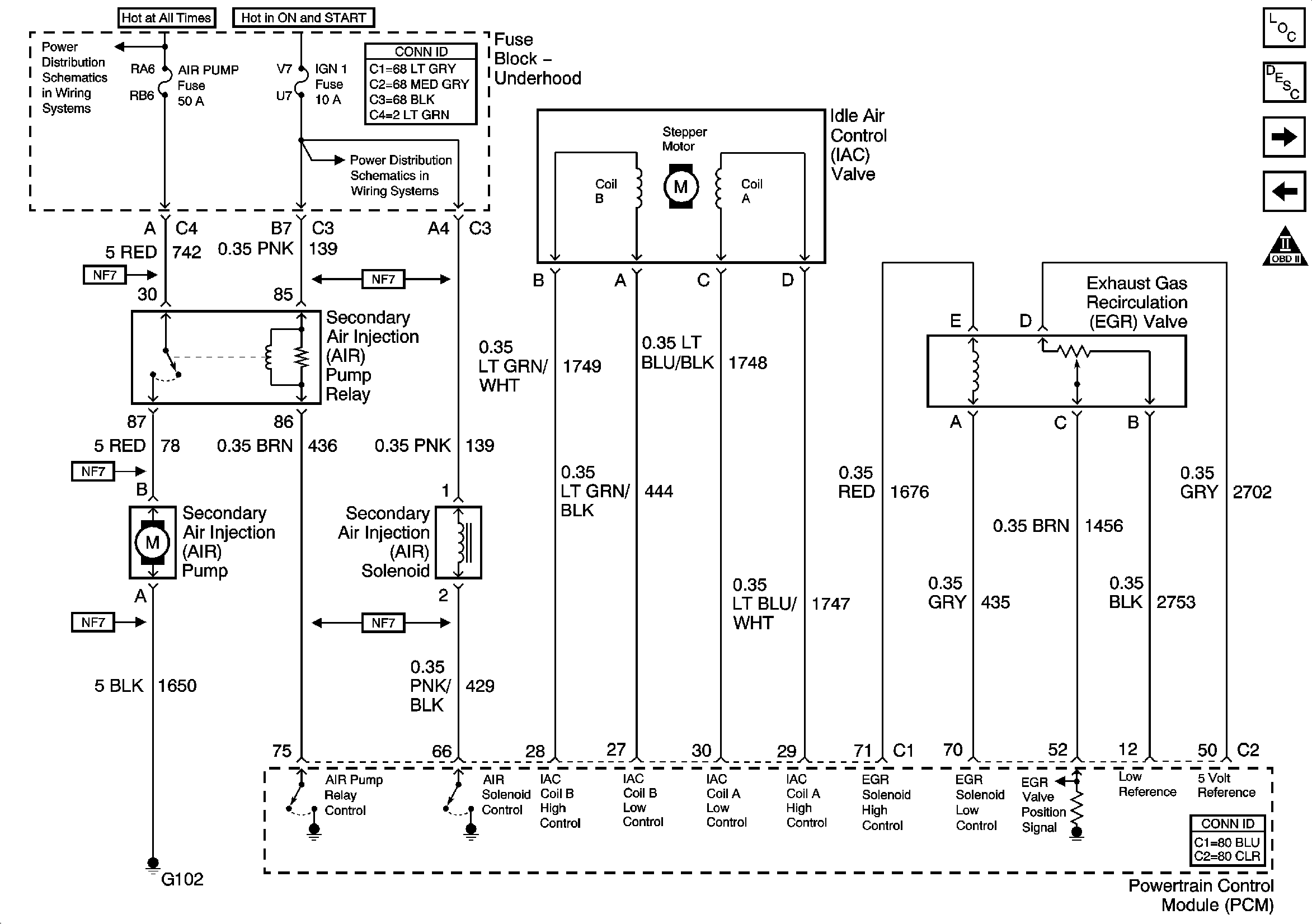
Exhaust Gas Recirculation (EGR) System Description
Controlled/Monitored Subsystem References
Fuel Controls- EVAP Controls
OBD II Symbol Description Notice
G102, G103, G105, G106, and G110