GM Service Manual Online
For 1990-2009 cars only
Makes
🢒
Oldsmobile
🢒
2003
🢒
Bravada
🢒 Column Shift
Column Shift
w/Column Shift
Master Electrical Component List
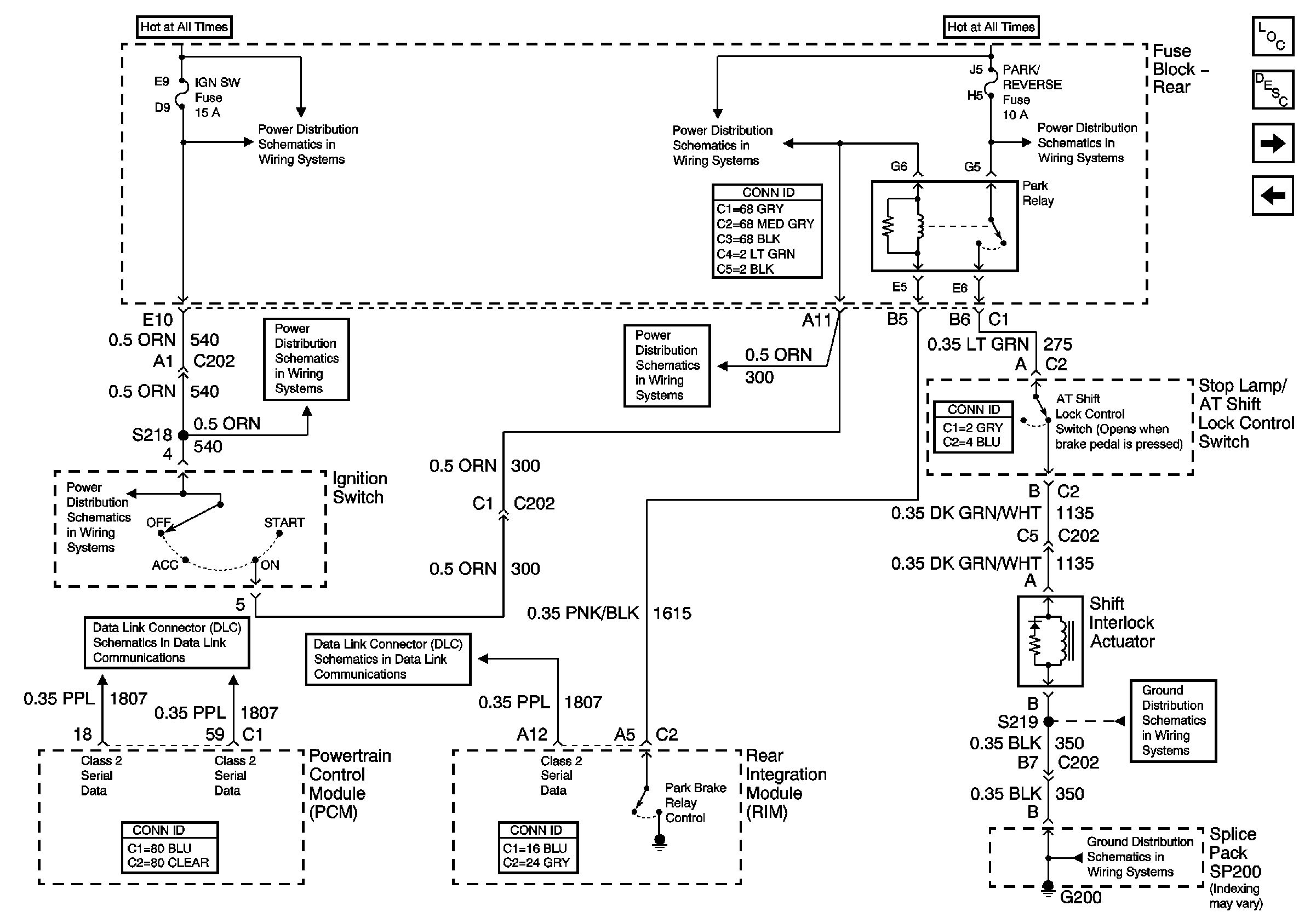
Automatic Transmission Shift Lock Control Description and Operation
Reverse Lockout Solenoid Control
Console Shift
G201 (2 of 3)
G201 (2 of 3)
Class 2 Serial Data (1 of 3)
Class 2 Serial Data (1 of 3)
Class 2 Serial Data (1 of 3)
Rear Fuse Block- RR BLO, RRDR MDL, HVAC BAT, STOP LP, IGN SW, TSIG/HAZ Fuse
Ignition Switch
Class 2 Serial Data (3 of 3)
Class 2 Serial Data (3 of 3)
Ksp Rear Fuse Block Battery Voltage