GM Service Manual Online
For 1990-2009 cars only
Makes
🢒
Oldsmobile
🢒
2003
🢒
Bravada
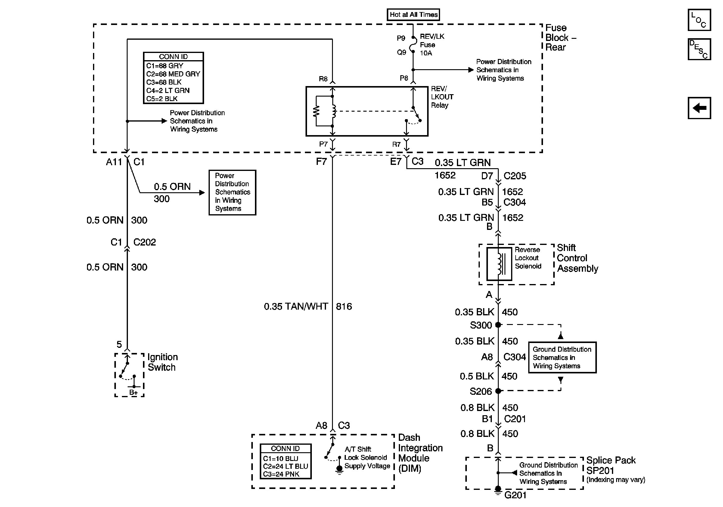
🢒 Reverse Lockout Solenoid Control
Reverse Lockout Solenoid Control
Reverse Lockout Control (w/D55)
Master Electrical Component List
Reverse Lockout System Description and Operation
Column Shift
G201 (2 of 3)
G201 (2 of 3)
Ignition Feeds to Underhood and Rear Fuse Blocks
Ignition Feeds to Underhood and Rear Fuse Blocks
Ignition Feeds to Underhood and Rear Fuse Blocks