GM Service Manual Online
For 1990-2009 cars only
Makes
🢒
Oldsmobile
🢒
2004
🢒
Bravada - 2WD
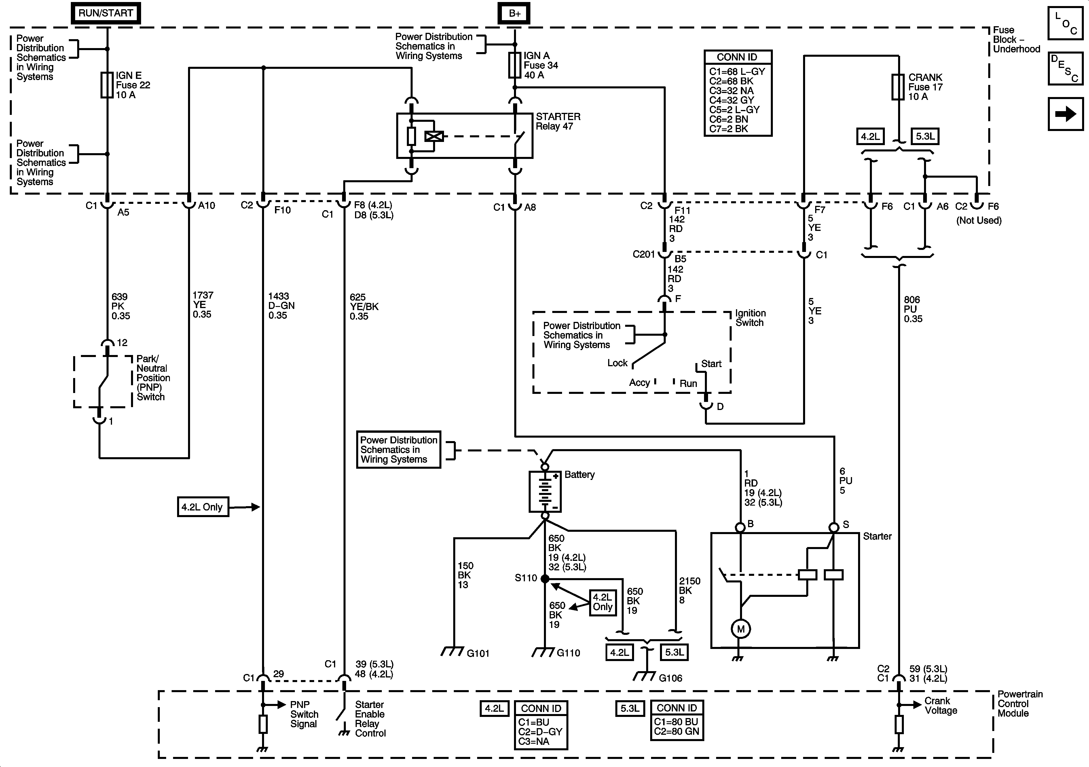
🢒 Starting System
Starting System
Starting System
Master Electrical Component List
Starting System Description and Operation
Charging System
ACCY/RUN and RUN/START Bus Bars
B+ Bus - Underhood Fuse Block
IGN E, TBC IGN 1, BACKUP, BTSI, and TRLR B/U Fuses
ACCY/RUN/START, RUN, and START Bus Bars
B+ Bus - Underhood Fuse Block