GM Service Manual Online
For 1990-2009 cars only
Makes
🢒
Oldsmobile
🢒
2004
🢒
Bravada - 2WD
🢒 Charging System
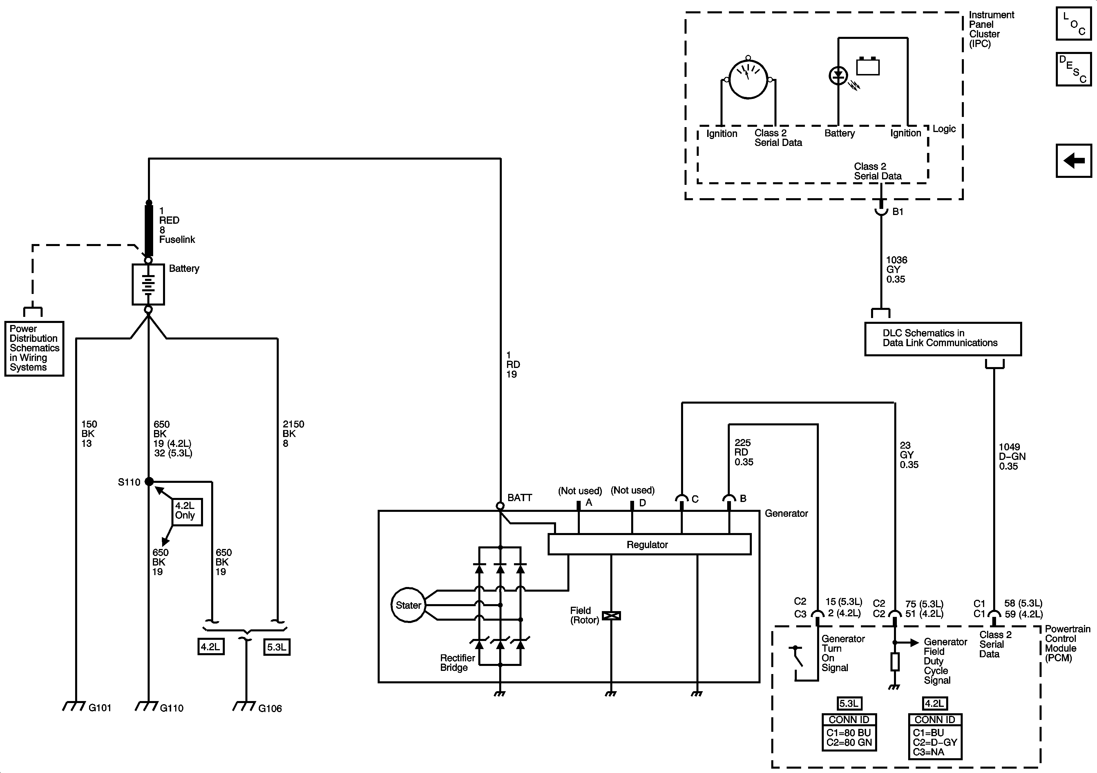
Charging System
Charging System
Master Electrical Component List
Charging System Description and Operation
Starting System
Power, Ground, Data Link Connector, and SP205
B+ Bus - Underhood Fuse Block