GM Service Manual Online
For 1990-2009 cars only
Makes
🢒
Oldsmobile
🢒
2004
🢒
Bravada - 2WD
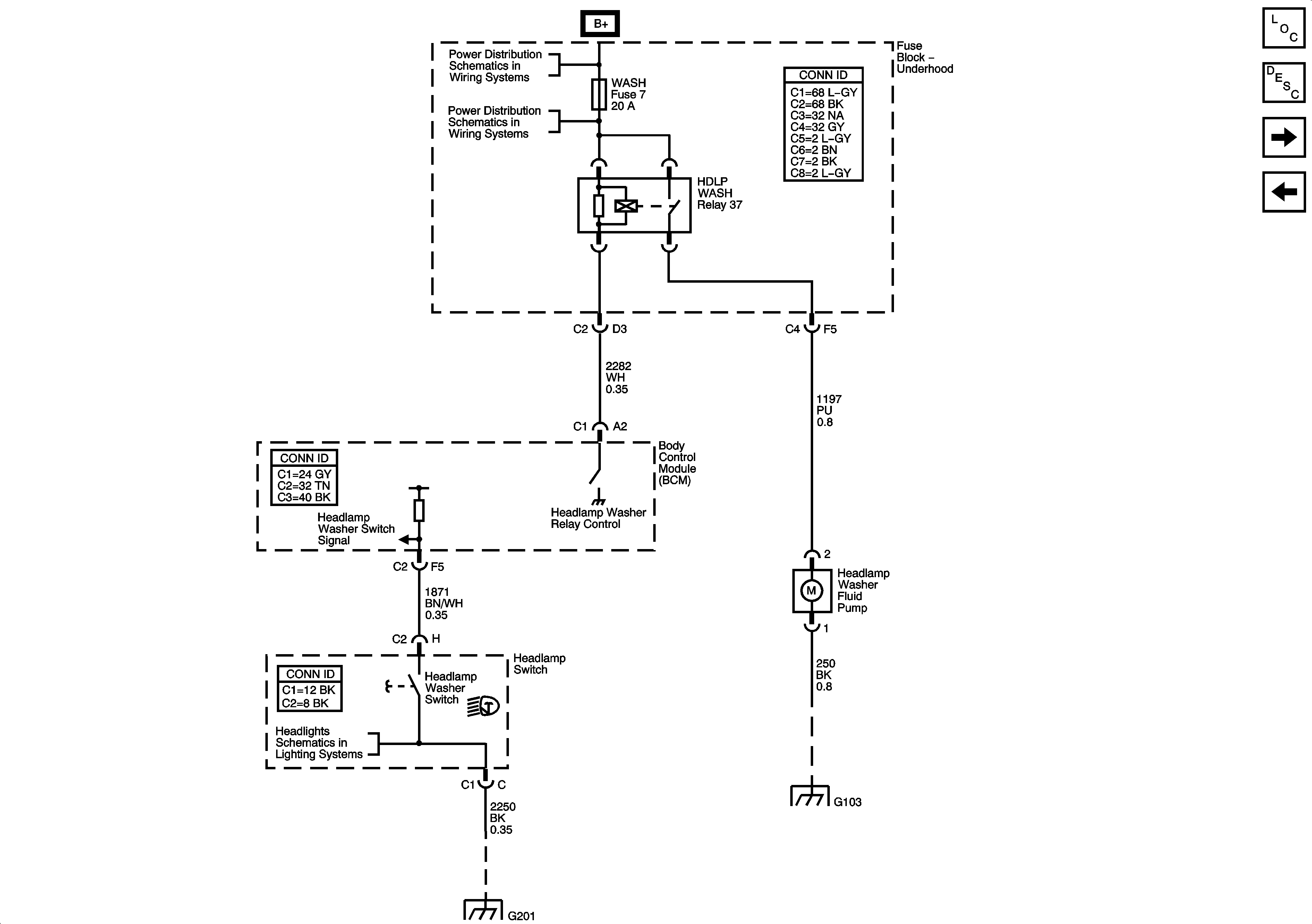
🢒 Headlamp Washer - CE4
Headlamp Washer - CE4
Headlamp Washer - CE4
Master Electrical Component List
Headlamp Washer System Description and Operation
Rear Wiper/Washer Controls - CD6
Wiper/Washer Switch and Washer Fluid Level Switch
B+ Bus - Underhood Fuse Block
B+ Bus - Underhood Fuse Block
Headlamp Switch
G101, G103, G106, and G110
G201 - 1 of 2