GM Service Manual Online
For 1990-2009 cars only
Makes
🢒
Oldsmobile
🢒
2004
🢒
Bravada - 2WD
🢒 Rear Wiper/Washer Controls - CD6
Rear Wiper/Washer Controls - CD6
Rear Wiper/Washer Controls - CD6
Master Electrical Component List
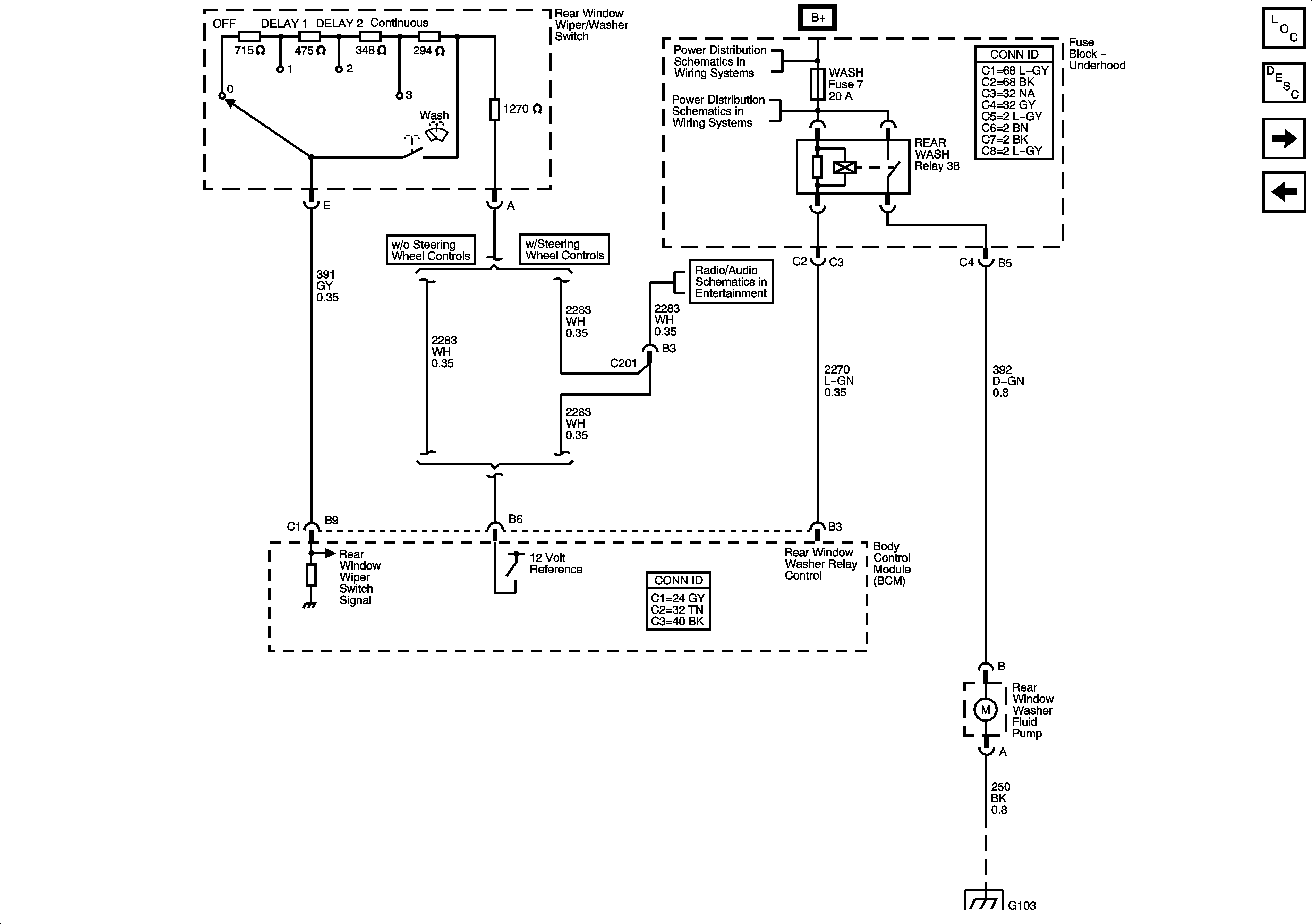
Rear Wiper/Washer System Description and Operation
Rear Window Wiper Motor - CD6
Headlamp Washer - CE4
B+ Bus - Underhood Fuse Block
B+ Bus - Underhood Fuse Block
Steering Wheel Controls
G101, G103, G106, and G110