GM Service Manual Online
For 1990-2009 cars only
Makes
🢒
Oldsmobile
🢒
1996
🢒
Eighty Eight
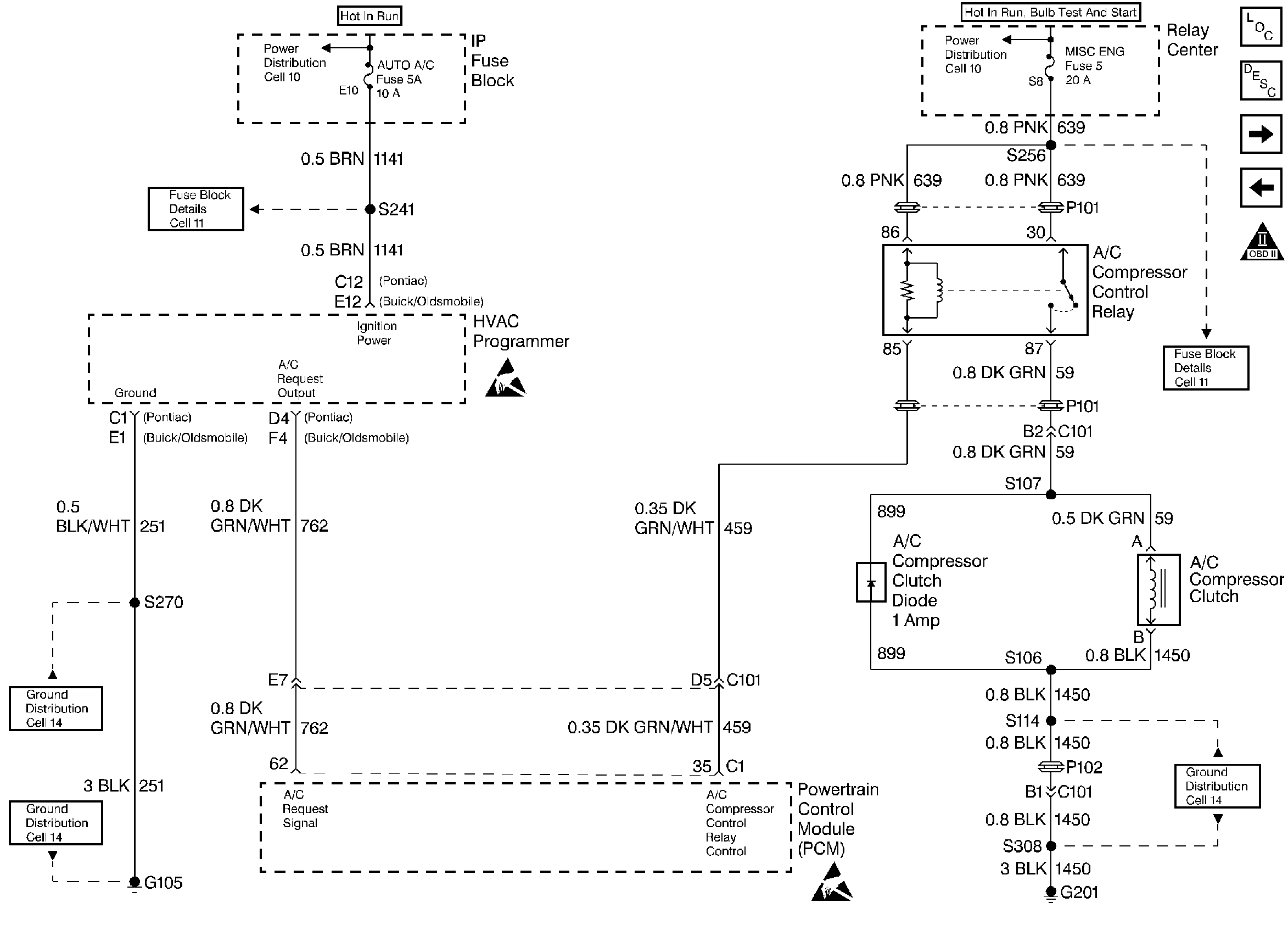
🢒 HAVOC Programmer
HAVOC Programmer
HVAC Programmer
Cooling Fans
Engine Controls Components
Powertrain Control Module Controlled Air Conditioning (A/C) Circuit Diagnosis
HAVOC Control
OBD II Symbol Description Notice
Handling ESD Sensitive Parts Notice