GM Service Manual Online
For 1990-2009 cars only

Refer to

HVAC Control


Object Number: 22656  Size: FS
HAVOC Programmer
Engine Controls Components
Powertrain Control Module Controlled Air Conditioning (A/C) Circuit Diagnosis
Gen Control, Volts Lamp, Shift Select Switch, EBTCM Module
OBD II Symbol Description Notice
Handling ESD Sensitive Parts Notice
.

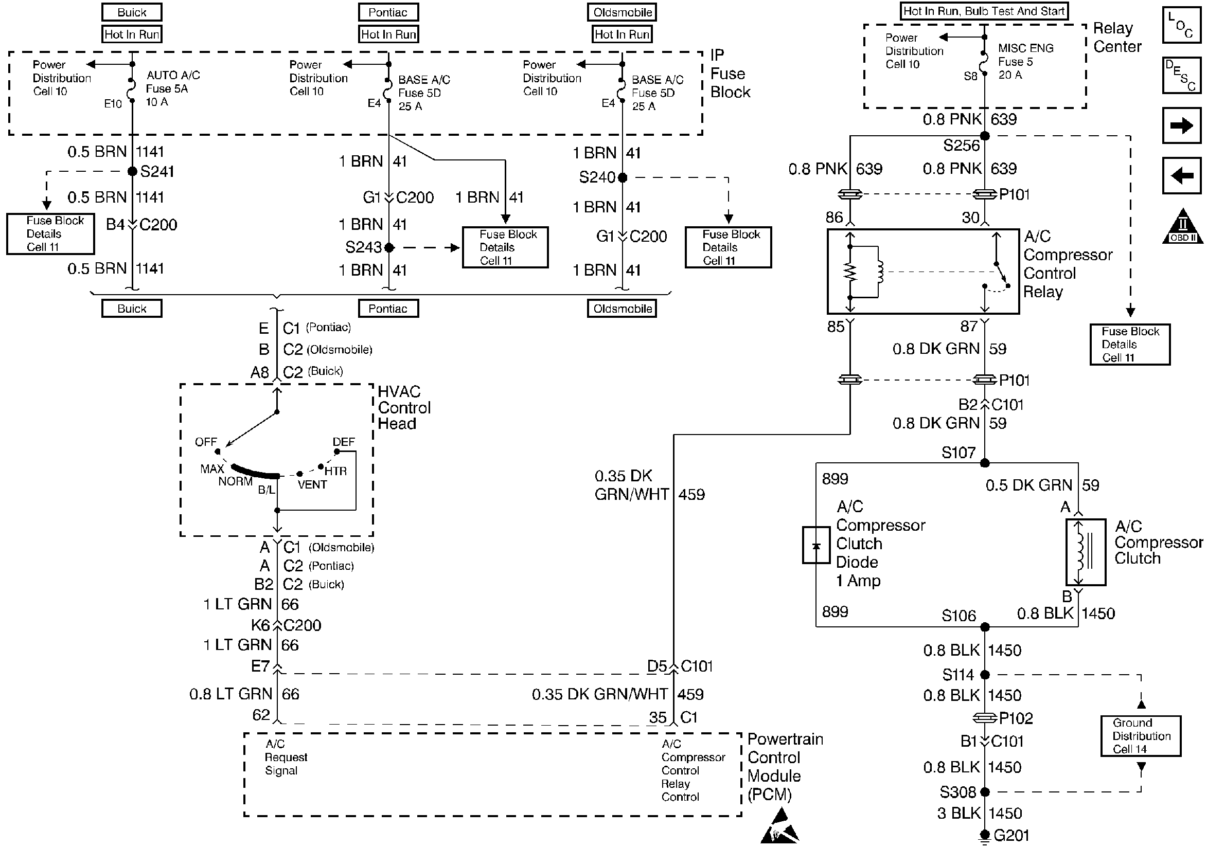
Circuit Description

When an A/C mode is selected, the A/C control head or the A/C programmer supplies a 12 volt signal to the PCM A/C request input. The A/C compressor clutch relay is controlled by the PCM. The PCM provides a ground path for the A/C relay coil. When the A/C compressor relay is engaged battery voltage is supplied to the compressor clutch coil. The PCM will enable the A/C compressor clutch whenever the engine is running and the A/C has been requested unless one or more of the following conditions are present:

    • Throttle angle is greater than 90 percent.
    • A/C head pressure is greater than 414 psi (4.27 volts) or less than 34 psi (0.35 volt) (as determined by the A/C refrigerant pressure sensor).
    • Ignition 1 voltage is below 10.5 volts.
    • Engine speed is greater than 4,500 RPM for longer than 5 seconds.
    • Engine speed is greater then 5,400  RPM for any amount of time.
    • ECT is greater than 125°C (257°F).
    • IAT is less than 5°C (41°F).

Any of the conditions described above will inhibit A/C compressor relay operation.

Diagnostic Aids

Check for the following conditions:

    • Poor connection at the PCM. Inspect harness connectors for backed out terminals, improper mating, broken locks, improperly formed or damaged terminals, and poor terminal to wire connection.
    • Damaged harness. Inspect the wiring harness for damage.
    • If the harness appears to be OK, disconnect the PCM, turn the ignition ON and observe a voltmeter connected to the A/C relay control circuit at the PCM harness connector while moving connectors and wiring harnesses related to the A/C relay. A change in voltage will indicate the location of the malfunction.

Check for conditions that will disable A/C operation:

    • Throttle angle greater than 90 percent.
    • A/C head pressure greater than 414 psi (4.27 volts) or less than 34 psi (0.35 volt) (as determined by the A/C refrigerant pressure sensor).
    • Ignition 1 voltage below 10.5 volts.
    • Engine speed greater than 4,500 RPM for longer than 5 seconds.
    • Engine speed greater then 5,400 RPM for any amount of time.
    • ECT greater than 125°C (257°F).
    • IAT less than 5°C (41°F).

Test Description

The number(s) below refer to step number(s) on the diagnostic table:

  1. Stored diagnostic trouble codes may disable the A/C compressor. This diagnostic table may lead to improper diagnosis and replacement of good parts if diagnostic trouble codes are present.

  2. The A/C compressor clutch should not be engaged with the engine running if an A/C mode is not selected at the control head.

  3. The A/C compressor clutch should engage if the appropriate conditions have been met.

  4. Checks for an A/C request signal from the control head to the PCM.

  5. Checks the ignition feed circuit to the A/C relay.

  6. Determines whether the A/C relay or the circuitry is causing the condition.

  7. Determines if the PCM is turning the A/C relay ON due to a false A/C request.

  8. Isolates the problem to the A/C control head or the PCM.

  9. Determines if the A/C relay is malfunctioning or the A/C relay control circuit is grounded all the time.

  10. This vehicle is equipped with a PCM which utilizes an Electrically Erasable Programmable Read Only Memory (EEPROM). When the PCM is being replaced, the new PCM must be programmed.

A/C Compressor Clutch Control Circuit Diagnosis

Step

Action

Value(s)

Yes

No

1

Was the Powertrain On-Board Diagnostic (OBD) System Check performed?

--

Go to Step 2

Go to the A Powertrain On Board Diagnostic (OBD) System Check

2

Are any PCM DTC(s) stored?

--

Diagnose DTC(s) first. Go to Powertrain Control Module Diagnosis (Powertrain DTCs)

Go to Step 3

3

Important: Before continuing with diagnosis, the following conditions must be met:

   • Ambient temperature greater than 9°C (48°F).
   • Engine coolant temperature less than 119°C (246°F).

  1. With the A/C OFF, start and idle the engine.
  2. Observe the A/C compressor.

Is the A/C compressor clutch engaged?

--

Go to Step 21

Go to Step 4

4

  1. Run the engine at 1000-1500 RPM.
  2. Select an A/C mode on HVAC control head.
  3. Observe the A/C compressor.

Is the A/C compressor clutch engaged?

--

Go to Diagnostic Aids

Go to Step 5

5

With an A/C mode still selected, observe A/C Request on the scan tool.

Does A/C Request display Yes?

--

Go to Step 9

Go to Step 6

6

  1. Turn OFF the ignition switch.
  2. Disconnect the PCM.
  3. Turn ON the ignition switch.
  4. With an A/C mode still selected, measure voltage on the A/C request circuit at the PCM harness connector.

Does the voltage measure near the specified value?

B+

Go to Step 8

Go to Step 7

7

  1. Check the A/C request circuit for the following conditions:
  2. • Open.
    • Shorted to ground.
    • Poor connection at the A/C control head or A/C programmer (as applicable).
  3. If a problem is found, repair as necessary. Refer to Repair Procedures in Electrical Diagnosis.

Was a problem found?

--

Go to Step 37

Go to Diagnosis in Heater, Ventilation, And Air Conditioning (HVAC)

8

  1. Check the A/C request circuit for a poor connection at the PCM.
  2. If a problem is found, repair as necessary. Refer to Repair Procedures in Electrical Diagnosis.

Was a problem found?

--

Go to Step 37

Go to Step 35

9

Observe A/C Refrigerant Pressure on the scan tool.

Is indicated A/C pressure between the specified values?

0.35-4.27V

Go to Step 12

Go to Step 10

10

  1. Connect a J 39500 Refrigerant Recovery, Recycling, and Recharging Station to monitor high side refrigerant pressure. Refer to Heater, Ventilation and Air Conditioning (HVAC) .
  2. Observe high side refrigerant pressure on the gauge.

Is high side refrigerant pressure within the specified values?

234-2854 kPa

(34-414 psi)

Go To Step 11

Go to Refrigerant Recovery and Recycling, Adding Oil, Evacuating and Recharging Procedures in Heater, Ventilation and Air Conditioning (HVAC)

11

  1. Turn OFF the ignition switch.
  2. Disconnect the PCM and the A/C refrigerant pressure sensor.
  3. Measure the resistance of the following circuits between the PCM and the A/C Refrigerant Pressure Sensor:
  4. • A/C refrigerant pressure sensor signal circuit.
    • 5 Volt Reference B circuit.
    • Sensor Ground circuit.
  5. If any resistance is higher than the specified value, locate and repair cause of high resistance in circuit as necessary. Refer to Repair Procedures in Electrical Diagnosis.

Is any resistance higher than the specified value?

5 ohms

Go to Step 37

Go to Step 18

12

  1. Disconnect the A/C relay electrical connector.
  2. Probe the ignition feed circuits at the A/C relay harness connector with a test light to ground.

Is the test light ON?

--

Go to Step 13

Go To Step 31

13

Connect a fused jumper between the ignition feed circuit and A/C compressor clutch control circuit (CKT 59) at the A/C relay connector.

Does the A/C compressor clutch engage?

--

Go to Step 14

Go to Step 15

14

  1. Check for poor connections at A/C relay.
  2. If a problem is found, replace loose terminals as necessary. Refer to Repair Procedures in Electrical Diagnosis.

Was a problem found?

--

Go to Step 37

Go to Step 32

15

  1. Disconnect the A/C compressor clutch electrical connector (leave the ignition feed circuit and A/C compressor clutch control circuit (CKT 59) jumpered at the A/C relay connector).
  2. Connect a test light between A/C compressor clutch control circuit (CKT 59) and the compressor ground circuit.

Is the test light ON?

--

Go to Step 16

Go to Step 17

16

  1. Check for poor connections at the A/C compressor clutch.
  2. If a problem is found, replace loose terminals as necessary. Refer to Repair Procedures in Electrical Diagnosis.

Was a problem found?

--

Go to Step 37

Go to Step 33

17

  1. Check for an open or short to ground in the A/C compressor clutch control circuit (CKT 59).
  2. If a problem is found, repair as necessary. Refer to Repair Procedures in Electrical Diagnosis.

Was a problem found?

--

Go to Step 37

Go to Step 34

18

  1. Leave the PCM and the A/C refrigerant pressure sensor disconnected.
  2. Turn ON the ignition switch.
  3. Using a J 39200 Digital Multimeter, measure voltage between the A/C refrigerant pressure signal circuit and ground.

Does the voltage measure near the specified value?

--

Go to Step 19

Go to Step 20

19

  1. Check for the following conditions:
  2. • The 5 volt reference B circuit for a poor connection at the PCM.
    • The 5 volt reference B circuit for a poor connection at the A/C refrigerant pressure sensor.
    • The A/C refrigerant pressure signal circuit for a poor connection at the PCM.
    • The A/C refrigerant pressure signal circuit for a poor connection at the A/C refrigerant pressure sensor.
    • The sensor ground circuit for a poor connection at the A/C refrigerant pressure sensor.
  3. If a problem is found, repair as necessary. Refer to Repair Procedures in Electrical Diagnosis.

Was a problem found?

--

Go to Step 37

Go to Step 36

20

Locate and repair short to voltage in the A/C refrigerant pressure signal circuit.

Is action complete?

--

Go to Step 37

--

21

  1. Turn ON the ignition switch.
  2. A/C OFF
  3. Observe A/C Request on the scan tool.

Does A/C Request display Yes?

--

Go To Step 22

Go To Step 24

22

  1. Turn OFF the ignition switch.
  2. Disconnect the PCM.
  3. Turn ON the ignition switch.
  4. A/C OFF.
  5. Using a J 39200 Digital Multimeter, measure voltage between the A/C request circuit at the PCM harness connector and ground.

Does the voltage measure near the specified value?

B+

Go To Step 23

Go to Step 35

23

  1. Turn OFF the ignition switch.
  2. Disconnect the A/C programmer.
  3. Turn ON the ignition switch.
  4. Check the A/C request circuit for a short to B+.
  5. If a problem is found, repair as necessary. Refer to Repair Procedures in Electrical Diagnosis.

Was a problem found?

--

Go to Step 37

Go to Diagnosis in Heater, Ventilation, and Air Conditioning (HVAC)

24

  1. Disconnect the A/C relay.
  2. Start the vehicle.
  3. Observe the A/C compressor.

Is the A/C compressor clutch engaged?

--

Go to Step 29

Go to Step 25

25

Probe the A/C compressor clutch control circuit (CKT 59) at the A/C relay harness connector with a test light to ground.

Is the test light ON?

--

Go to Step 27

Go to Step 26

26

Replace the A/C relay.

Is action complete?

--

Go to Step 37

--

27

  1. Turn OFF the ignition switch.
  2. Disconnect the PCM.
  3. Probe the A/C relay control circuit at the PCM connector with a test light connected to B+.

Is the test light ON?

--

Go to Step 28

Go to Step 35

28

Repair short to ground in the A/C compressor clutch relay control circuit. Refer to Repair Procedures in Electrical Diagnosis.

Is action complete?

--

Go to Step 37

--

29

  1. Turn OFF the ignition switch.
  2. Disconnect the A/C compressor clutch electrical connector.
  3. Start the engine.
  4. Observe the A/C compressor.

Is the A/C compressor clutch engaged?

--

Go To Step 33

Go to Step 30

30

Locate and repair short to voltage in the A/C compressor clutch control circuit (CKT 59). Refer to Repair Procedures in Electrical Diagnosis.

Is action complete?

--

Go to Step 37

--

31

Repair open or short to ground in ignition feed circuit to the A/C compressor relay. Refer to Repair Procedures in Electrical Diagnosis.

Is action complete?

--

Go to Step 37

--

32

Replace the A/C compressor relay.

Is action complete?

--

Go to Step 37

--

33

Repair the A/C compressor clutch. Refer to V5 Air Conditioning Compressor Service .

Is action complete?

--

Go to Step 37

--

34

Locate and repair open in the A/C compressor clutch ground circuit (CKT 450). Refer to Repair Procedures in Electrical Diagnosis.

Is action complete?

--

Go to Step 37

--

35

Replace the PCM.

Important:: The replacement PCM must be programmed. Refer to PCM Replacement/Programming .

Is action complete?

--

Go to Step 37

--

36

Replace the A/C refrigerant pressure sensor. Refer to On-Vehicle Service in Heater, Ventilation and Air Conditioning (HVAC).

Is action complete?

--

Go to Step 37

--

37

Important: Before continuing with diagnosis, the following conditions must be met:

   • Ambient temperature greater than 9°C (48°F).
   • Engine coolant temperature less than 119°C (246°F).

  1. With the A/C OFF, start and idle the engine.
  2. Observe the A/C compressor.

Is the A/C compressor clutch engaged?

--

Go to Step 21

Go to Step 38

38

  1. Run the engine at 1000-1500 RPM.
  2. Select an A/C mode on HVAC control head.
  3. Observe A/C compressor.

Is the A/C compressor clutch engaged?

--

System OK

Go to Step 5