GM Service Manual Online
For 1990-2009 cars only

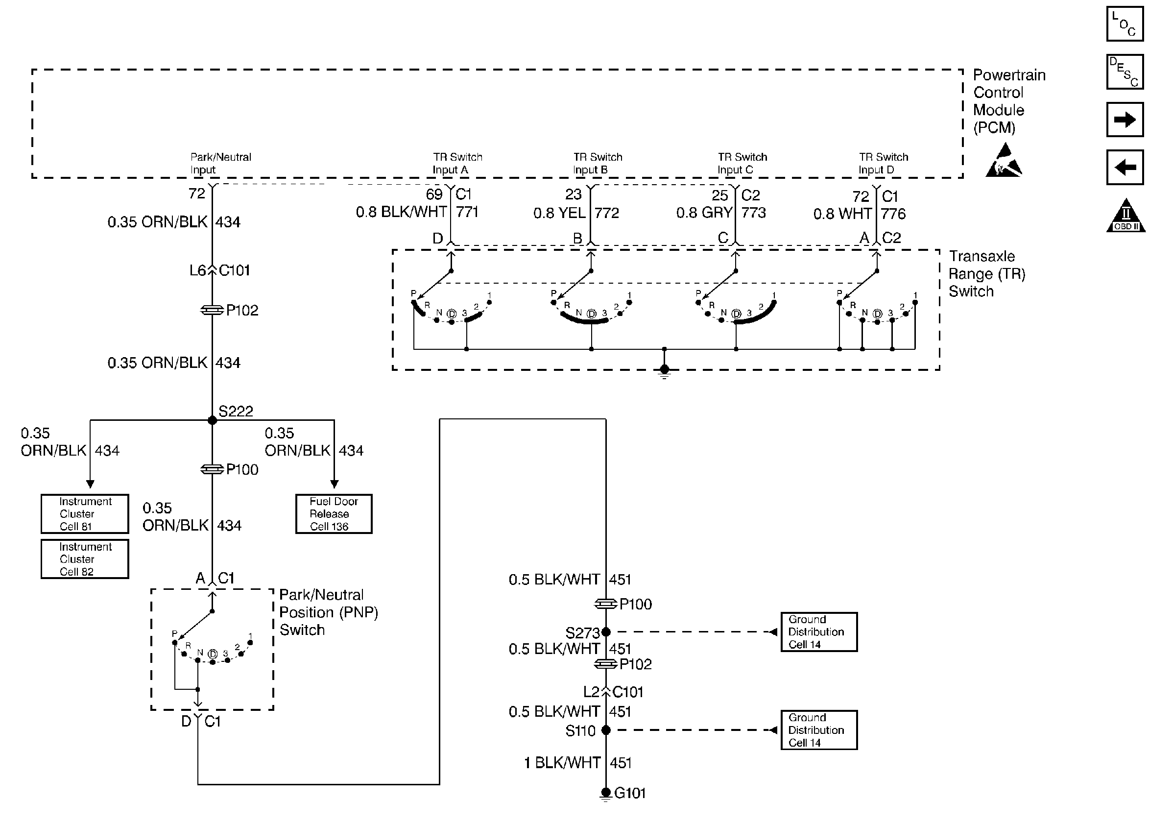
Trans Range, PNP Switch


Object Number: 22645  Size: FS
TCC Brake Switch, TCC Solenoid
Engine Controls Components
Information Sensors
OBD II Symbol Description Notice
VSS, Cruise Control Module
Handling ESD Sensitive Parts Notice
.

Circuit Description

The Park/Neutral Position (PNP) switch is part of the neutral start switch. The PNP switch contacts close the input circuit to the PCM to ground when the transaxle manual shaft is in the park or neutral position. The PNP switch is open when a transaxle drive range is selected. The PCM uses PNP information to perform the following functions:

    • Control idle speed using the IAC.
    • Vehicle Speed Sensor (VSS)/Transaxle Output Speed Sensor (TOSS) diagnostics.
    • IC spark advance.

The PCM supplies 12 volts to the PNP input circuit through a current limiting resistor. The PCM senses a closed switch (Park or Neutral selected) when the voltage on the PNP input circuit drops below 1 volt.

Conditions for Setting the DTC

    • Signal on the PNP circuit indicates an open PNP switch during 3 consecutive startups.

OR

    • No Transaxle Range Switch DTC set.
    • Signal on the PNP circuit is grounded.
    • Transaxle is operating in 3rd or 4th gear.
    • TCC is locked
    • Above conditions present for longer than 10 seconds.

Action Taken When the DTC Sets

    • The PCM will not illuminate the malfunction indicator lamp (MIL).
    • The PCM will store conditions which were present when the DTC set as Failure Records data only. This information will not be stored as Freeze Frame data.

Conditions for Clearing the MIL/DTC

    • A History DTC will clear after 40 consecutive warm-up cycles have occurred without a malfunction.
    • The DTC can be cleared by using the scan tool Clear Info function.

Diagnostic Aids

An intermittent may be caused by a poor connection, rubbed through wire insulation or a wire broken inside the insulation. Check for the following conditions:

    • Misadjusted PNP switch.
        Refer to 4T60-E Automatic Transaxle On-Vehicle Service .
    • Poor connection.
        Inspect the PCM and PNP Switch harness and connectors for improper mating, broken locks, improperly formed or damaged terminals, and poor terminal to wire connection.
    • Damaged harness.
        Inspect the wiring harness for damage. If the harness appears to be OK, disconnect the PNP switch 7 way connector, turn the ignition ON and observe a voltmeter connected to the PNP circuit at the PNP switch harness connector while moving connectors and wiring harnesses related to the PNP switch. A change in voltage will indicate the location of the malfunction.

Reviewing the Fail Records vehicle mileage since the diagnostic test last failed may help determine how often the condition that caused the DTC to be set occurs. This may assist in diagnosing the condition.

DTC P1520 - PNP Switch Circuit

Step

Action

Value

Yes

No

1

Was the Powertrain On-Board Diagnostic System Check performed?

--

Go to Step 2

Go to the Powertrain On Board Diagnostic (OBD) System Check

2

  1. Vehicle in PARK.
  2. Apply the parking brake.
  3. Turn ON the ignition switch.
  4. Observe Park/Neutral Position displayed on the scan tool.

Does the scan tool indicate that Park/Neutral is selected?

--

Go to Step 3

Go to Step 5

3

  1. Put the vehicle in Neutral.
  2. Observe Park/Neutral Position displayed on the scan tool.

Does the scan tool indicate that Park/Neutral is selected?

--

Go to Step 4

Go to Step 8

4

Observe Park/Neutral Position displayed on the scan tool while selecting D1, D2, D3, D4 and Reverse transaxle positions.

Does the scan tool indicate that park or neutral is selected in any of the above positions?

--

Go to Step 6

Refer to Diagnostic Aids

5

  1. Turn OFF the ignition switch.
  2. Disconnect the PCM.
  3. Turn ON the ignition switch.
  4. Using a test light connected to B+, probe the Park/Neutral input circuit at the PCM harness connector.
  5. Observe the test light while selecting the park and neutral gear positions.

Is the test light ON in Park and Neutral?

--

Go to Step 10

Go to Step 9

6

  1. Disconnect the transaxle range switch 7-way electrical connector.
  2. Observe Park/Neutral Position displayed on the scan tool.

Does the scan tool indicate Park/Neutral?

--

Go to Step 7

Go to Step 8

7

  1. Turn OFF the ignition switch.
  2. Disconnect the PCM.
  3. Probe the Park/Neutral input circuit with a test light to B+.
  4. If the test light is ON, locate and repair short to ground in the Park/Neutral input circuit. Refer to Repair Procedures in Electrical Diagnosis.

Was a problem found?

--

Go to Step 13

Go to Step 12

8

Attempt to adjust the transaxle range switch. Refer to 4T60-E Transaxle On-Vehicle Service in section 7.

Can the transaxle range switch be adjusted so that the scan tool displays Park/Neutral Position correctly?

--

Go to Step 13

Go to Step 11

9

  1. Check for the following conditions:
  2. • Open in the park/neutral input circuit.
    • Open ground circuit to the transaxle range switch 7-way connector.
    • Poor terminal connection at the transaxle range switch 7-way connector.
  3. If a problem is found, repair wiring or replace terminal(s) as necessary. Refer to Repair Procedures in Electrical Diagnosis.

Was a problem found?

--

Go to Step 13

Go to Step 11

10

  1. Check the park/neutral input circuit for a poor terminal connection at the PCM.
  2. If a problem is found, replace terminal. Refer to Repair Procedures in Electrical Diagnosis.

Was a problem found?

--

Go to Step 13

Go to Step 12

11

Replace the transaxle range switch. Refer to 4T60-E Transaxle On-Vehicle Service in section 7.

Is action complete?

--

Go to Step 13

--

12

Replace the PCM. Refer to Powertrain Control Module Replacement/Programming .

Is action complete?

--

Go to Step 13

--

13

  1. Clear DTCs.
  2. Observe the Park/Neutral Position display on the scan tool while selecting D1, D2, D3, D4 Neutral, Reverse, and Park transaxle positions.

Does the scan tool indicate the correct park/neutral status in each gear position?

--

System OK

Go to Step 2