GM Service Manual Online
For 1990-2009 cars only
Figure 1:

Cell 51: BCM Power, DRL Link, Fog Lamps, and Horn


Object Number: 295052  Size: FS
Body Control Module Components
Body Control System Description
Cell 51: PASSLOCK Sensor, Tire Pressure Monitor, TCS, Serial Data (Class2) (w/Electronic Traction Control Switch)
Handling Electrostatic Discharge Sensitive Parts Notice
Handling Electrostatic Discharge Sensitive Parts Notice
Power Distribution Schematics
Power Distribution Schematics
Power Distribution Schematics
Power Distribution Schematics
Power Distribution Schematics
Power Distribution Schematics
Power Distribution Schematics
Power Distribution Schematics
ABS/ETS Schematics
Headlights Schematics
Fog Lights Schematics
Horn Schematics
Ground Distribution Schematics
Figure 2:

Cell 51: PASSLOCK Sensor, Serial Data (Class 2) (w/o Electronic Traction Control Switch)


Object Number: 455453  Size: FS
Body Control Module Components
Body Control System Description
Cell 51: Audible Warnings
Cell 51: PASSLOCK Sensor, Tire Pressure Monitor, TCS, Serial Data (Class2) (w/Electronic Traction Control Switch)
Figure 3:

Cell 51: Audible Warnings


Object Number: 295063  Size: FS
Body Control Module Components
Body Control System Description
Cell 51: Interior Lights Inputs
Cell 51: PASSLOCK Sensor, Serial Data (Class 2) (w/o Electronic TRACtIon Control Switch)
Handling Electrostatic Discharge Sensitive Parts Notice
Handling Electrostatic Discharge Sensitive Parts Notice
Power Distribution Schematics
Ground Distribution Schematics
Ground Distribution Schematics
Figure 4:

Cell 51: Interior Lights Inputs


Object Number: 295065  Size: FS
Body Control Module Components
Body Control System Description
Cell 51: Interior Lights B+ Output, Theater Dimming 1 Output, Trunk Ajar Input
Cell 51: Audible Warnings
Handling Electrostatic Discharge Sensitive Parts Notice
Ground Distribution Schematics
Ground Distribution Schematics
Figure 5:

Cell 51: Interior Lights B+ Output, Theater Dimming 1 Output, Trunk Ajar Input


Object Number: 295067  Size: FS
Body Control Module Components
Body Control System Description
Cell 51: Theater Dimming 2 Output
Cell 51: Interior Lights Inputs
Handling Electrostatic Discharge Sensitive Parts Notice
Handling Electrostatic Discharge Sensitive Parts Notice
Ground Distribution Schematics
Ground Distribution Schematics
Ground Distribution Schematics
Figure 6:

Cell 51: Theater Dimming 2 Output


Object Number: 295069  Size: FS
Body Control Module Components
Body Control System Description
Cell 51: Auto Door Lock Inputs, RFA Link
Cell 51: Interior Lights B+ Output, Theater Dimming 1 Output, Trunk Ajar Input
Handling Electrostatic Discharge Sensitive Parts Notice
Ground Distribution Schematics
Figure 7:

Cell 51: Auto Door Lock Inputs, RFA Link


Object Number: 295072  Size: FS
Body Control Module Components
Body Control System Description
Cell 51: Auto Door Lock Outputs
Cell 51: Theater Dimming 2 Output
Handling Electrostatic Discharge Sensitive Parts Notice
Handling Electrostatic Discharge Sensitive Parts Notice
Ground Distribution Schematics
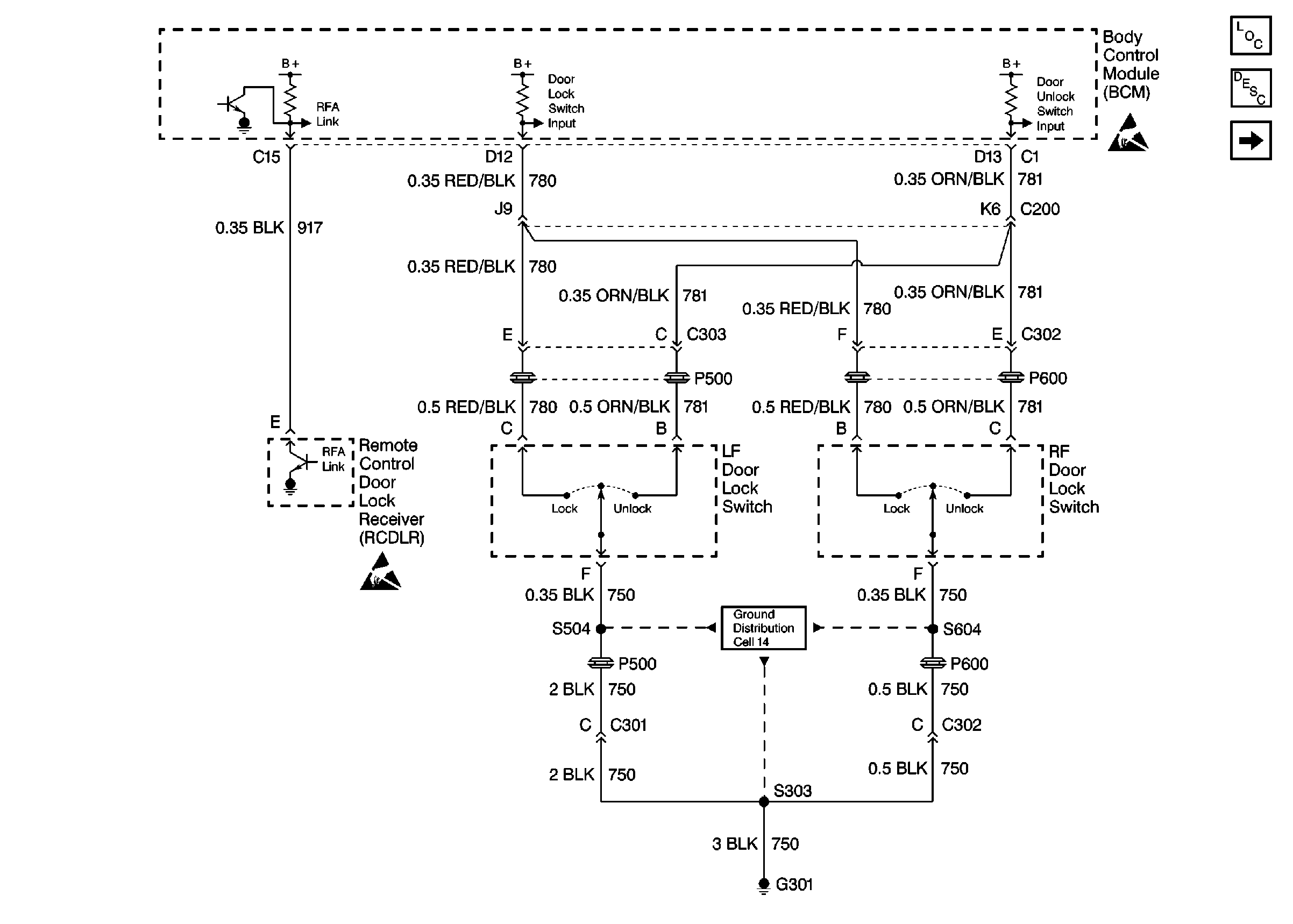
Figure 8:

Cell 51: Auto Door Lock Outputs


Object Number: 295075  Size: FS
Body Control Module Components
Body Control System Description
Cell 51: Auto Door Lock Inputs, RFA Link
Handling Electrostatic Discharge Sensitive Parts Notice
Power Distribution Schematics
Ground Distribution Schematics
Ground Distribution Schematics