GM Service Manual Online
For 1990-2009 cars only
Makes
🢒
Oldsmobile
🢒
1999
🢒
Intrigue
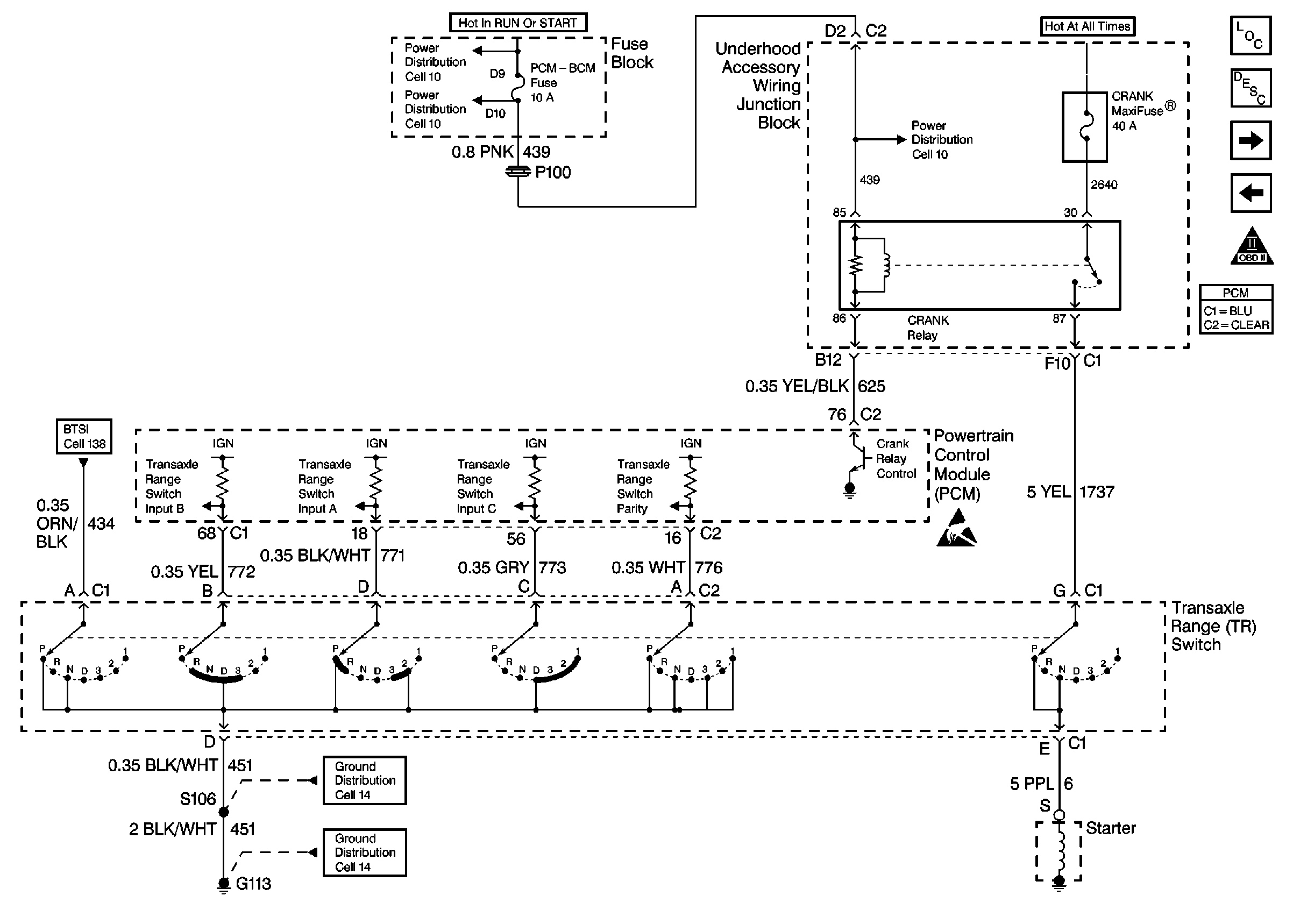
🢒 Transaxle Range (TR) Switch
Transaxle Range (TR) Switch
Transaxle Range Switch
Engine Controls Components
Information Sensors/Switches Description
Instrument Cluster, Generator
PCM, Automatic Transaxle
OBD II Symbol Description Notice
Handling ESD Sensitive Parts Notice