GM Service Manual Online
For 1990-2009 cars only
Makes
🢒
Oldsmobile
🢒
1999
🢒
Intrigue
🢒 Air (98 W OLDS 3.5L LX5)
Air (98 W OLDS 3.5L LX5)
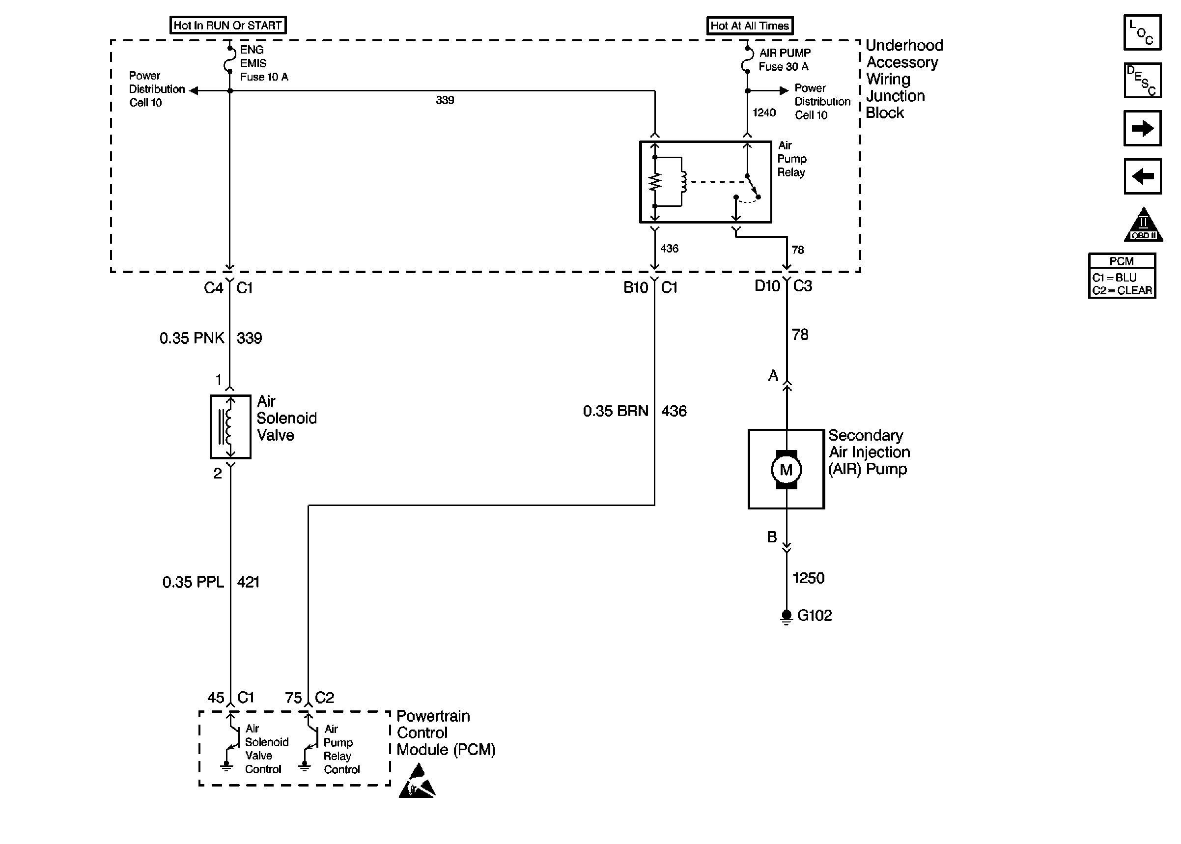
AIR
Engine Controls Components
Information Sensors/Switches Description
MAF Sensor, EVAP Vent Solenoid Valve, Purge Solenoid Valve, EGR Valve
(HO2S) #1, (HO2S) #2
OBD II Symbol Description Notice
Handling ESD Sensitive Parts Notice