GM Service Manual Online
For 1990-2009 cars only
Makes
🢒
Oldsmobile
🢒
1999
🢒
Intrigue
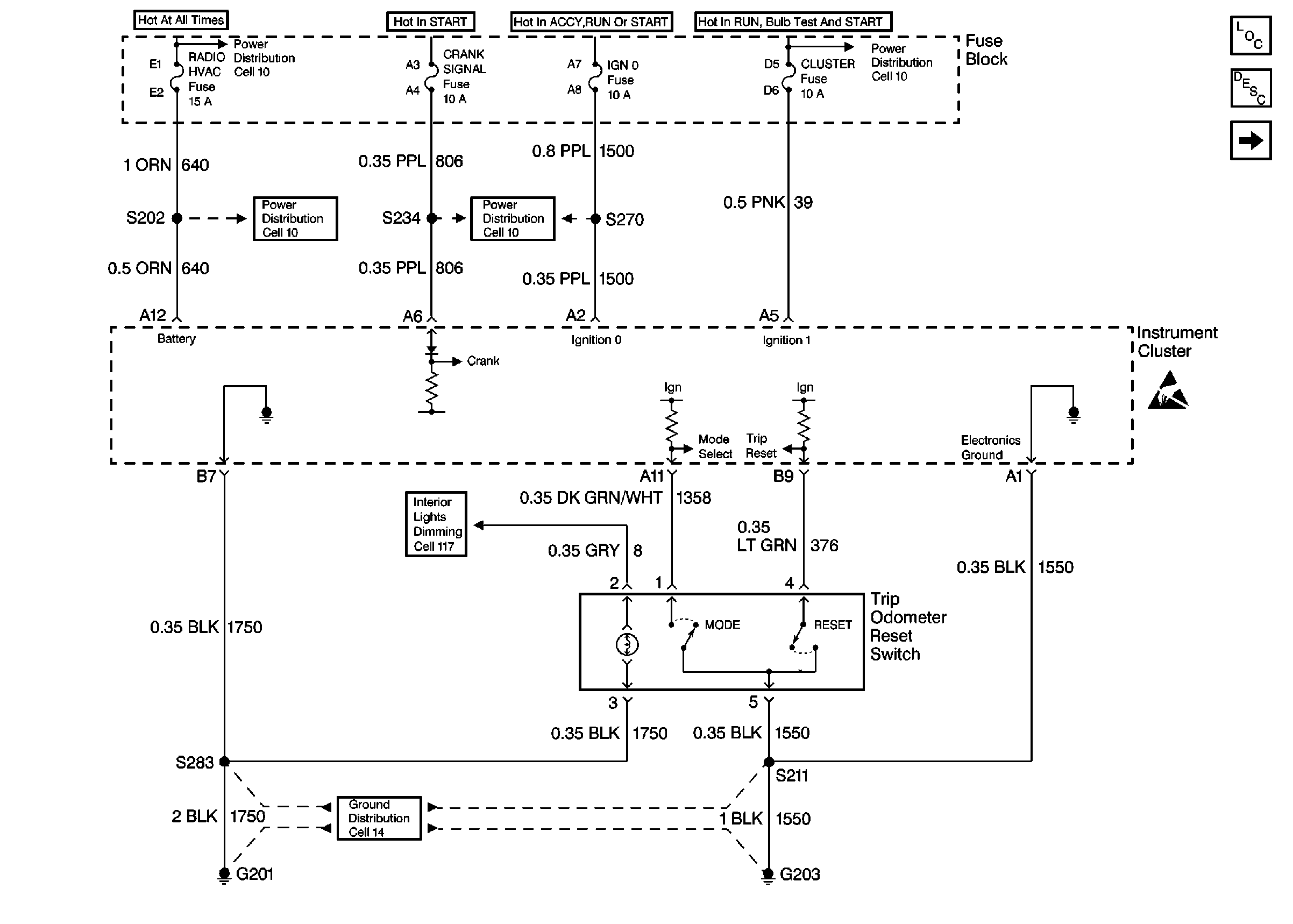
🢒 Cell 81: Power Distribution, Ground Distribution and Trip Odometer Reset Switch
Cell 81: Power Distribution, Ground Distribution and Trip Odometer Reset Switch
Cell 81: Power Distribution, Ground Distribution and Trip Odometer Reset Switch
Instrument Cluster Components
Instrument Cluster Circuit Description
Cell 81: I/P Lamp Dimmer Switch, Windshield Washer Solvent Level Switch, and Serial Data
Handling Electrostatic Discharge Sensitive Parts Notice
Power Distribution Schematics
Power Distribution Schematics
Power Distribution Schematics
Power Distribution Schematics
Interior Lights Dimming Schematics
Ground Distribution Schematics