GM Service Manual Online
For 1990-2009 cars only
Makes
🢒
Oldsmobile
🢒
1999
🢒
Intrigue
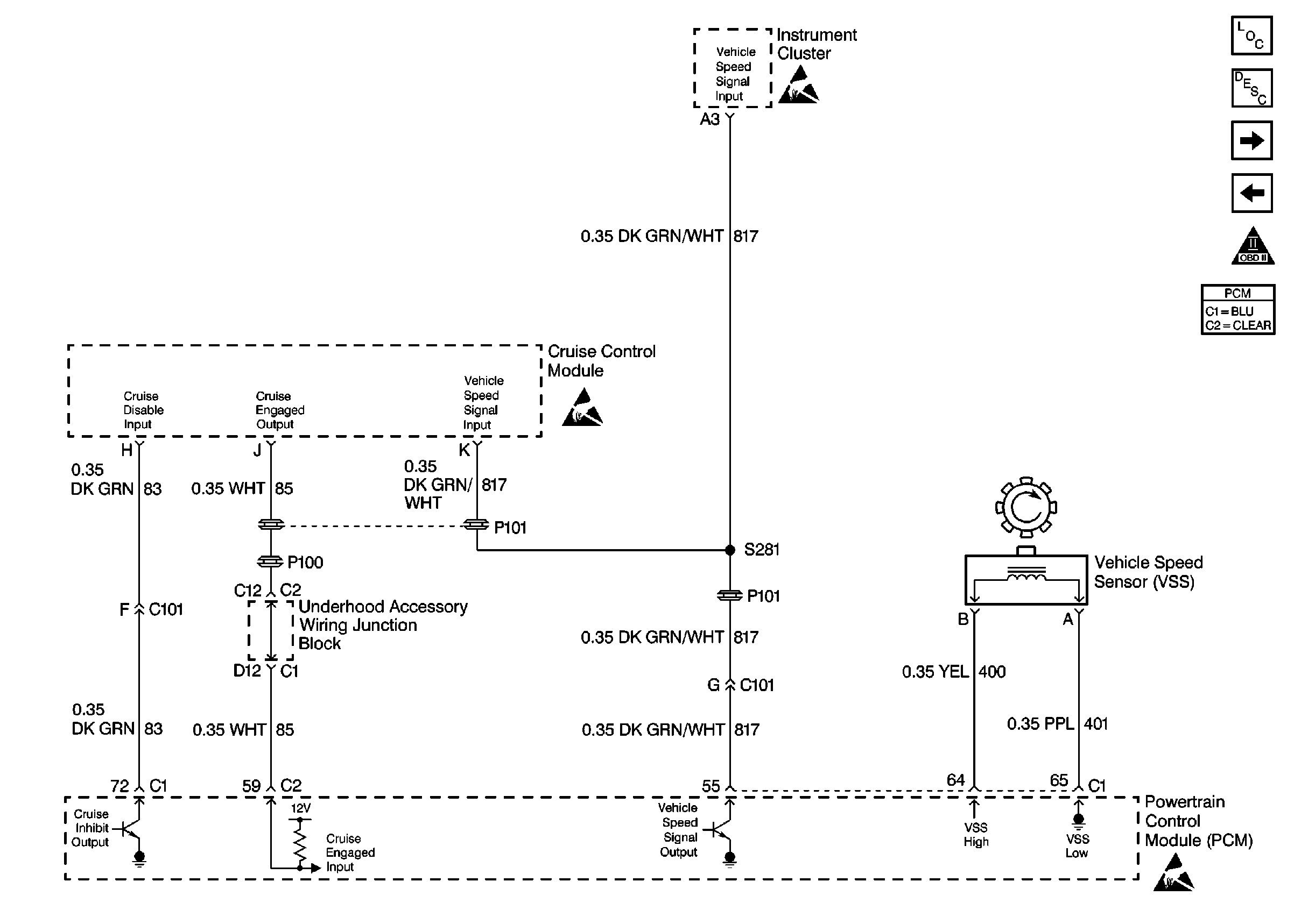
🢒 Cruise Control Module and VSS
Cruise Control Module and VSS
Cruise Control Module and VSS
Handling ESD Sensitive Parts Notice
Handling ESD Sensitive Parts Notice
Handling ESD Sensitive Parts Notice
Indicators
MAF, IAC, EGR, and EVAP
OBD II Symbol Description Notice
Engine Controls Components
Cruise Control System Circuit Description