GM Service Manual Online
For 1990-2009 cars only
Makes
🢒
Oldsmobile
🢒
1999
🢒
Intrigue
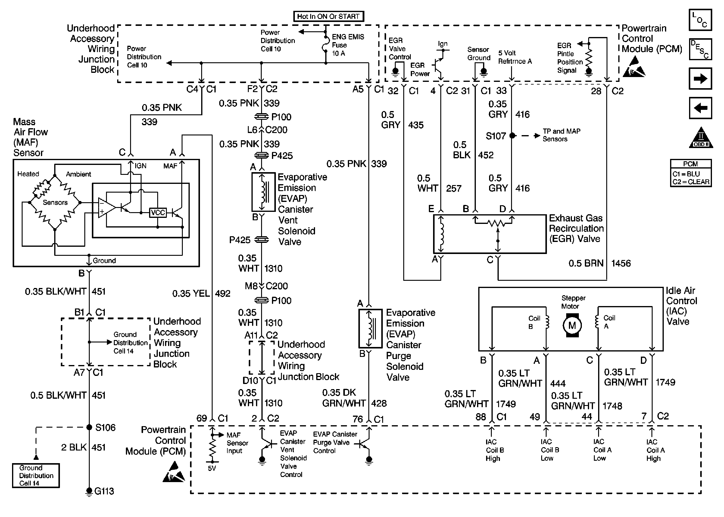
🢒 MAF, IAC, EGR, and EVAP
MAF, IAC, EGR, and EVAP
MAF, IAC, EGR, and EVAP
Cell 10: ENG EMIS Fuse
Cell 10: Underhood Accessory Wiring Junction Block
Cell 14: L36 Engine Grounds G100, G111, and G113
Cell 14: L36 Engine Grounds G100, G111, and G113
Handling ESD Sensitive Parts Notice
Engine Data Sensors
Engine Controls Components
Cruise Control Module and VSS
Heated Oxygen Sensor (HO2S) #1 and #2
OBD II Symbol Description Notice
Handling ESD Sensitive Parts Notice