GM Service Manual Online
For 1990-2009 cars only
Makes
🢒
Oldsmobile
🢒
1999
🢒
Intrigue
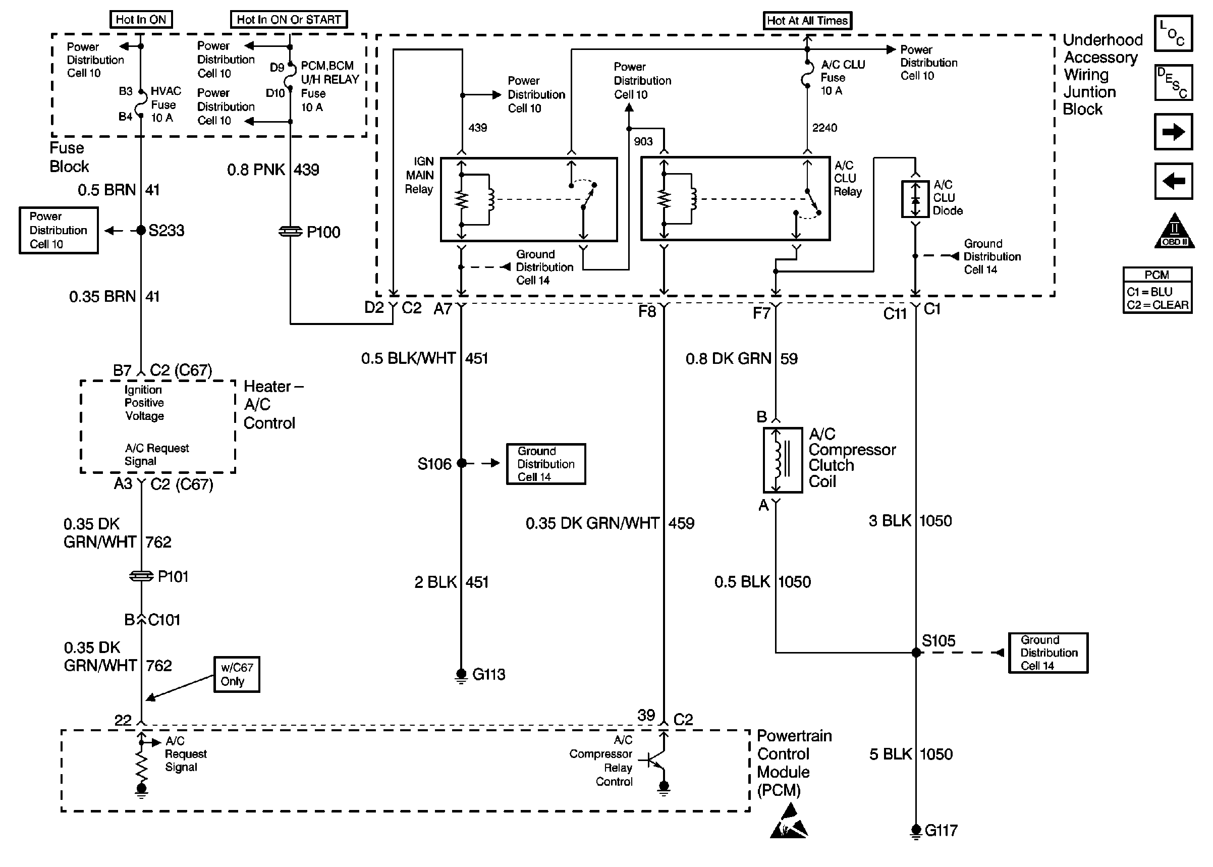
🢒 A/C Compressor Controls
A/C Compressor Controls
A/C Compressor Controls
Cell 10: IGN 1 MaxiFuse®, and Ignition Switch
Cell 10: IGN 2 MaxiFuse®, and Ignition Switch
Cell 10: AIR BAG, CLUSTER, DRL, PCM BCM U/H RELAY, and TURN SIGNALSCORN LPS Fuses
Cell 10: CRUISE, HVAC, and LOW BLOWER Fuses
Cell 10: AIR BAG, CLUSTER, DRL, PCM BCM U/H RELAY, and TURN SIGNALSCORN LPS Fuses
Cell 14: L36 Engine Grounds G100, G111, and G113
Cell 14: L36 Engine Grounds G100, G111, and G113
Cell 10: Underhood Accessory Wiring Junction Block
Handling ESD Sensitive Parts Notice
Cell 14: L36 Engine Ground G117
Cell 14: L36 Engine Ground G117
Cell 10: Underhood Accessory Wiring Junction Block
Engine Controls Components
Cooling Fans Controls
A/T Fluid Pressure Manual Valve Position Switch, PC SOL Valve and A/T ISS Sensor
OBD II Symbol Description Notice