GM Service Manual Online
For 1990-2009 cars only
Makes
🢒
Oldsmobile
🢒
1999
🢒
Intrigue
🢒 Fuel Pump and Fuel Level Sensors
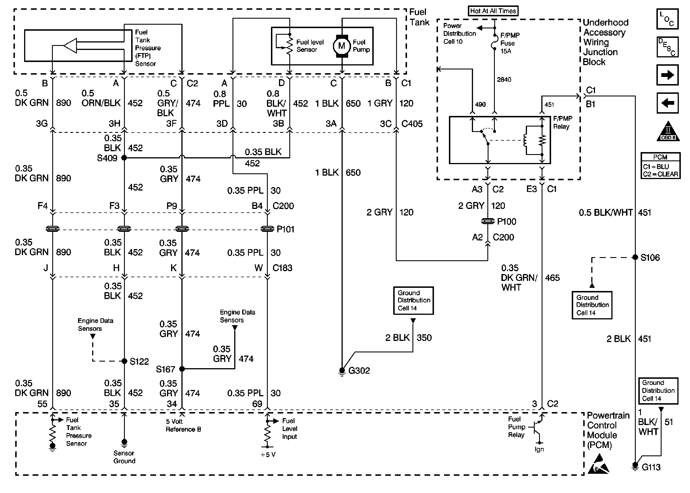
Fuel Pump and Fuel Level Sensors
Fuel Pump and Fuel Level Sensors
Cell 10: Underhood Accessory Wiring Junction Block
Fuel Injectors
CKP, CMP and KS
OBD II Symbol Description Notice
Handling ESD Sensitive Parts Notice
Cell 14: LX5 Engine Grounds G100, G110, and G113
Cell 14: LX5 Engine Grounds G100, G110, and G113
Cell 14: RH Body Ground G302 (cont.)
Engine Data Sensors
Engine Data Sensors
Engine Controls Components
Powertrain Control Module Description