GM Service Manual Online
For 1990-2009 cars only
Makes
🢒
Oldsmobile
🢒
1999
🢒
Intrigue
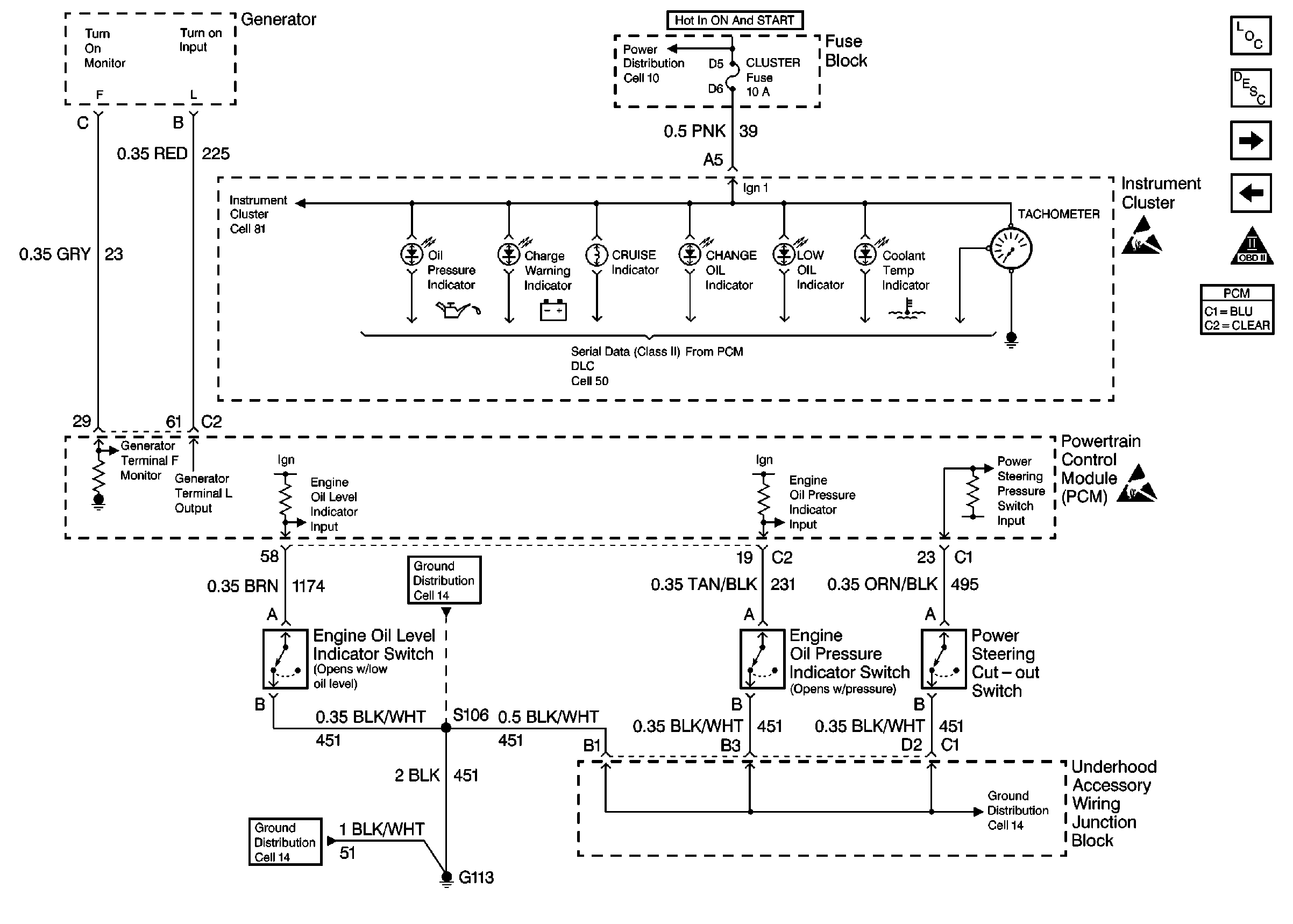
🢒 Indicators
Indicators
Indicators
Cell 10: IGN 2 MaxiFuse®, and Ignition Switch
Engine Controls Components
Powertrain Control Module Description
Powertrain Control Module Connector End Views
Cell 50
Transaxle Range Switch
EVAP and EGR
Handling ESD Sensitive Parts Notice
Handling ESD Sensitive Parts Notice
Handling ESD Sensitive Parts Notice
Cell 14: LX5 Engine Grounds G100, G110, and G113
Cell 14: LX5 Engine Grounds G100, G110, and G113
Cell 14: LX5 Engine Grounds G100, G110, and G113