GM Service Manual Online
For 1990-2009 cars only
Makes
🢒
Oldsmobile
🢒
1999
🢒
Intrigue
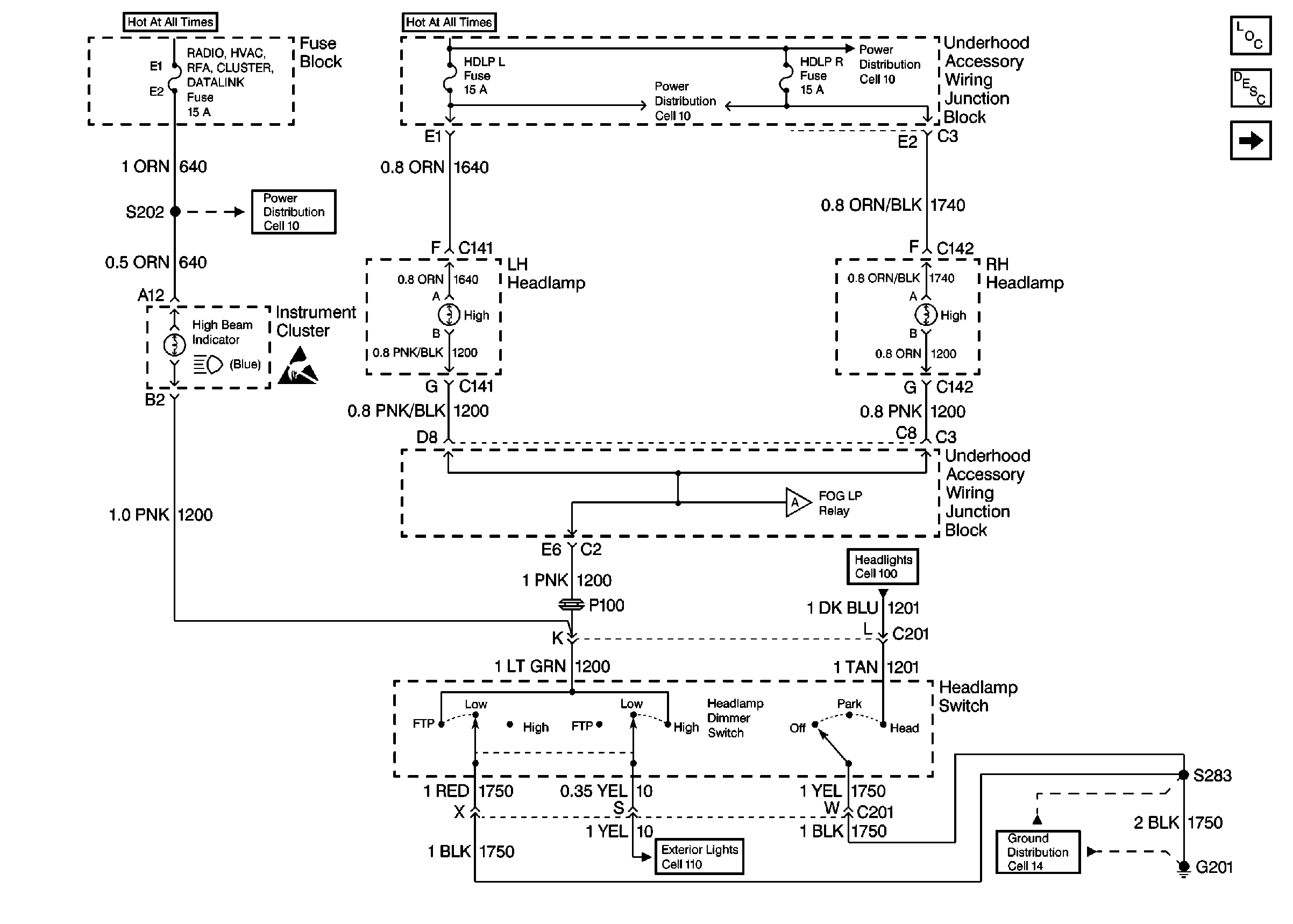
🢒 Cell 103: Power, Instrument Cluster, Headlamp Switch, Headlamps
Cell 103: Power, Instrument Cluster, Headlamp Switch, Headlamps
Cell 103: Power, Instrument Cluster, Headlamp Switch, Headlamps
Lighting Systems Components
Fog Lights Circuit Description
Cell 103: Power, Fog Lamps, Headlamp Switch, Fog Lamp Switch, BCM
Cell 14: LH IP Ground G201
Cell 110: Power, DRL Control Module, BCM, Headlamp Switch, Park Brake Indicator Switch
Handling ESD Sensitive Parts Notice
Cell 10: Battery, Generator, EBTCM, and Underhood Accessory Wiring Junction Block
Cell 10: HDLP L, HDLP R, and LP PARK Fuses
Cell 10: HDLP L, HDLP R, and LP PARK Fuses
Cell 103: Power, Fog Lamps, Headlamp Switch, Fog Lamp Switch, BCM
Cell 100: Power, Headlamps, Headlamp Switch, Instrument Cluster