GM Service Manual Online
For 1990-2009 cars only

Refer to

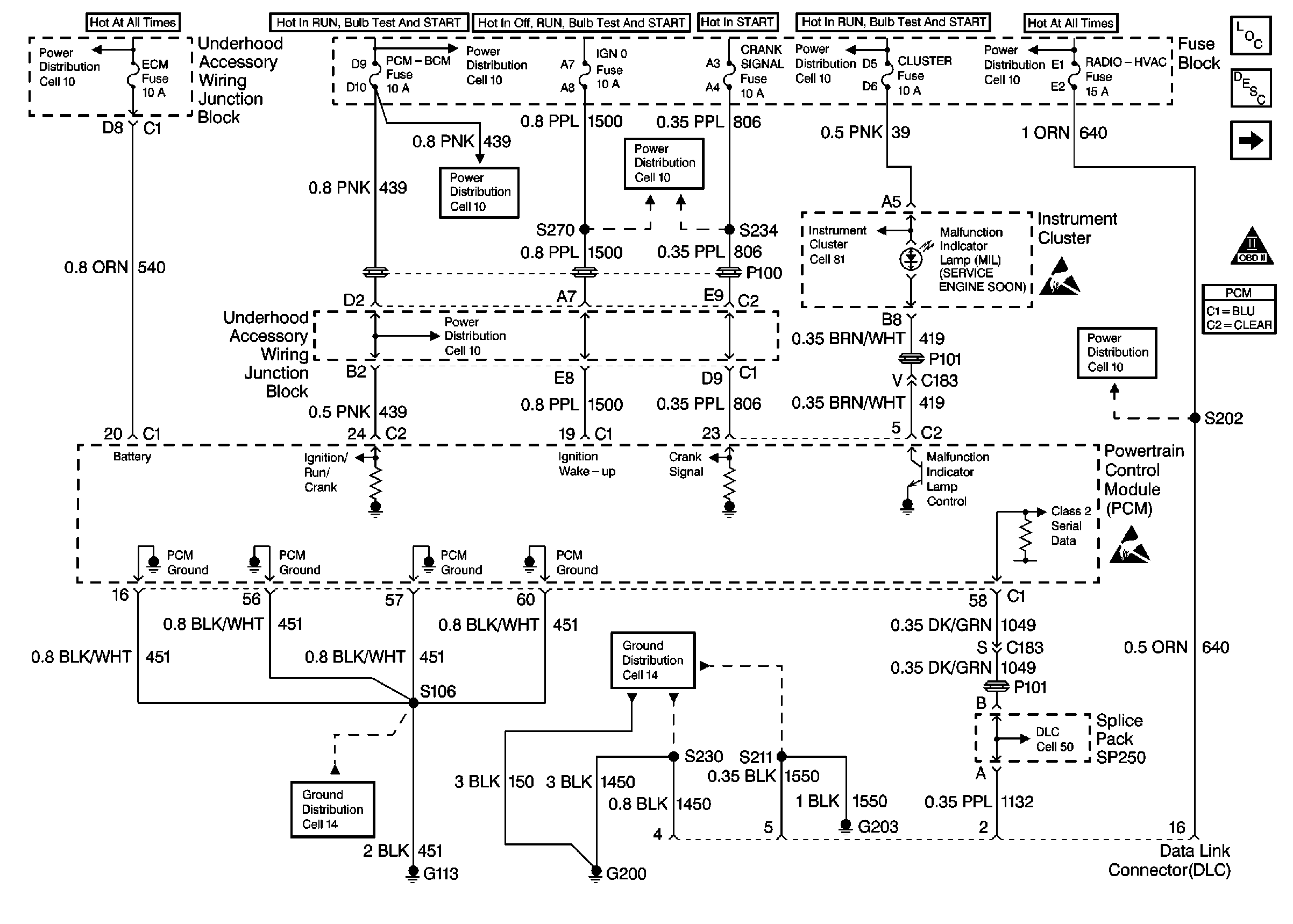
Power, Ground, DLC and MIL


Object Number: 260021  Size: FS
Engine Controls Components
Front Bank ICM, Rear Bank ICM
Information Sensors/Switches Description
OBD II Symbol Description Notice
Handling ESD Sensitive Parts Notice
Handling ESD Sensitive Parts Notice
in Engine Controls Schematic and Routing Diagrams for wiring view.

Circuit Description

The PCM monitors system voltage on the PCM ignition feed circuit. If the system voltage is out of tolerance, DTC P0560 will be set. When the conditions that set DTC P0560 are present, operation of some vehicle systems and components may be affected.

Conditions for Running the DTC

The engine is running.

Conditions for Setting the DTC

    • System voltage monitored at the PCM ignition feed circuit is less than 9 volts or greater than 16 volts.
    • Above conditions for longer than 25 seconds.

Action Taken When the DTC Sets

    • The powertrain control module (PCM) stores the DTC information into memory when the diagnostic runs and fails.
    • The malfunction indicator lamp (MIL) will not illuminate.
    • The PCM records the operating conditions at the time the diagnostic fails. The PCM stores this information in the Failure Records.

Conditions for Clearing the MIL/DTC

    • A History DTC will clear after forty consecutive warm-up cycles, if no failures are reported by this or any other non-emission related diagnostic.
    • A last test failed (Current DTC) will clear when the diagnostic runs and does not fail.
    • Use a scan tool in order to clear the MIL/DTC.
    • Interrupting the PCM battery voltage may or may not clear DTCs. This practice is not recommended. Refer to Powertrain Control Module Description , Clearing Diagnostic Trouble Codes.

Diagnostic Aids

Notice: Use the connector test adapter kit J 35616-A for any test that requires probing the following items:

   • The PCM harness connectors
   • The electrical center fuse/relay cavities
   • The component terminals
   • The component harness connector
Using this kit will prevent damage caused by the improper probing of connector terminals.

Important: Be sure to inspect PCM engine grounds for being secure and clean.

Important: Charging with a battery charger while starting the engine can cause DTC P0560 to set.

If DTC P0560 cannot be duplicated, reviewing the Failure Records vehicle mileage since the diagnostic test last failed may help determine how often the condition that caused the DTC to set occurs. This may assist in diagnosing the condition. For complete information and additional diagnostics for the vehicle charging system, refer to Charging System Check .

If the problem is intermittent, refer to Intermittent Conditions .

Test Description

Number(s) below refer to the step number(s) on the Diagnostic Table.

  1. This vehicle is equipped with a PCM which utilizes an Electrically Erasable Programmable Read Only Memory (EEPROM). When the PCM is being replaced, the new PCM must be programmed.

Step

Action

Value(s)

Yes

No

1

Did you perform the Powertrain On-Board Diagnostic System Check?

--

Go to Step 2

Go to the Powertrain On Board Diagnostic (OBD) System Check

2

Is DTC P1635 also set?

--

Go to DTC P1635 5 Volt Reference Circuit .

Go to Step 3

3

  1. Start and run engine above 1000 RPM.
  2. Observe Ignition 1 on the scan tool.

Is Ignition 1 voltage between the specified values?

10 V-16 V

Go to Step 4

Go to Step 5

4

  1. Review and record the scan tool Failure Records data.
  2. Clear the DTC P0560 and operate the vehicle to duplicate the Fail Records conditions.
  3. Using a scan tool, monitor Specific DTC info for DTC P0560 until the DTC P0560 test runs.

Does the scan tool indicate DTC failed this ignition?

--

Go to Step 5

Refer to Diagnostic Aids.

5

  1. Install a J 39200 Digital Multimeter between the battery terminals.
  2. Monitor the digital multimeter while running the engine above 1000 RPM.

Does digital multimeter show battery voltage between the specified values?

10 V-16 V

Go to Step 6

Go to Step 7

6

  1. Load the electrical system by turning ON the headlamps and the HVAC high blower.
  2. Monitor the digital multimeter while running the engine above 2000 RPM.

Does the digital multimeter show battery voltage between the specified values?

10 V-16 V

Go to Step 8

Go to Step 7

7

  1. Turn OFF the ignition switch.
  2. Disconnect the generator electrical connector.
  3. Turn ON the ignition switch.
  4. Connect a digital multimeter to measure voltage between the L terminal circuit at the generator harness connector and ground.
  5. Command the Gen. L Term. ON using the scan tool.

Does the digital multimeter display voltage near the specified value with the Gen. L Term. commanded ON?

5V

Go to Step 12

Go to Step 10

8

Compare the Ignition 1 voltage displayed on the scan tool with the actual battery voltage read with the digital multimeter.

Does the scan tool Ignition 1 value closely match the actual value read with the digital multimeter?

--

Refer to Diagnostic Aids.

Go to Step 9

9

  1. Check the PCM ignition feed circuit for a poor connection between the ignition switch and the PCM. Refer to Fuse Block Details in Electrical Diagnosis.
  2. If a problem is found, replace loose terminal(s).

Was a problem found?

--

Go to Step 14

Go to Step 13

10

  1. Check the generator control circuit for an open or a short to ground between the PCM and the generator.
  2. If a problem is found, repair as necessary.

Was a problem found?

--

Go to Step 14

Go to Step 11

11

  1. Check the generator control circuit for a poor terminal connection at the PCM.
  2. If a problem is found, repair as necessary. Refer to Intermittents and Poor Connections Diagnosis .

Was a problem found?

--

Go to Step 14

Go to Step 13

12

  1. Check the generator control circuit for a poor terminal connection at the generator.
  2. If a problem is found, repair as necessary. Refer to Intermittents and Poor Connections Diagnosis .

Was a problem found?

--

Go to Step 14

Go to Charging System Check .

13

Replace the PCM.

Important:: The replacement PCM must be programmed. Refer to Powertrain Control Module Replacement/Programming .

Is action complete?

--

Go to Step 14

--

14

  1. Start and run the engine above 1000 RPM.
  2. Observe Ignition 1 on the scan tool.

Is Ignition 1 voltage between the specified values?

10 V-16 V

Go to Step 15

Go to Step 5

15

Review Captured Info using the scan tool.

Are there any DTCs that have not been diagnosed?

--

Go to the applicable DTC table

System OK