GM Service Manual Online
For 1990-2009 cars only

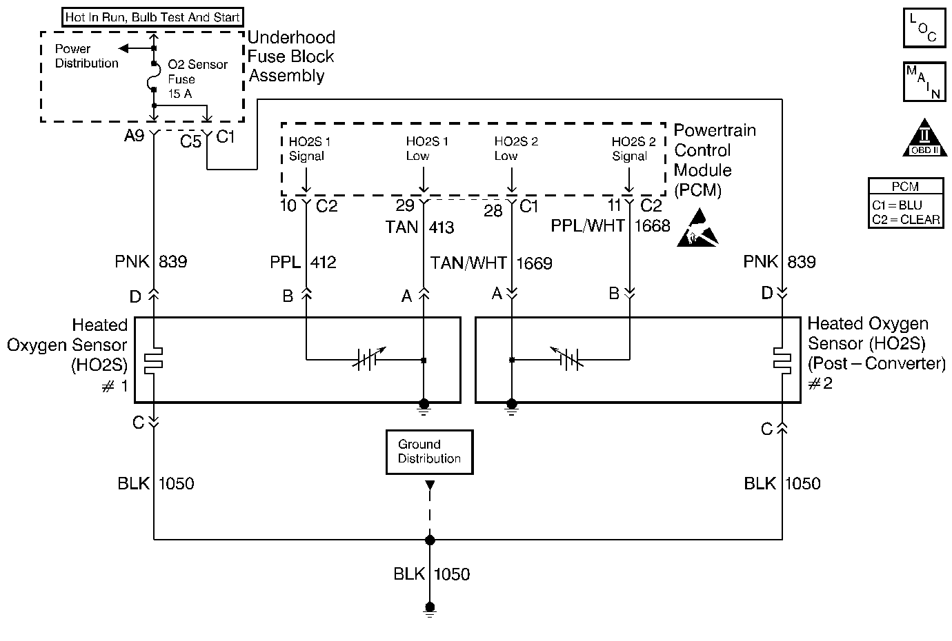
Object Number: 293722  Size: MF
(HO2S) #1, (HO2S) #2
Engine Controls Components
OBD II Symbol Description Notice
ESD Notice

Circuit Description

Heated oxygen sensors are used to minimize the amount of time required for closed loop fuel control operation and to allow accurate catalyst monitoring. The oxygen sensor heater greatly decreases the amount of time required for fuel control sensor HO2S 1 to become active. The oxygen sensor heater is required by catalyst monitor sensor HO2S 2 to maintain a sufficiently high temperature. This allows accurate exhaust oxygen content readings further from the engine.

The PCM will run the heater test only after a cold start (determined by engine coolant and intake air temperature at the time of startup) and only once during an ignition cycle. When the engine is started the PCM will monitor the HO2S voltage. When the Bank HO2S voltage indicates a sufficiently active sensor, the PCM looks at how much time has elapsed since startup. If the PCM determines that too much time was required for the HO2S 2 to become active, the DTC will set. The time it should take the HO2S to reach operating temperature is based on the engine coolant temperature at start-up and the average Mass Air Flow since startup (more total airflow or higher startup engine coolant temperature = shorter time to HO2S activity).

Conditions for Running the DTC

    • No active fuel trim, fuel injector circuit, Misfire, EVAP, EGR, AIR, TP, IAT, MAP, ECT, CKP, or MAF sensor DTCs present.
    • P0131 or P0132 not set
    • System voltage is between 9 and 18 volts.
    • Intake Air Temperature (IAT) is less than 45°C (113°F) at startup.
    • Engine Coolant Temperature (ECT) is less than 40°C (104°F) at startup.
    • IAT and ECT are within 15°C (27°F) of each other at start-up.
    • Average mass airflow for the sample period is less than 26 g/s.

Conditions for Setting the DTC

HO2S 2 voltage remains within 150 mV of the bias voltage (about 450 mV) for a longer amount of time than it should. The amount of time ranges between 50 and 130 seconds depending on engine coolant temperature at startup and average air flow since startup.

Action Taken When the DTC Sets

    • The PCM illuminates the malfunction indicator lamp (MIL) on the second consecutive ignition cycle that the diagnostic runs and fails.
    • The PCM records the operating conditions at the time the diagnostic fails. The first time the diagnostic fails, the PCM stores this information in the Failure Records. If the diagnostic reports a failure on the second consecutive ignition cycle, the PCM records the operating conditions at the time of the failure. The PCM writes the conditions to the Freeze Frame and updates the Failure Records.

Conditions for Clearing the MIL/DTC

    • The PCM turns the MIL Off after three consecutive drive trips that the diagnostic runs and does not fail.
    • A last test failed (current DTC) clears when the diagnostic runs and does not fail.
    • A History DTC clears after forty consecutive warm-up cycles, if this or any other emission related diagnostic does not report any failures.
    • Use a scan tool in order to clear the MIL/DTC.
    • Interrupting the PCM battery voltage may or may not clear DTCs. This practice is not recommended. Refer to Powertrain Control Module (PCM) Description , Clearing Diagnostic Trouble Codes.

Diagnostic Aids

Notice: Use the connector test adapter kit J 35616-A for any test that requires probing the following items:

   • The PCM harness connectors
   • The electrical center fuse/relay cavities
   • The component terminals
   • The component harness connector
Using this kit will prevent damage caused by the improper probing of connector terminals.

Reviewing the Failure Records vehicle mileage since the diagnostic test last failed may help determine how often the condition that caused the DTC to be set occurs. This may assist in diagnosing the condition.

If the problem is intermittent, refer to Intermittent Conditions .

The heated oxygen sensors (HO2S) require an air reference for proper operation. The air reference is supplied through the HO2S wiring. Inspect the HO2S wires and connections for breaks or contamination. Do not use solder to repair HO2S wiring. Solder will obstruct the air path. Refer to Heated Oxygen Sensor Wiring Repairs in Wiring Systems for proper repair procedures.

Test Description

The number(s) below refer to the step number(s) on the diagnostic table.

  1. As the heater warms the oxygen sensor to operating temperature, the HO2S will output a voltage in relation to the amount of oxygen in the exhaust. With the ignition On and the engine Off the exhaust usually contains a high oxygen content. With the engine Off the HO2S voltage will usually decrease from the initial (bias) voltage due to the high oxygen content.

  2. This step checks for a proper HO2S heater ignition feed and ground supply.

  3. This step checks for proper PCM and signal circuit operation.

Step

Action

Value(s)

Yes

No

1

Did you perform the Powertrain On-Board Diagnostic (OBD) System Check?

--

Go to Step 2

Go to Powertrain On Board Diagnostic (OBD) System Check

2

Important: The HO2S must be cool before proceeding with diagnosis. The Ignition must remain Off for at least one half hour before proceeding with diagnosis.

  1. Connect a scan tool.
  2. Set-up the scan tool with the proper vehicle identification information prior to turning the ignition On.
  3. Turn the ignition On and as quickly as possible observe and record the HO2S voltage for the sensor that applies to this DTC.
  4. The ignition is On and the engine is Off.

  5. Monitor the HO2S voltage for two minutes.
  6. The ignition is On and the engine is Off.

Does the HO2S voltage increase or decrease from the initial voltage by at least the value specified?

150 mV

Go to Step 3

Go to Step 4

3

The condition that set this DTC is not present. This DTC may have been set by one of the following conditions:

    • An intermittently open or high resistance HO2S High signal circuit or Low circuit
    • An intermittently open or high resistance HO2S heater ignition feed or ground circuit
    • Poor HO2S or PCM connector terminal contact
    • A defective HO2S

Repair any of the above conditions as necessary.

Was a condition found and repaired?

--

Go to Step 14

Refer to Diagnostic Aids.

4

  1. Turn the ignition Off.
  2. Disconnect the HO2S connector for the sensor that applies to this DTC.
  3. Connect test lamp J 35616-200 between the HO2S heater ignition feed and ground circuit terminals (engine harness side).
  4. Turn the ignition On while leaving the engine Off.

Is the test lamp illuminated?

--

Go to Step 5

Go to Step 6

5

  1. Disconnect the test lamp.
  2. Jumper the HO2S Low circuit terminal to a known good ground.
  3. Jumper the HO2S High signal circuit terminal to a known good ground.
  4. Using a scan tool monitor the HO2S voltage for the sensor that applies to this DTC.
  5. Ensure the ignition is On while the engine is Off.

Is the HO2S voltage less than the value specified?

20 mV

Go to Step 8

Go to Step 7

6

Connect the test lamp J 35616-200 between the HO2S heater ignition feed circuit terminal (engine harness side) and a known good ground.

Ensure the ignition is On while the engine is Off.

Is the test lamp illuminated?

--

Go to Step 9

Go to Step 10

7

  1. Turn the ignition Off.
  2. Remove the jumpers from the HO2S terminals.
  3. Disconnect the PCM connector containing the HO2S High and Low circuits.
  4. Using DMM J 39200 measure the continuity of the HO2S High signal circuit and then the HO2S Low circuit between the PCM connector terminal and the HO2S connector terminal (engine harness side).

Is the individual resistance of both circuits less than the value specified?

5 ohms

Go to Step 12

Go to Step 11

8

Replace the HO2S. Refer to Heated Oxygen Sensor Replacement .

Is the action complete?

--

Go to Step 14

--

9

Repair the open HO2S heater ground circuit.

Is the action complete?

--

Go to Step 14

--

10

Repair the lack of power on the HO2S heater ignition feed circuit.

If the fuse is blown repair the short to ground on the circuit. A blown fuse or lack of power to the fuse may cause other DTCs or symptoms to be present.

Is the action complete?

--

Go to Step 14

--

11

Repair the circuit that measured high resistance.

Is the action complete?

--

Go to Step 14

--

12

  1. Check for proper PCM terminal contact.
  2. Repair PCM terminals as necessary.

Was a PCM terminal repair made?

--

Go to Step 14

Go to Step 13

13

Replace the PCM. Refer to Powertrain Control Module Replacement/Programming .

Is the action complete?

--

Go to Step 14

--

14

Important: The HO2S must be cool before proceeding with diagnosis. The Ignition must remain Off for at least one half hour before proceeding with diagnosis.

  1. Connect a scan tool.
  2. Set-up the scan tool with the proper vehicle identification information prior to turning the ignition On.
  3. Turn the ignition On and as quickly as possible observe and record the HO2S voltage for the sensor that applies to this DTC.
  4. The ignition is On and the engine is Off.

  5. Monitor the HO2S voltage for two minutes.
  6. The ignition is On and the engine is Off.

Does the HO2S voltage increase or decrease from the initial voltage by at least the value specified?

150 mV

Go to Step 15

Go to Step 4

15

Review Captured Info using the scan tool.

Are there any DTCs that have not been diagnosed?

--

Go to the applicable DTC table

System OK