GM Service Manual Online
For 1990-2009 cars only

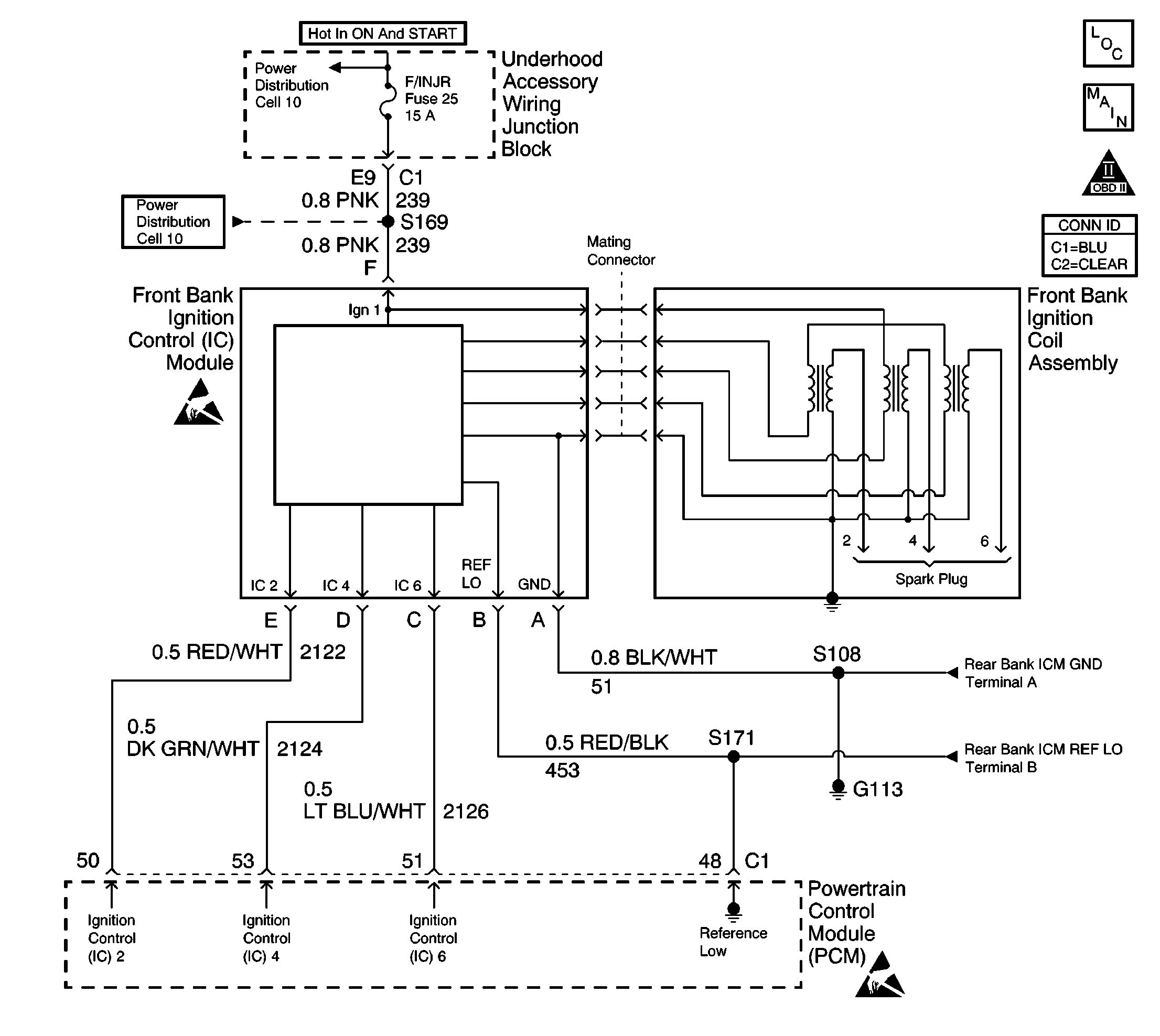
Object Number: 293681  Size: LF
Front Bank ICM, Rear Bank ICM
Engine Controls Components
OBD II Symbol Description Notice
ESD Notice

Circuit Description

The ignition system on this engine uses an individual ignition coil for each cylinder. An ignition coil assembly consisting of three coils and an ignition control module (ICM), is located in the center of each cam cover. This arrangement allows the ignition coil to connect directly to the spark plug using only a boot. This eliminates the need for secondary ignition wires. There are separate ignition modules for bank 1 and for bank 2. Each module controls the three ignition coils for that bank of cylinders. The powertrain control module (PCM) controls ignition module operation. There are six ignition control (IC) circuits, one per cylinder, that connect the PCM and the ignition modules. The ignition modules also have a power feed, a chassis ground circuit, and a reference low circuit each. The PCM causes spark to occur by pulsing the IC circuit, which signals the ignition module to trigger the ignition coil and fire the spark plug. Sequencing and timing are PCM controlled.

Conditions for Running the DTC

    • The ignition voltage is between 9.0-17.0 volts.
    • The conditions are met for less than 1.0 second.

Conditions for Setting the DTC

The PCM detects an incorrect voltage potential on the ignition control circuit.

Action Taken When the DTC Sets

    • The PCM illuminates the malfunction indicator lamp (MIL) on the second consecutive ignition cycle that the diagnostic runs and fails.
    • The PCM records the operating conditions at the time the diagnostic fails. The first time the diagnostic fails, the PCM stores this information in the Failure Records. If the diagnostic reports a failure on the second consecutive ignition cycle, the PCM records the operating conditions at the time of the failure. The PCM writes the conditions to the Freeze Frame and updates the Failure Records.

Conditions for Clearing the MIL/DTC

    • The PCM turns the MIL Off after three consecutive drive trips that the diagnostic runs and does not fail.
    • A last test failed (current DTC) clears when the diagnostic runs and does not fail.
    • A History DTC clears after forty consecutive warm-up cycles, if this or any other emission related diagnostic does not report any failures.
    • Use a scan tool in order to clear the MIL/DTC.
    • Interrupting the PCM battery voltage may or may not clear DTCs. This practice is not recommended. Refer to Powertrain Control Module (PCM) Description , Clearing Diagnostic Trouble Codes.

Diagnostic Aids

Notice: Use the connector test adapter kit J 35616-A for any test that requires probing the following items:

   • The PCM harness connectors
   • The electrical center fuse/relay cavities
   • The component terminals
   • The component harness connector
Using this kit will prevent damage caused by the improper probing of connector terminals.

If the problem is intermittent, refer to Intermittent Conditions .

Test Description

Number(s) below refer to the step number(s) on the diagnostic table.

  1. With no fault detected, the scan tool will display OK continuously. If a fault is detected, the display may fluctuate between OK and Fault, or display Fault continuously. If Fault is displayed, even momentarily, this should be considered fault present.

  2. Refer to the system mechanization for the fuses which supply these circuits.

Step

Action

Value(s)

Yes

No

1

Did you perform the Powertrain On-Board Diagnostic (OBD) System Check?

--

Go to Step 2

Go to the Powertrain On Board Diagnostic (OBD) System Check

2

  1. Start and idle engine. If the engine will not start, go to Engine Cranks but Does Not Run
  2. Using the scan tool monitor the Ignition Control status for this cylinder.

Does the scan tool continuously indicate OK?

--

Refer to Diagnostic Aids.

Go to Step 3

3

Is an entire bank of cylinders inoperative?

--

Go to Step 4

Go to Step 8

4

Are the ignition system fuses OK?

--

Go to Step 5

Go to Step 12

5

  1. Turn the key to Off.
  2. Disconnect the harness connector from the Ignition Control module for the affected cylinders.
  3. Turn the key to On.
  4. Using test light J 35616-200 connected to ground, probe the ignition feed circuit in the Ignition Control module harness.

Does the test light illuminate?

--

Go to Step 6

Go to Step 13

6

Connect test light J 35616-200 between the ignition feed circuit and the ground circuit in the Ignition Control module harness.

Does the test light illuminate?

--

Go to Step 7

Go to Step 14

7

Using DMM J 39200 measure the resistance between the ground circuit and the Reference Low circuit in the Ignition Control module harness connector.

Does the DMM display the value shown (or lower)?

5 Ohms

Go to Step 8

Go to Step 15

8

Important: Remove the Fuel Pump fuse before proceeding. Running or cranking the engine with an Ignition Control module disconnected will cause excessive engine fueling if the fuel pump is not disabled.

  1. Turn the key to Off.
  2. Remove the Fuel Pump fuse.
  3. Disconnect the Ignition Control module harness connector.
  4. Connect DMM J 39200 between the Ignition Control circuit for the affected cylinder and ground.
  5. Set the DMM to AC Hertz.
  6. Measure the frequency on the Ignition Control circuit for the affected cylinder while cranking the engine.

Is the frequency within the specified range?

2 - 20 Hz

Go to Step 19

Go to Step 9

9

  1. Turn the key to On, with the engine off.
  2. Using DMM J 39200 , measure voltage on the affected Ignition Control circuit.

Is voltage greater than the specified value?

1.0 V

Go to Step 18

Go to Step 10

10

  1. Turn the key to Off.
  2. Disconnect the PCM.
  3. Using DMM J 39200 , check continuity of the Ignition Control circuit from the PCM harness connector to the Ignition Control module harness connector.

Does the DMM display the value shown (or lower)?

5 Ohms

Go to Step 11

Go to Step 16

11

Using DMM J 39200 , check for continuity between the Ignition Control circuit and ground.

Does the DMM display the value shown (or lower)?

5 Ohms

Go to Step 17

Go to Step 23

12

Check for a short to ground in the Ignition Control module ignition feed circuit.

Was a problem found and corrected?

--

Go to Step 26

Go to Step 21

13

Repair open Ignition Control module ignition feed circuit.

Is the action complete?

--

Go to Step 26

--

14

Repair open Ignition Control module ground circuit.

Is the action complete?

--

Go to Step 26

--

15

Repair open/high resistance Ignition Control module Reference Low circuit.

Is the action complete?

--

Go to Step 26

--

16

Repair open/high resistance in the Ignition Control circuit.

Is the action complete?

--

Go to Step 26

--

17

Repair Ignition Control circuit shorted to ground.

Is the action complete?

--

Go to Step 26

--

18

Repair Ignition Control circuit shorted to voltage.

Is the action complete?

--

Go to Step 26

--

19

  1. Turn the key to Off.
  2. Using DMM J 39200, check for continuity between the affected Ignition Control circuit and all other IC circuits.

Is continuity indicated?

--

Go to Step 20

Go to Step 21

20

Repair Ignition Control circuits that are shorted together.

Is the action complete?

--

Go to Step 26

--

21

Check for poor connections/terminal tension at the Ignition Control module harness connector. Refer to Intermittents and Poor Connections Diagnosis .

Was a problem found and corrected?

--

Go to Step 26

Go to Step 22

22

  1. Remove the Ignition Control Module from the coil assembly. If the mating connector and seal came off with the module, remove these from the module and install them onto the coil assembly (with the mating connector removed, the module will have a female connector cavity with male pins).
  2. Reconnect the harness to the Ignition Control Module.
  3. Connect Ignition Noid Light J 43298 to the module.
  4. Crank the engine and observe the LEDs on the tester.

Do the LEDs flash for all three cylinders?

--

Refer to Diagnostic Aids.

Go to Step 23

23

Replace the Ignition Control module. Refer to Ignition Control Module Replacement .

Is the action complete?

--

Go to Step 26

--

24

Check for poor connections/terminal tension at the PCM harness connector. Refer to Intermittents and Poor Connections Diagnosis .

Was a problem found and corrected.

--

Go to Step 26

Go to Step 25

25

Replace the PCM. Refer to Powertrain Control Module Replacement/Programming .

Is the action complete?

--

Go to Step 26

--

26

  1. Clear DTCs with the scan tool.
  2. Turn the key to Off and wait 15 seconds
  3. Operate vehicle within the conditions that are required for this diagnostic to run. Refer to Conditions for Running the DTC.

Does the scan tool indicate that this test ran and passed?

--

Go to Step 27

Go to Step 2

27

Review Captured Info using the scan tool.

Are there any DTCs that have not been diagnosed?

--

Go to the applicable DTC table

System OK