GM Service Manual Online
For 1990-2009 cars only
Makes
🢒
Oldsmobile
🢒
2000
🢒
Intrigue
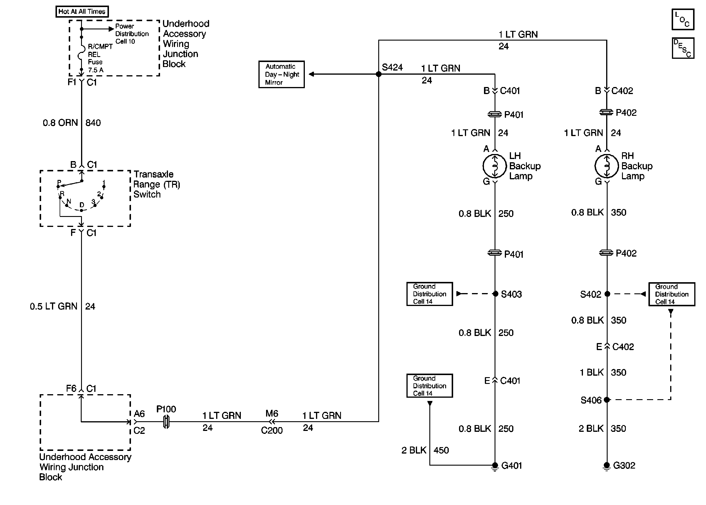
🢒 Cell 112: Power, Transaxle Range Switch, Backup Lamps
Cell 112: Power, Transaxle Range Switch, Backup Lamps
Cell 112: Power, Transaxle Range Switch, Backup Lamps
Lighting Systems Components
Backup Lamp Circuit Description
Cell 14: RH Body Harness Ground G302
Cell 14: LH Rear Compartment Ground G401
Cell 14: LH Rear Compartment Ground G401
Cell 148
Cell 10: A/C CLU, ECM, F/PMP, GEN, HORN, and R/CMPT Fuses