GM Service Manual Online
For 1990-2009 cars only
Makes
🢒
Oldsmobile
🢒
2000
🢒
Intrigue
🢒 Cell 148
Cell 148
Cell 148
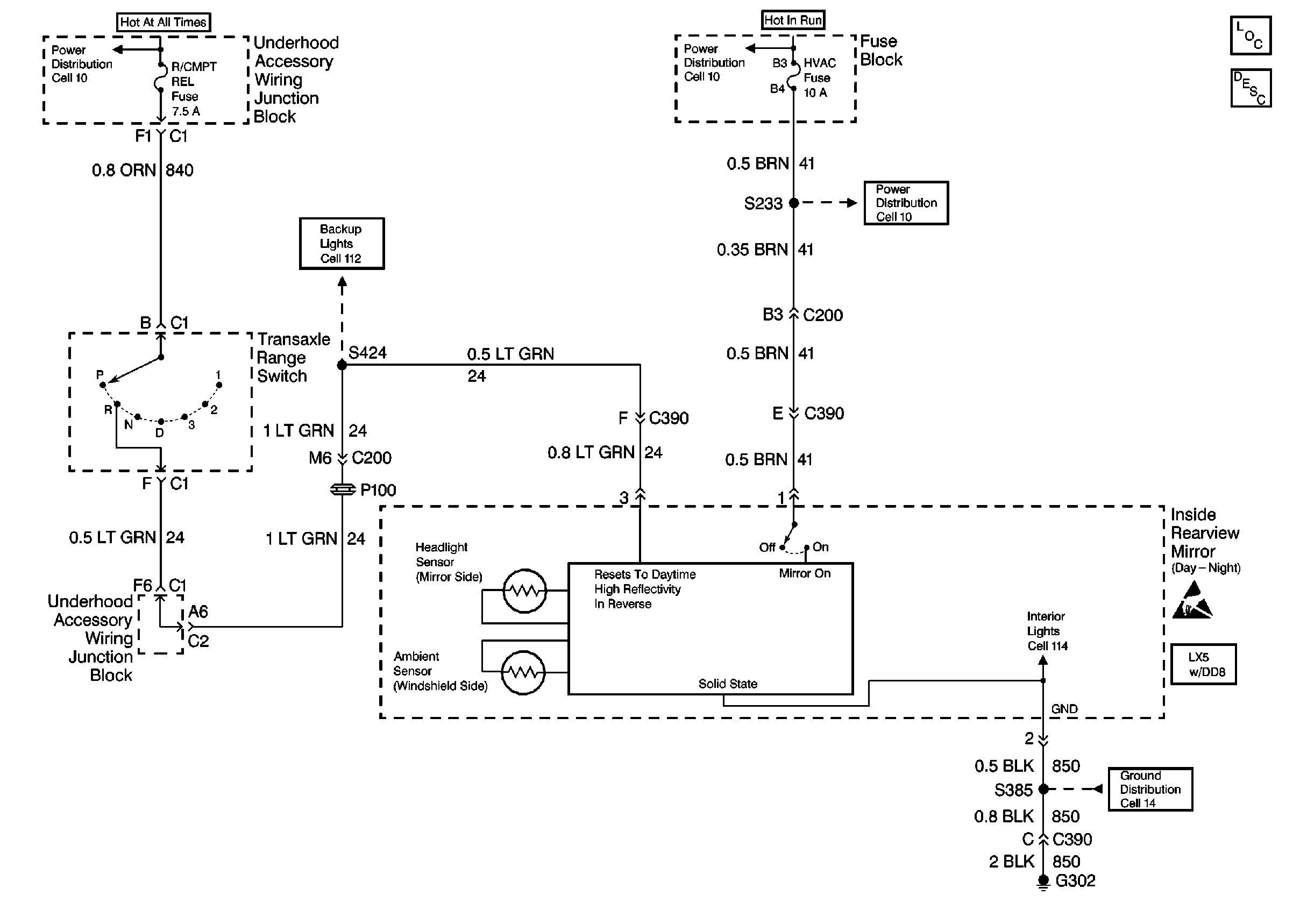
Stationary Windows Components
Automatic Transmission Shift Lock Control Circuit Description
Cell 10: CRUISE, HVAC, and LOW BLOWER Fuses
Cell 112: Power, Transaxle Range Switch, Backup Lamps
Cell 10: A/C CLU, ECM, F/PMP, GEN, HORN, and R/CMPT Fuses
Cell 14: RH Body Harness Ground G302
Handling ESD Sensitive Parts Notice
Cell 10: CRUISE, HVAC, and LOW BLOWER Fuses