GM Service Manual Online
For 1990-2009 cars only
Makes
🢒
Oldsmobile
🢒
2000
🢒
Intrigue
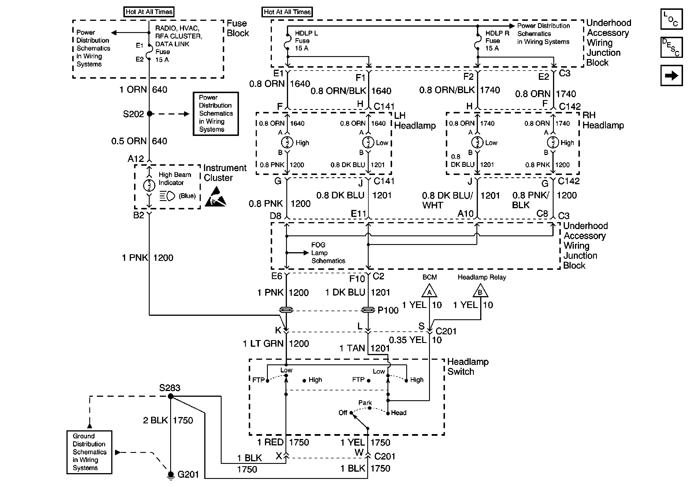
🢒 Headlamp Switch, Instrument Cluster and Headlamps
Headlamp Switch, Instrument Cluster and Headlamps
Headlamp Switch, Instrument Cluster and Headlamps
Ground G201
Radio/HVAC/RFA/Cluster/DATA Link, Cigar LTR./AUX Power and CD Changer Fuses
Handling ESD Sensitive Parts Notice
Headlamp Switch, Instrument Cluster and Headlamps
BCM and Headlamp Relay
BCM and Headlamp Relay
Engine MaxiFuses, Underhood Fuses and Ignition Main Relay
Lighting Systems Components
Headlights/Daytime Running Lights (DRL) Circuit Description
BCM and Headlamp Relay