GM Service Manual Online
For 1990-2009 cars only
Makes
🢒
Oldsmobile
🢒
2000
🢒
Intrigue
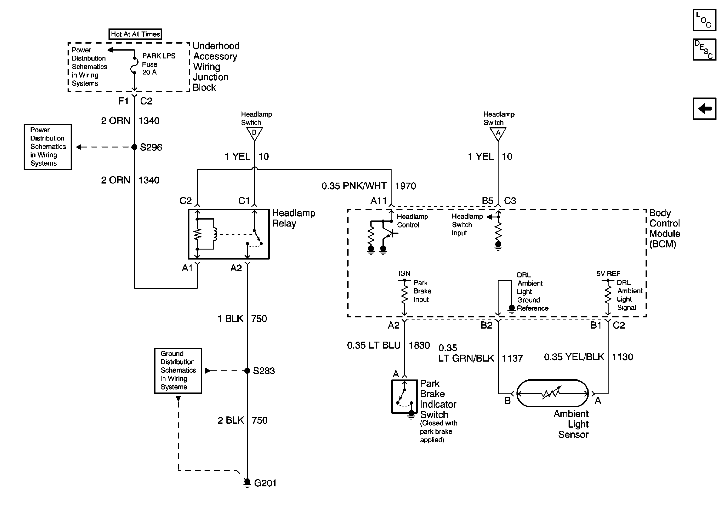
🢒 BCM and Headlamp Relay
BCM and Headlamp Relay
BCM and Headlamp Relay
Parklamp and Headlamp Fuses
Parklamp and Headlamp Fuses
Ground G201
Headlamp Switch, Instrument Cluster and Headlamps
Headlamp Switch, Instrument Cluster and Headlamps
Lighting Systems Components
Headlights/Daytime Running Lights (DRL) Circuit Description
Headlamp Switch, Instrument Cluster and Headlamps