GM Service Manual Online
For 1990-2009 cars only

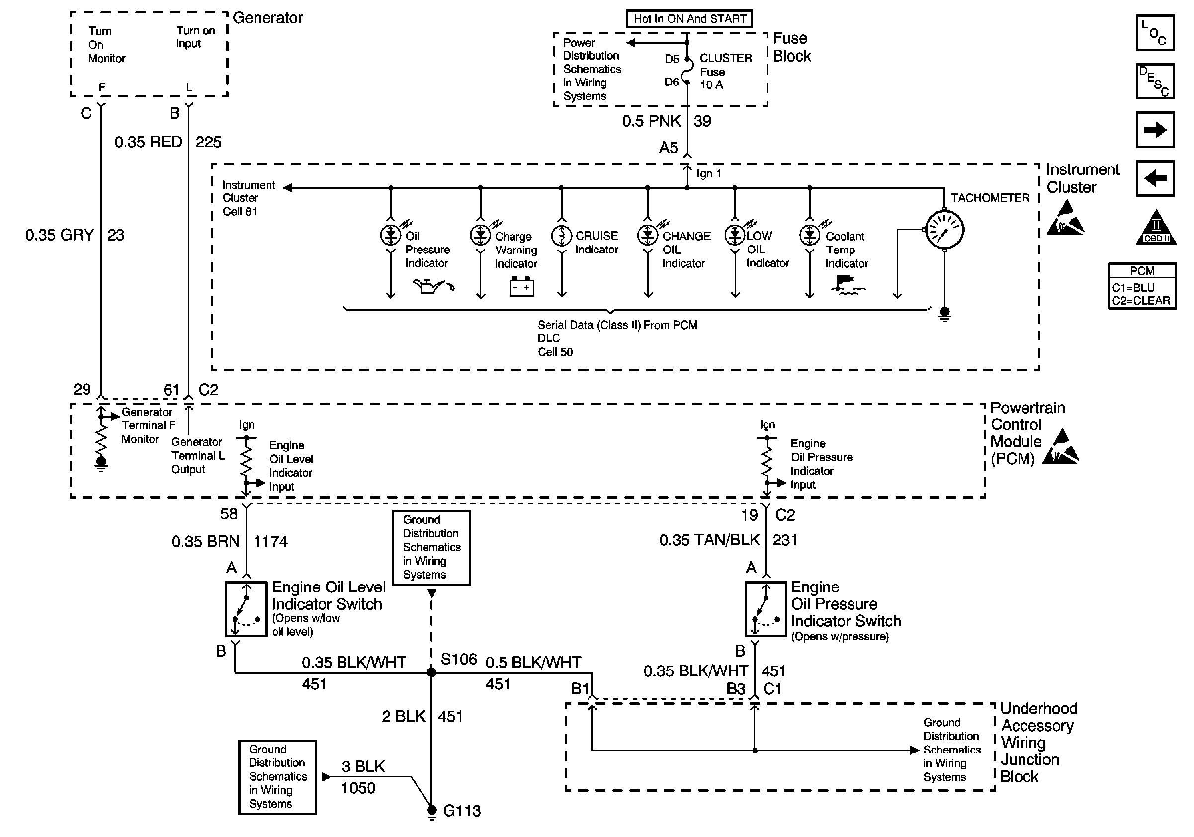
Refer to Engine Controls Schematics

PCM Engine Oil Level and Pressure Inputs


Object Number: 590105  Size: FS
Turn Signal/Corn Lps, Air Bag, Cluster
Ground G113
Ground G113
Ground G117
Handling ESD Sensitive Parts Notice
Handling ESD Sensitive Parts Notice
Engine Controls Component Views
Powertrain Control Module Description
PCM Automatic Transaxle Inputs
PCM Emission Inputs
OBD II Symbol Description Notice
.

Circuit Description

The powertrain control module (PCM) uses the L-terminal circuit to control the generator. A high side driver within the PCM allows the PCM to turn the generator ON and OFF. When generator operation is desired, the PCM sends a 5 volt signal to the voltage regulator via the L-terminal circuit. This causes the voltage regulator to begin controlling the generator field circuit. Once the generator is enabled by the PCM, the voltage regulator controls generator output independently of the PCM. Under certain operating conditions, the PCM can turn OFF the generator by turning OFF the 5 volt signal on the L-terminal circuit. The PCM has fault detection circuitry which monitors the state of the L-terminal circuit. If the fault detection circuit senses a voltage other than what is expected, this diagnostic trouble code (DTC) will set. The voltage regulator also contains fault detection circuitry. If the regulator detects a problem, the regulator will ground the L-terminal circuit, pulling the voltage low. This also causes the PCM to set the DTC.

The PCM receives generator output, or electrical load, feedback via the F-terminal circuit. The voltage regulator generates a pulse width modulation (PWM) signal on the field control circuit. The regulator varies the pulse width of this signal in order to control generator output. This signal is also sent to the PCM via the F-terminal circuit. The pulse width of the signal is proportional to generator output. The PCM expects generator output to be within a predetermined range under certain operating conditions. If the PCM detects that the PWM signal on the F-terminal circuit is not within the expected range, this DTC will set.

When this DTC sets, the PCM sends a class 2 serial data message to the instrument panel (IP) illuminating the charge indicator lamp.

Conditions for Running the DTC

The engine is running.

Conditions for Setting the DTC

    • The L-terminal voltage is low while the PCM is commanding the generator ON.
    • The above condition is present for more than 30 seconds.

OR

    • The F-terminal PWM is less than 5 percent.
    • The engine RPM is less than 2,500.
    • The above conditions are present for more than 30 seconds.

Action Taken When the DTC Sets

    • The powertrain control module (PCM) stores the DTC information into memory when the diagnostic runs and fails.
    • The malfunction indicator lamp (MIL) will not illuminate.
    • The PCM records the operating conditions at the time the diagnostic fails. The PCM stores this information in the Failure Records.

Conditions for Clearing the MIL/DTC

    • A History DTC will clear after 40 consecutive warm-up cycles, if no failures are reported by this or any other non-emission related diagnostic.
    • The current DTC will clear when the diagnostic runs and does not fail.
    • Use a scan tool in order to clear the MIL diagnostic trouble code.
    • Interrupting the PCM battery voltage may or may not clear DTCs. This practice is not recommended. Refer to Powertrain Control Module Description , Clearing Diagnostic Trouble Codes.

Diagnostic Aids

Notice: Use the connector test adapter kit J 35616-A for any test that requires probing the following items:

   • The PCM harness connectors
   • The electrical center fuse/relay cavities
   • The component terminals
   • The component harness connector
Using this kit will prevent damage caused by the improper probing of connector terminals.

If the problem is intermittent, refer to Intermittent Conditions .

Test Description

The numbers below refer to the step numbers on the diagnostic table.

  1. This vehicle is equipped with a PCM that utilizes and electrically erasable programmable read only memory (EEPROM). When the PCM is being replaced, the new PCM must be programmed.

Step

Action

Values

Yes

No

1

Did you perform the Powertrain On-Board Diagnostic (OBD) System Check?

--

Go to Step 2

Go to Powertrain On Board Diagnostic (OBD) System Check

2

With the engine running, monitor Generator PWM using the scan tool.

Does the scan tool indicate that the Generator PWM is within the indicated range?

5-95%

Go to Step 3

Go to Step 4

3

Turn the generator OFF using the scan tool.

Does the scan tool indicate that the Generator PWM is now at the specified value?

0%

Go to Diagnostic Aids

Go to Step 4

4

  1. Turn OFF the ignition.
  2. Disconnect the generator harness connector.
  3. Connect a DMM between the L-terminal circuit at the harness connector and a known good ground.
  4. Start the engine.
  5. Command the generator ON and OFF with the scan tool while monitoring the DMM.

Is the voltage at the first value with the generator OFF and then change to the second value with the generator ON?

0.0 V

5.0 V

Go to Step 5

Go to Step 6

5

  1. Turn ON the ignition, with the engine OFF.
  2. Connect a test lamp to battery positive voltage, and repeatedly probe the F-terminal circuit in the harness connector, while monitoring the Generator PWM on the scan tool.

Is the Generator PWM display affected?

--

Go to Step 8

Go to Step 7

6

  1. Turn the ignition to OFF.
  2. Disconnect the PCM.
  3. Check the L-terminal circuit for an open circuit, a short to ground, or a short to voltage and repair as necessary. Refer to Wiring Repairs in Wiring Systems.

Was a problem found and corrected?

--

Go to Step 11

Go to Step 9

7

  1. Turn the ignition to OFF.
  2. Disconnect the PCM.
  3. Check the F-terminal circuit for an open circuit, a short to ground or a short to voltage and repair as necessary. Refer to Wiring Repairs in Wiring Systems.

Was a problem found and corrected?

--

Go to Step 11

Go to Step 9

8

Check for poor connections and terminal tension at the generator. Refer to Testing for Intermittent Conditions and Poor Connections in Wiring Systems.

Was a problem found and corrected?

--

Go to Step 11

Go to Diagnostic System Check - Engine Electrical in Engine Electrical

9

Check for poor connections and terminal tension at the PCM. Refer to Testing for Intermittent Conditions and Poor Connections in Wiring Systems.

Was a problem found and corrected?

--

Go to Step 11

Go to Step 10

10

Important: The replacement PCM must be programmed.

Replace the PCM. Refer to Powertrain Control Module Replacement/Programming .

Is the action complete?

--

Go to Step 11

--

11

  1. Review and record scan tool Fail Records data.
  2. Clear the DTCs.
  3. Operate the vehicle within Fail Records conditions as noted.
  4. Using a scan tool, monitor Specific DTC info for this DTC.

Does the scan tool indicate that this DTC failed this ignition?

--

Go to Step 2

System OK