GM Service Manual Online
For 1990-2009 cars only
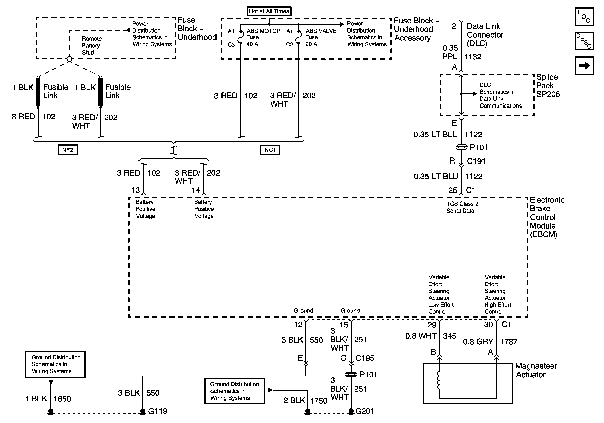
Figure 1:

Variable Effort Steering Actuator


Object Number: 675319  Size: FS
Master Electrical Component List original
Variable Effort Steering System Description and Operation
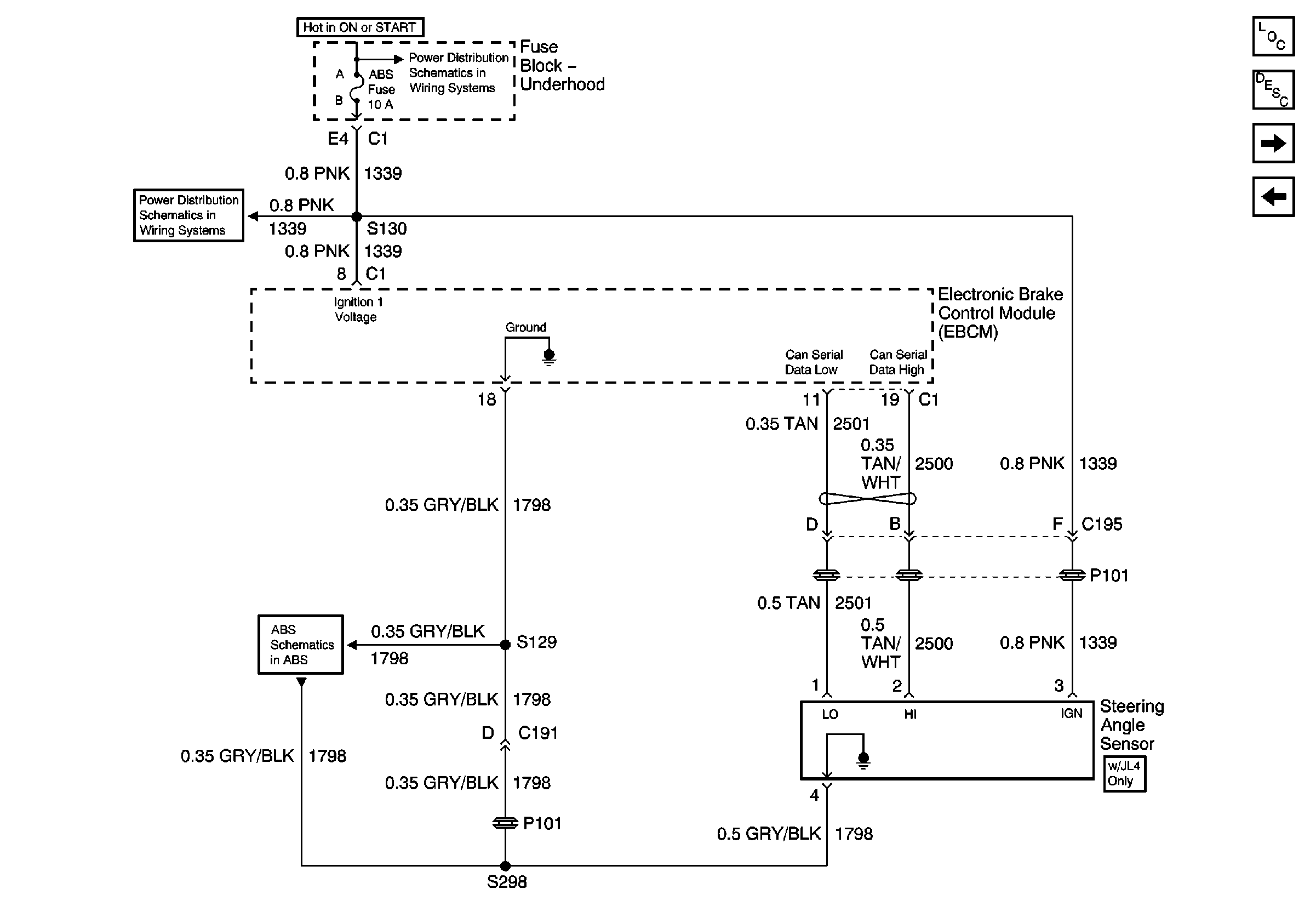
Steering Position Sensor W/JL4 Only
Fusible Link, AIR Pump Relay, ABS Motor, ABS Valve and AIR Pump Fuses
Battery, MaxiFuses, Fusible Link, CRANK, FOG, A/C CLU, R/CMPT, R/PMP, HORN, and IGN Main Relays
01 W-Car Olds: Data LInk Communications (Data LInk Connector)
Grounds G113, G117, G119
Ground G201
Figure 2:

Steering Position Sensor W/JL4 Only


Object Number: 675322  Size: FS
Master Electrical Component List original
Variable Effort Steering System Description and Operation
Wheel Speed Sensors
Variable Effort Steering Actuator
TRANS, ABS, and OXY SEN Fuses
TRANS, ABS, and OXY SEN Fuses
Yaw and Lateral, Brake Pressure, and Steering Angle Sensors
Figure 3:

Wheel Speed Sensors


Object Number: 675326  Size: FS
Master Electrical Component List original
Variable Effort Steering System Description and Operation
Steering Position Sensor W/JL4 Only