GM Service Manual Online
For 1990-2009 cars only
Makes
🢒
Oldsmobile
🢒
2001
🢒
Intrigue
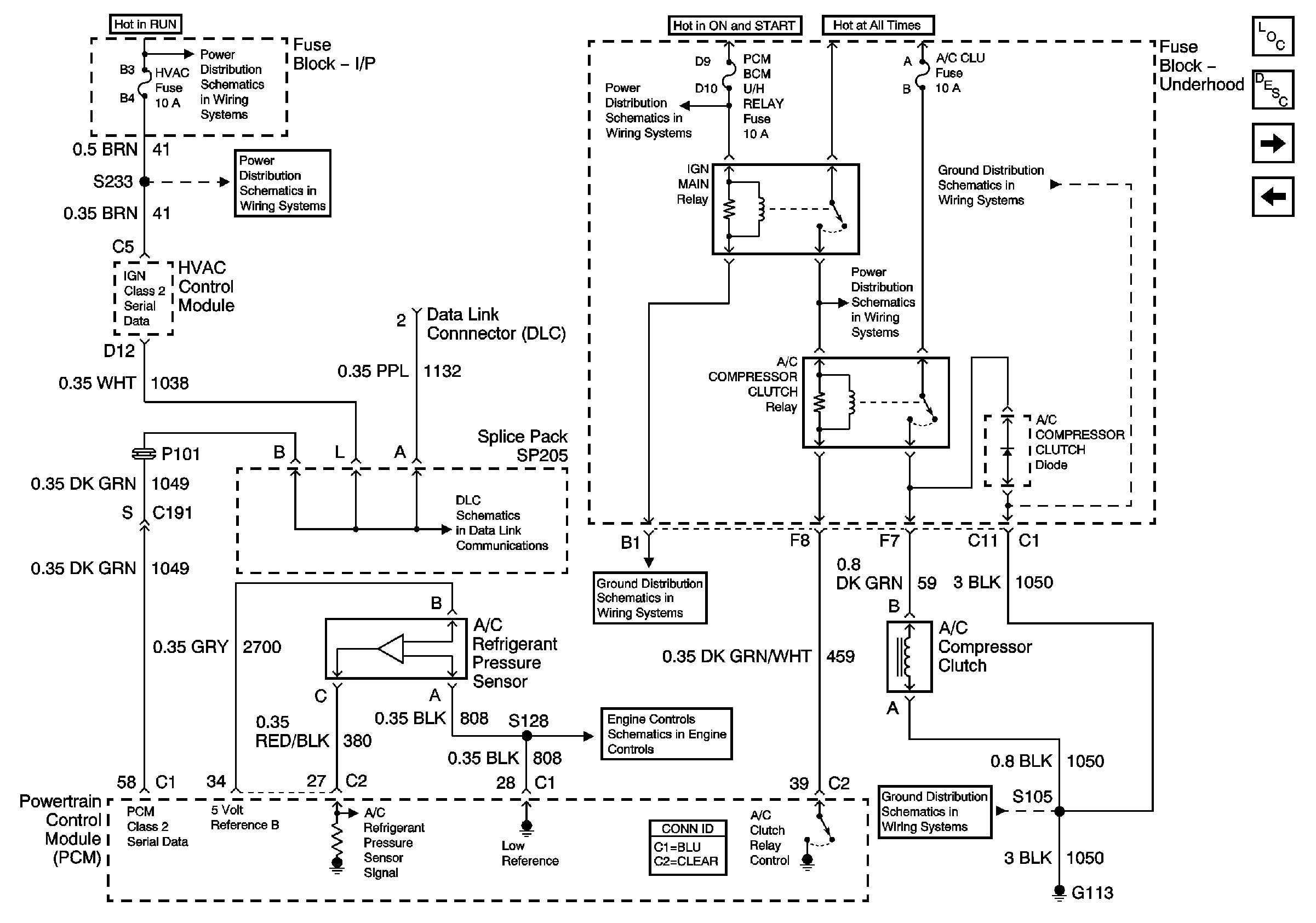
🢒 Compressor Control
Compressor Control
Compressor Control
Master Electrical Component List original
Air Temperature Description and Operation
Grounds G113, G117, G119
COOL Fan 1, COOL Fan 2, Cool Fan 3, A/C CLU, IGN Main, and AIR Pump Relays
BTSI, Turn Signals/CORN LPS, Air Bag, Cluster, PCM/BCM/Crank/IGN Fuses
Low Blower, Cruise and HVAC Fuses
Low Blower, Cruise and HVAC Fuses
01 W-Car Olds: Data LInk Communications (Data LInk Connector)
Ground G113
A/C, TP, MAP, ECT and IAT Sensors
Grounds G113, G117, G119