GM Service Manual Online
For 1990-2009 cars only
Makes
🢒
Oldsmobile
🢒
2001
🢒
Intrigue
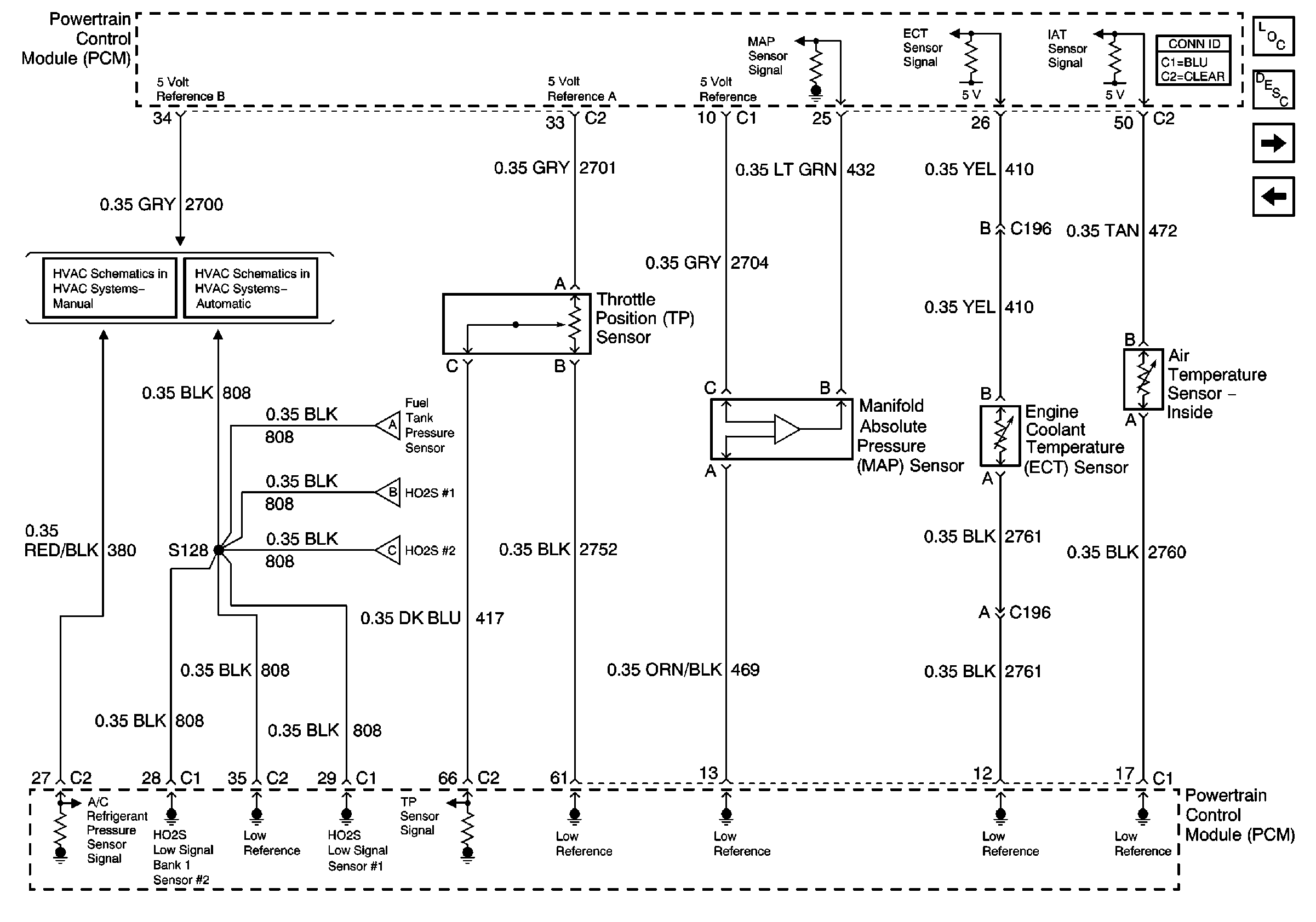
🢒 A/C, TP, MAP, ECT and IAT Sensors
A/C, TP, MAP, ECT and IAT Sensors
A/C, TP, MAP, ECT and IAT Sensors
Master Electrical Component List original
Powertrain Control Module Description
Heated O2 Sensors
Fuel Injectors
Compressor Control
Compressor Controls