GM Service Manual Online
For 1990-2009 cars only
Makes
🢒
Oldsmobile
🢒
2001
🢒
Intrigue
🢒 Fuel Injectors
Fuel Injectors
Fuel Injectors
Master Electrical Component List original
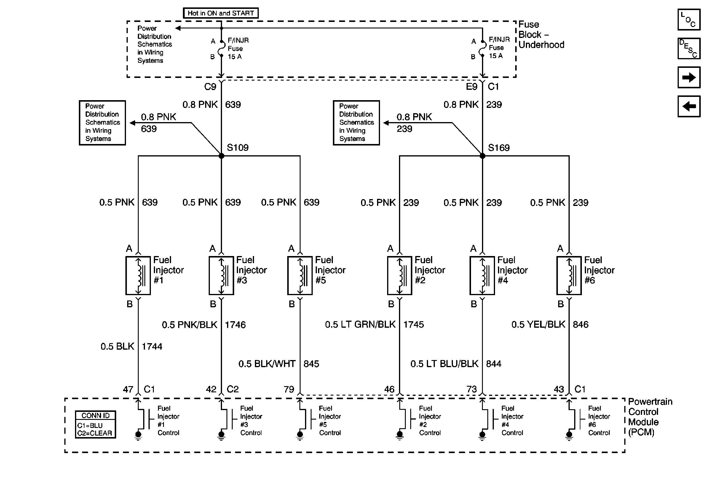
Fuel System Description
A/C, TP, MAP, ECT and IAT Sensors
01 W-Car Olds: Engine Controls (Automatic Tramsaxle Outputs)
F/INJR Fuses
F/INJR Fuses
TRANS, ABS, and OXY SEN Fuses