GM Service Manual Online
For 1990-2009 cars only
Makes
🢒
Oldsmobile
🢒
2001
🢒
Intrigue
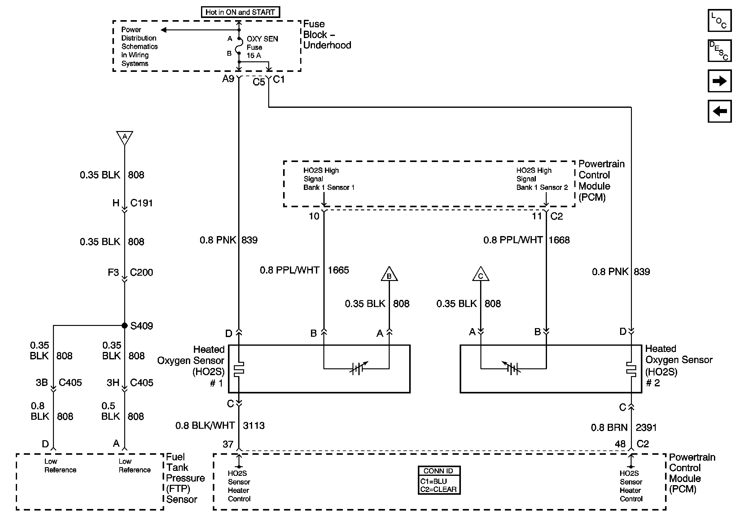
🢒 Heated O2 Sensors
Heated O2 Sensors
Heated O2 Sensors
Master Electrical Component List original
Evaporative Emission Control System Description
AIR Bypass Valve Solenoid, AIR Pump and MAF Sen
A/C, TP, MAP, ECT and IAT Sensors
TRANS, ABS, and OXY SEN Fuses