GM Service Manual Online
For 1990-2009 cars only
Makes
🢒
Oldsmobile
🢒
2001
🢒
Intrigue
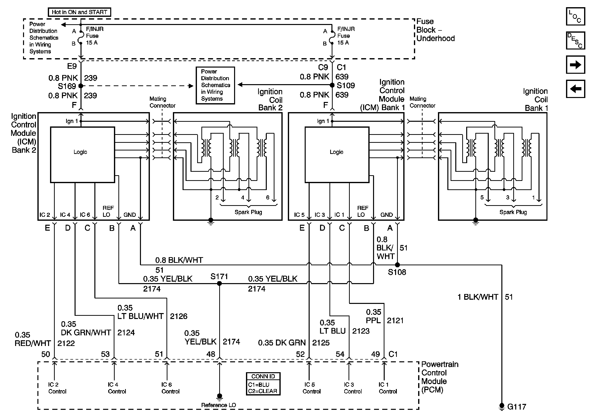
🢒 Bank 1 and Bank 2 Ignition Control Modules
Bank 1 and Bank 2 Ignition Control Modules
Bank 1 and Bank 2 Ignition Control Modules
Master Electrical Component List original
Electronic Ignition (EI) System Description
01 W-Car Olds: Engine Controls (Crankshaft and Camshaft Position Sensors)
01 W-Car Olds: Engine Controls (Powers, Grounds and DLC)
F/INJR Fuses
TRANS, ABS, and OXY SEN Fuses