GM Service Manual Online
For 1990-2009 cars only
Makes
🢒
Oldsmobile
🢒
2001
🢒
Intrigue
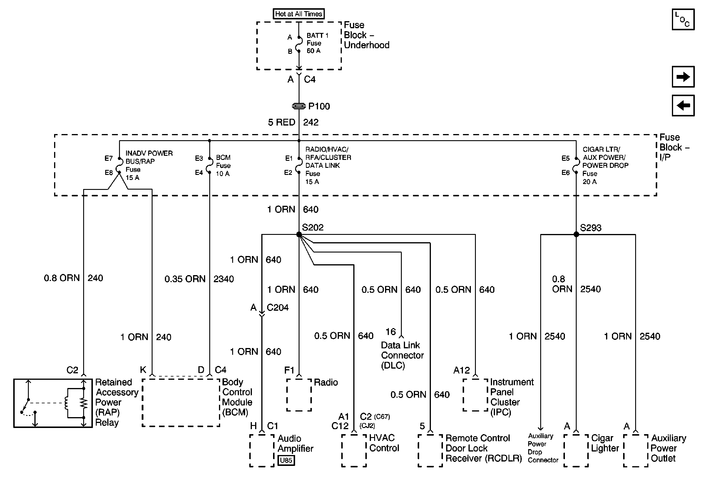
🢒 INADV POWER BUS/RAP, BCM, RADIO/HVAC/RFA/CLUSTER/DATA LINK, CIGAR LTR/AUXPOWER/POWER DROP Fuses and RAP Relay
INADV POWER BUS/RAP, BCM, RADIO/HVAC/RFA/CLUSTER/DATA LINK, CIGAR LTR/AUXPOWER/POWER DROP Fuses and RAP Relay
INADV POWER BUS/RAP, BCM, RADIO/HVAC/RFA/CLUSTER/DATA LINK, CIGAR LTR/AUX POWER/POWER DROP Fuses and RAP Relay
Master Electrical Component List original
HIGH BLOWER, HAZARD, STOP LAMPS, DOOR LOCKS, POWER MIRRORS Fuses
Fusible Link, AIR Pump Relay, ABS Motor, ABS Valve and AIR Pump Fuses