GM Service Manual Online
For 1990-2009 cars only
Makes
🢒
Oldsmobile
🢒
2002
🢒
Intrigue
🢒
Body and Accessories
🢒
Lighting Systems
🢒 Headlights/Daytime Running Lights (DRL) Schematics
Figure
1:
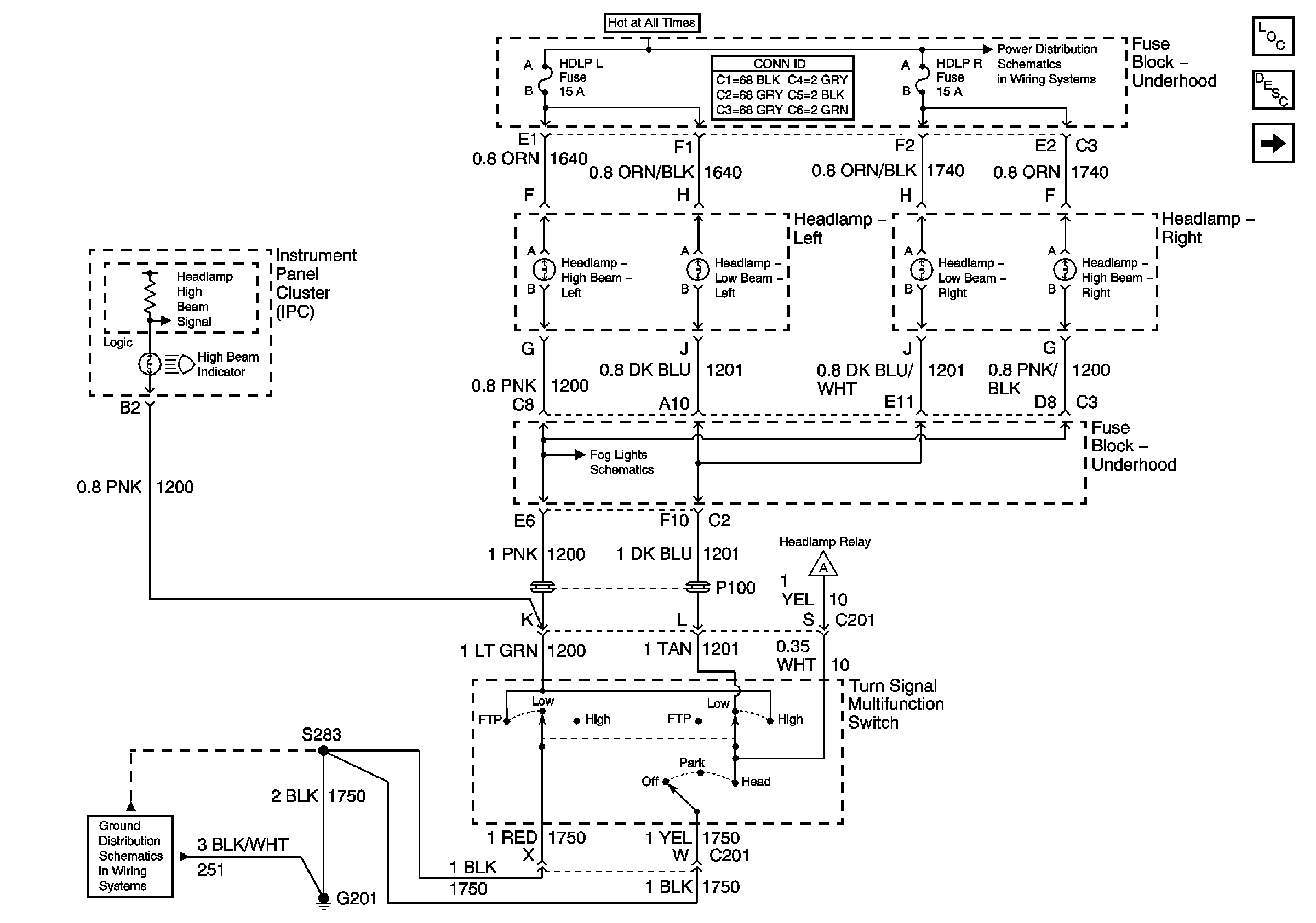
Headlamp Left, Headlamp Right, Multifunction Turn Signal Level, and High Beam Indicator
Master Electrical Component List
Exterior Lighting Systems Description and Operation
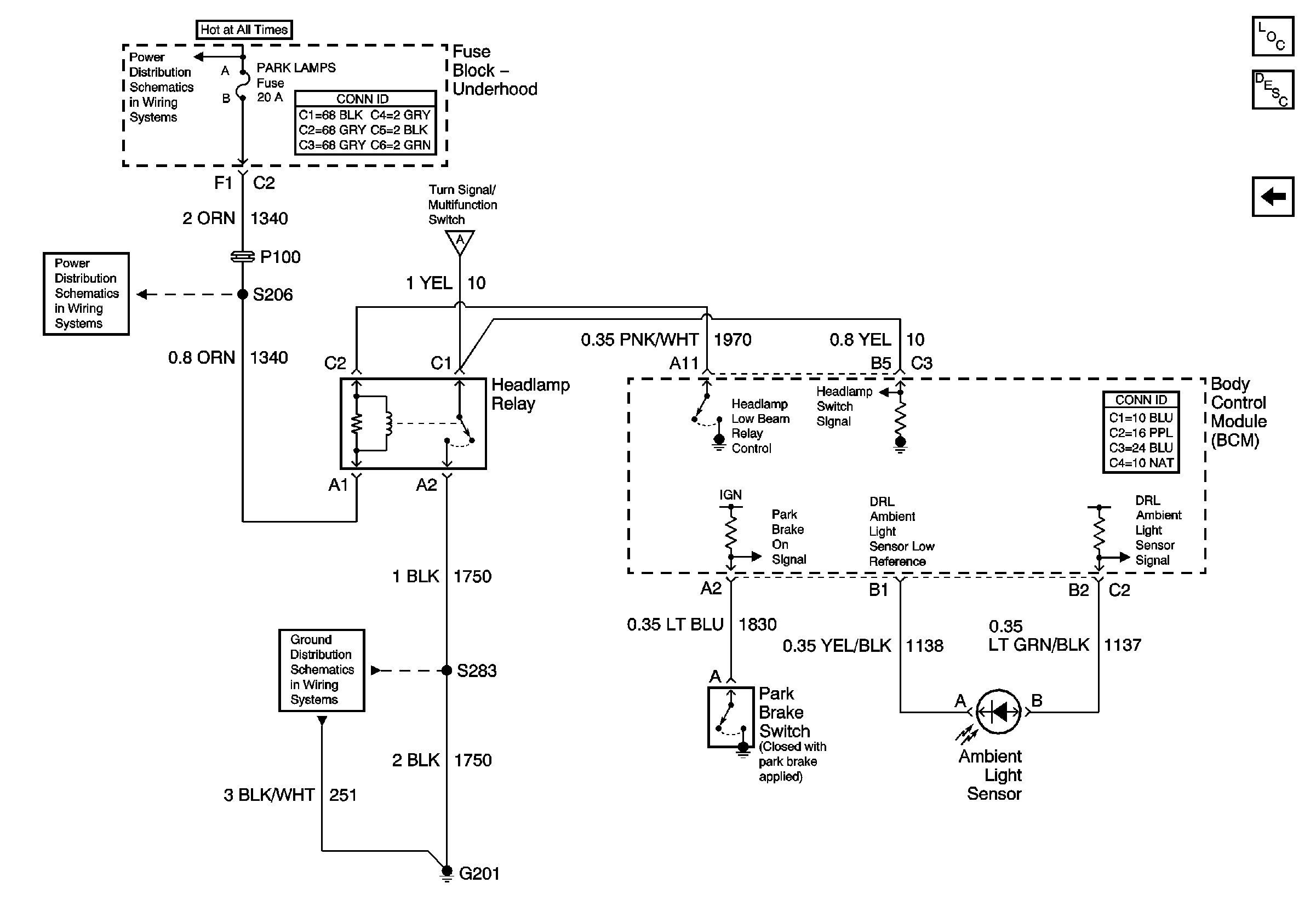
Headlamp Relay, and Ambient Light Sensor
R/CMPT RELEASE, ECM, GEN, HDLPL, and HDLPR Fuses
Fog LP-LF, Fog LP-RF, Fog LP Relay, Fog Lamp Switch
Headlamp Relay, and Ambient Light Sensor
G201
Figure
2:
Headlamp Relay, Ambient Light Sensor
Master Electrical Component List
Exterior Lighting Systems Description and Operation
HDLP-LH, HDLP-RH, Multifunction Turn Signal Lever
Fuse Block-Underhood Bussing (1 of 2)
FRONT PARK LAMPS, TAIL LAMPS/LIC LAMPS, and PANEL DIMMING Fuses (1of 3)
HDLP-LH, HDLP-RH, Multifunction Turn Signal Lever
G201