GM Service Manual Online
For 1990-2009 cars only
Makes
🢒
Oldsmobile
🢒
2002
🢒
Intrigue
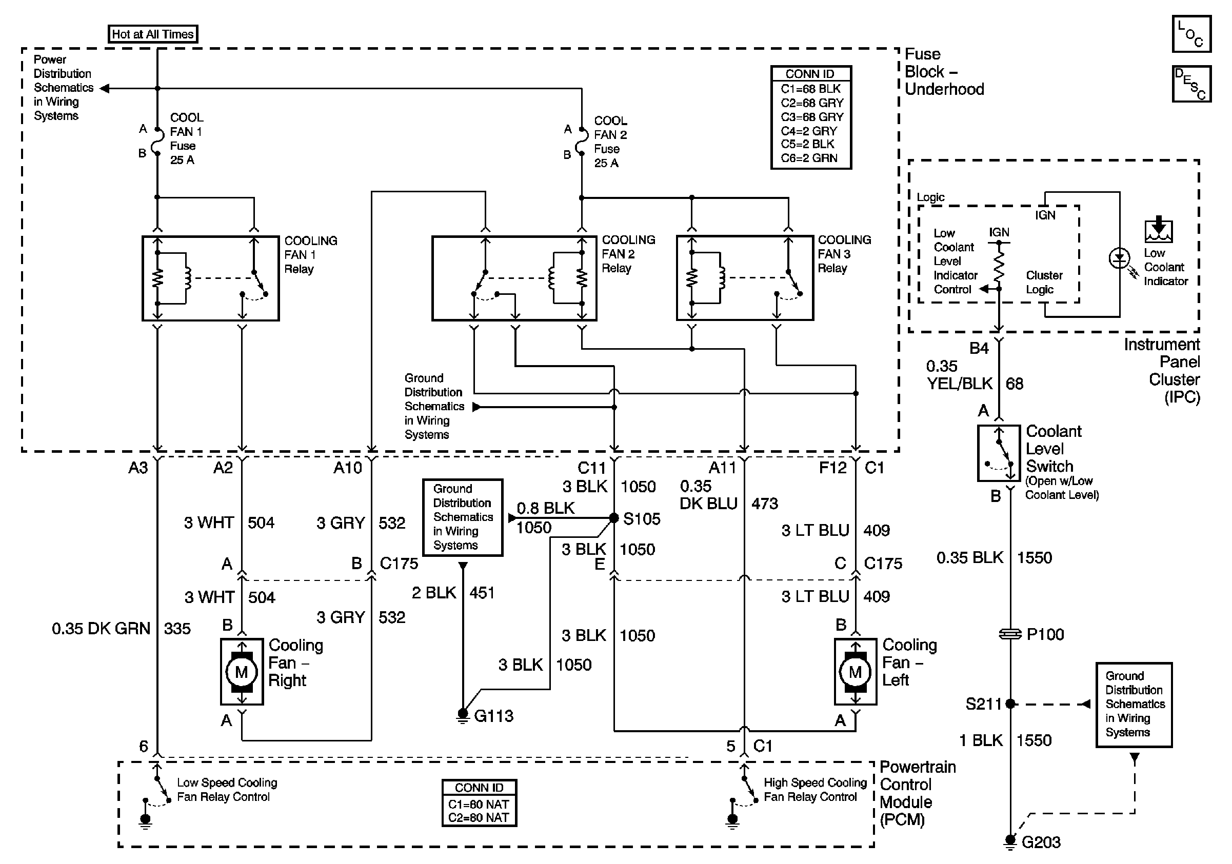
🢒 Power, Ground, Cooling Fans, Relays, and Level Switch
Power, Ground, Cooling Fans, Relays, and Level Switch
Master Electrical Component List
Cooling System Description and Operation
A/C COMPRESSOR CLUTCH, IGN MAIN, COOLING FAN 1, COOLING FAN 2, and COOLING FAN 3 Relays, COOL FAN 1, and COOL FAN 2, Fuses,
G113, G117, G119)
G113, G117, G119)
G203