GM Service Manual Online
For 1990-2009 cars only
Makes
🢒
Oldsmobile
🢒
2002
🢒
Intrigue
🢒 Instrument Panel
Instrument Panel
Instrument Panel
Master Electrical Component List
Interior Lighting Systems Description and Operation
Steering Wh, Doors, Garage Dr Opener, Console
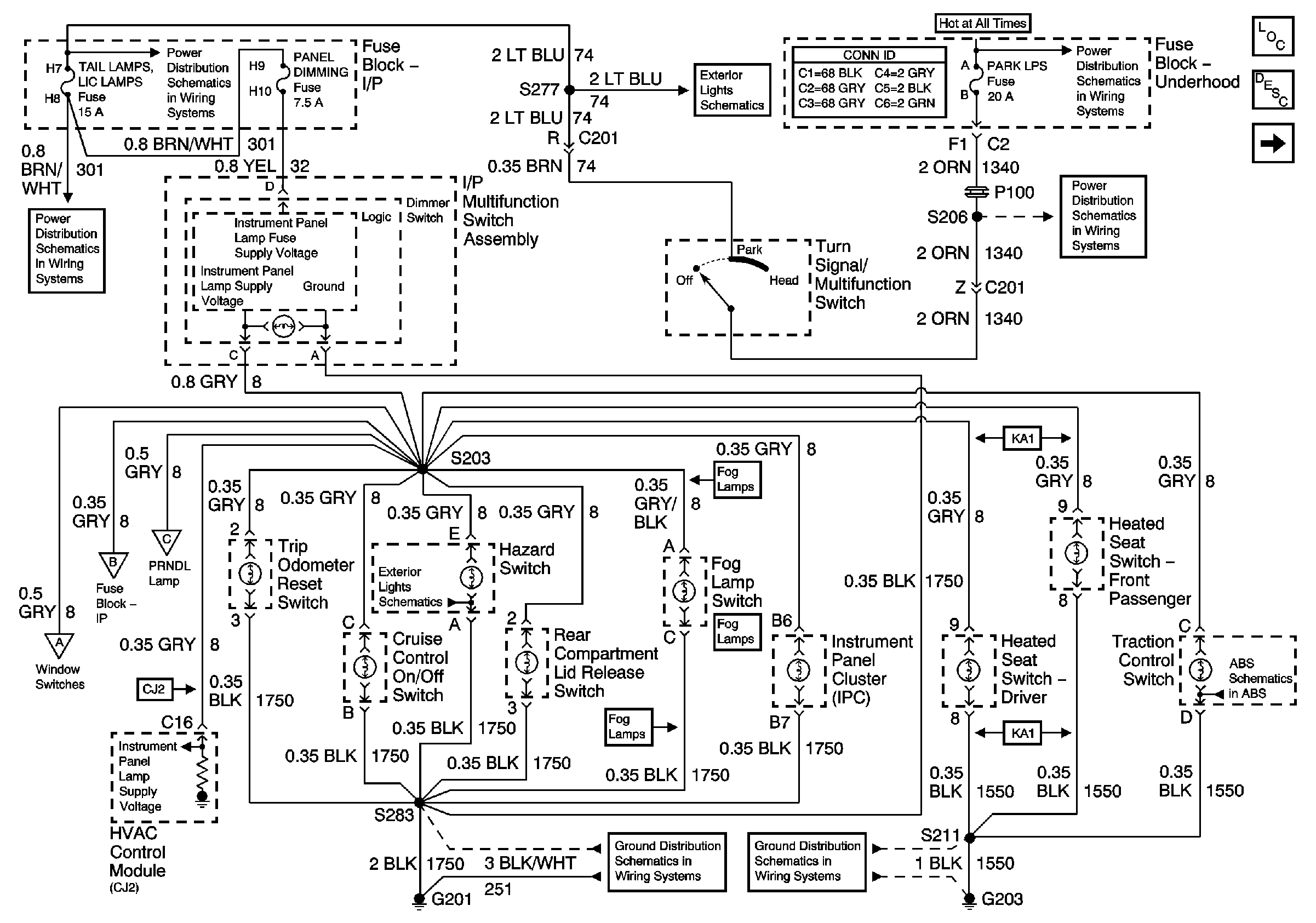
FRONT PARK LAMPS, TAIL LAMPS/LIC LAMPS, and PANEL DIMMING Fuses (1of 3)
FRONT PARK LAMPS, TAIL LAMPS/LIC LAMPS, and PANEL DIMMING Fuses (1of 3)
Park Lamps-Front
Fuse Block-Underhood Bussing (1 of 2)
FRONT PARK LAMPS, TAIL LAMPS/LIC LAMPS, and PANEL DIMMING Fuses (1of 3)
Steering Wh, Doors, Garage Dr Opener, Console
Steering Wh, Doors, Garage Dr Opener, Console
Steering Wh, Doors, Garage Dr Opener, Console
G201
G203