GM Service Manual Online
For 1990-2009 cars only

Fuel Pump Electrical Circuit Diagnosis VIN 1


Object Number: 210521  Size: LF
Engine Controls Components
Cell 20: Fuel Control (VIN 1)
OBD II Symbol Description Notice

Circuit Description

When the ignition switch is first turned ON, the PCM energizes the fuel pump relay which applies battery positive voltage to the fuel pump control module. The fuel pump relay will remain ON as long as the engine is running or cranking and the PCM is receiving reference pulses. If no reference pulses are present, the PCM de-energizes the fuel pump relay within 2 seconds after the ignition is turned ON or the engine is stopped. The fuel pump delivers fuel to the fuel rail and injectors, then to the fuel pressure regulator. The fuel pressure regulator controls fuel pressure by allowing excess fuel to be returned to the fuel tank. With the engine stopped, the fuel pump can be turned ON by using the scan tool output controls function.

The PCM alters fuel pump speed by varying the duty cycle on the fuel pump speed control PWM circuit to the fuel pump control module. Under normal conditions, the fuel pump speed control PWM circuit duty cycle is set at 33 percent. When higher fuel volume is required due to increased engine load (MAP sensor value over 90 kPa), the PCM switches the fuel pump speed control PWM circuit duty cycle to 100 percent. At the higher duty cycle, the fuel pump control module increases the voltage the in-tank fuel pump, allowing a higher volume of fuel to be delivered to the fuel rail. The PCM also compensates for low system voltage by switching the fuel pump control circuit PWM duty cycle to 100 percent.

Diagnostic Aids

An intermittent may be caused by a poor connection, rubbed through the wire insulation or a wire broken insideof the insulation.

Check for a poor connection or a damaged harness. Inspect the PCM harness and connectors for the following items:

    • Improper mating
    • Broken locks
    • Improperly formed or damaged terminals
    • Poor terminal to wire connections
    • Damaged harnesses

Test Description

Numbers below refer to the Step numbers on the Diagnostic Table:

  1. Fuel pressure between the specified values is sufficient for the vehicle to start. If directed to this table from the Engine Cranks But Will Not Run table, continue diagnosis with Engine Cranks But Will Not Run.

  2. Ensures that the fuel pump speed control PWM circuit and the PCM are capable of controlling fuel pump speed.

  3. Verifies that the fuel pump feed and ground circuits are OK between the fuel pump control module and the fuel pump, and that the fuel pump can deliver adequate pressure to the fuel rail.

  4. Checks the feed circuit to the fuel pump control module.

  5. Ensures that the fuel pump speed control PWM circuit is not shorted to ground.

  6. Checks the ignition feed circuit to the fuel pump relay contacts.

  7. Checks the ground circuit for the fuel pump relay coil.

  8. Ensures that the fuel pump relay control circuit is OK and that the PCM is capable of controlling the fuel pump relay. Using the scan tool to command the fuel pump relay allows only a 2 second ON time.

  9. Checks the fuel pump relay control circuit for a short to ground.

  10. If the fuel pump is operating but incorrect pressure is observed, the fuel pump wiring is OK and the Fuel System Pressure Test should be used for diagnosis.

  11. Determines whether the problem is being caused by an open in the fuel pump feed circuit or the fuel pump ground circuit.

  12. Ensures that the fuel pump speed control PWM circuit is OK and that the PCM can control the fuel pump speed control circuit. Using the scan tool to command the FP Speed allows only a 2 second time in the commanded state.

  13. This vehicle is equipped with a PCM which utilizes an Electrically Erasable Programmable Read Only Memory (EEPROM). When the PCM is being replaced, the new PCM must be programmed.

Fuel System Electrical Test (VIN 1)

Step

Action

Values

Yes

No

1

Was the Powertrain On-Board Diagnostic (OBD) System Check performed?

--

Go to Step 2

Go to Powertrain On Board Diagnostic (OBD) System Check

2

Are any of the following DTCs set?

    • DTC P0230.
    • DTC P1667.

--

Go to the DTC first

Go to Step 3

3

  1. Connect a fuel pressure gauge.
  2. Turn ON the ignition switch.
  3. Select FP Relay output control with the scan tool.
  4. Observe the pressure gauge while turning the fuel pump ON with the scan tool.

Is fuel pressure indicated at the specified value?

333-376 kPa (48-55 psi)

Go to Step 4

Go to Step 5

4

Important:: If the engine cranks but will not run, continue with Engine Cranks but Does Not Run .

  1. Start the engine.
  2. Select FP Speed output control with the scan tool.
  3. Observe the pressure gauge while using the scan tool to switch fuel pump speed between normal and high.

Does the fuel pressure increase slightly when high fuel pump speed is selected?

--

System OK

Go to Step 31

5

  1. Turn OFF the ignition switch.
  2. Disconnect the fuel pump control module.
  3. Connect a fused jumper between fuel pump control module harness connector terminal 6 (fuel pump feed circuit) and B+.
  4. Connect a second jumper between fuel pump control module harness terminal 5 (fuel pump ground circuit) and chassis ground.
  5. Observe the fuel pressure gage.

Is fuel pressure indicated at the specified value?

333-376 kPa (48-55 psi)

Go to Step 6

Go to Step 26

6

  1. Disconnect the jumpers from the fuel pump control module connector
  2. Connect a test lamp between fuel pump control module harness connector terminal 8 (fuel pump control module feed circuit) and chassis ground.
  3. Turn ON the ignition switch.
  4. Using the scan tool output controls function, command the fuel pump relay ON.
  5. Observe the test lamp.

Is the test lamp ON?

--

Go to Step 7

Go to Step 13

7

Probe terminal 4 (fuel pump control module ground circuit) with a test lamp to B+.

Is the test lamp ON?

--

Go to Step 8

Go to Step 25

8

  1. Turn OFF the ignition switch.
  2. Disconnect the PCM.
  3. Probe the fuel pump speed control PWM circuit at the PCM connector with a test lamp to B+.

Is the test lamp ON?

--

Go to Step 9

Go to Step 10

9

Locate and repair short to ground in the fuel pump speed control PWM circuit. Refer to Wiring Repairs .

Is action complete?

--

Go to Step 39

--

10

  1. Turn OFF the ignition switch.
  2. Reconnect the PCM.
  3. Turn ON the ignition switch.
  4. Install a DVM to measure voltage between fuel pump control module connector terminal 7 (fuel pump speed control PWM circuit) and terminal 4 (ground).
  5. Using the scan tool relay output tests function, command the FP Relay ON and OFF.

Does the voltage measure greater than the specified value while the fuel pump relay is commanded ON?

8V

Go to Step 11

Go to Step 38

11

  1. Turn OFF the ignition switch.
  2. Reconnect the fuel pump control module electrical connector.
  3. Turn ON the ignition switch.
  4. Using a test lamp, backprobe between fuel pump control module connector terminal 6 (fuel pump feed circuit) and terminal 5 (fuel pump ground circuit.)
  5. Using the scan tool relay output tests function, command the FP Relay ON and OFF while observing the test lamp.

Is the test lamp ON while the fuel pump relay is commanded ON?

--

Go to Step 12

Go to Step 34

12

  1. Check for poor connections at the fuel pump control module.
  2. If a problem is found, replace loose terminals as necessary. Refer to Repairing Connector Terminals .

Was a problem found?

--

Go to Step 39

Go to Diagnostic Aids

13

  1. Turn OFF the ignition switch.
  2. Disconnect the fuel pump relay.
  3. Turn ON the ignition switch.
  4. Probe the fuel pump relay ignition feed circuit (terminal 87) with a test lamp to ground.

Is the test lamp ON?

--

Go to Step 14

Go to Step 19

14

Connect the test lamp between the fuel pump relay feed circuit (terminal 87) and the fuel pump relay ground circuit (terminal 86)

Is the test lamp ON?

--

Go to Step 15

Go to Step 20

15

  1. Connect the test lamp between the fuel pump relay control circuit (terminal 85) and the fuel pump relay ground circuit (terminal 86)
  2. Using the scan tool output controls function, command the fuel pump relay ON while observing the test lamp.

Is the test lamp ON with the fuel pump relay commanded ON?

--

Go to Step 16

Go to Step 21

16

  1. Connect a jumper between the fuel pump relay feed circuit (terminal 87) and the fuel pump control module feed circuit (terminal 30).
  2. Probe the fuel pump control module feed circuit at the fuel pump control module harness connector (terminal 8) with a test lamp to ground

Is the test lamp ON?

--

Go to Step 17

Go to Step 24

17

  1. Check for a loose terminal connection at the fuel pump relay.
  2. If a problem is found, replace terminals as necessary. Refer to Repairing Connector Terminals .

Is action complete?

--

Go to Step 39

Go to Step 18

18

Replace the fuel pump relay. Refer to Fuel Pump Relay Replacement .

Is action complete?

--

Go to Step 39

--

19

Locate and repair open in fuel pump relay feed circuit. Refer to Wiring Repairs .

Is action complete?

--

Go to Step 39

--

20

Locate and repair open in fuel pump relay ground circuit. Refer to Wiring Repairs .

Is action complete?

--

Go to Step 39

--

21

  1. Turn OFF the ignition switch.
  2. Disconnect the PCM.
  3. Probe the fuel pump relay control circuit at the PCM connector with a test lamp to B+.

Is the test lamp ON?

--

Go to Step 22

Go to Step 23

22

Locate and repair short to ground in the fuel pump relay control circuit. Refer to Wiring Repairs .

Is action complete?

--

Go to Step 39

--

23

  1. Check for the following conditions:
  2. • Fuel pump relay control circuit for an open between the fuel pump relay and the PCM.
    • Fuel pump relay control circuit for a poor terminal connection at the PCM.
  3. If a problem is found, repair as necessary. Refer to Repairing Connector Terminals .

Was a problem found?

--

Go to Step 39

Go to Step 38

24

Locate and repair open in fuel pump control module feed circuit. Refer to Wiring Repairs .

Is action complete?

--

Go to Step 39

--

25

Locate and repair open in fuel pump control module ground circuit. Refer to Wiring Repairs .

Is action complete?

--

Go to Step 39

--

26

Remove the fuel filler cap and listen for the fuel pump running.

Is the fuel pump running?

--

Go to Fuel System Pressure Test (VIN 1)

Go to Step 27

27

  1. Raise the vehicle (leave the fuel pump feed circuit jumpered to B+ and the fuel pump ground circuit jumpered to ground).
  2. Disconnect the modular fuel sender electrical connector at the fuel tank.
  3. Connect a test lamp between the fuel pump feed circuit and the fuel pump ground circuit at the modular fuel sender harness connector.

Is the test lamp ON?

--

Go to Step 36

Go to Step 28

28

Probe the fuel pump feed circuit at the modular fuel sender harness connector with a test lamp to chassis ground.

Is the test lamp ON?

--

Go to Step 30

Go to Step 29

29

Locate and repair open in the fuel pump feed circuit. Refer to Wiring Repairs .

Is action complete?

--

Go to Step 39

--

30

Locate and repair open in the fuel pump ground circuit. Refer to Wiring Repairs .

Is action complete?

--

Go to Step 39

--

31

  1. Using a test lamp, backprobe between fuel pump control module terminal 7 (Fuel pump speed control PWM circuit) and terminal 8 (Fuel pump control module feed circuit).
  2. Engine idling, select FP Speed output control with the scan tool.
  3. Observe the test lamp while switching FP Speed between normal and high.

Is the test lamp ON with Normal selected and OFF with High selected?

--

Go to Step 32

Go to Step 33

32

  1. Using a DMM, backprobe between fuel pump control module terminal 5 (fuel pump ground circuit) and terminal 6 (fuel pump feed circuit).
  2. Engine idling, select FP Speed output control with the scan tool.
  3. Observe the voltage on the DMM while switching FP Speed between normal and high:
  4. • Normal speed voltage is the first value shown.
    • High speed voltage is the second value shown.

Does the voltage measure near the specified values?

8V

B+

Go to Step 36

Go to Step 34

33

  1. Check for the following conditions:
  2. • Fuel pump speed control PWM circuit for an open or short to voltage between the fuel pump control module and the PCM.
    • Fuel pump speed control PWM circuit for a poor terminal connection at the PCM.
  3. If a problem is found, repair as necessary. Refer to Wiring Repairs .

Was a problem found?

--

Go to Step 39

Go to Step 38

34

  1. Check terminal connections at the fuel pump control module.
  2. If a problem is found, replace loose terminals as necessary. Refer to Repairing Connector Terminals .

Was a problem found?

--

Go to Step 39

Go to Step 35

35

Replace the fuel pump control module. Refer to Fuel Pump Control Module Replacement .

Is action complete?

--

Go to Step 39

--

36

  1. Check terminal connections at the fuel pump.
  2. If a problem is found, replace loose terminals as necessary. Refer to Repairing Connector Terminals .

Was a problem found?

--

Go to Step 39

Go to Step 37

37

Replace the fuel pump. Refer to Fuel Sender Assembly Service

Is action complete?

--

Go to Step 39

--

38

Important: : Replacement PCM must be programmed.

Replace the PCM.

Refer to Powertrain Control Module Replacement/Programming .

Is action complete?

--

Go to Step 39

--

39

  1. Turn ON the ignition switch, select FP Relay output control with the scan tool.
  2. Observe the fuel pressure gauge while turning the fuel pump ON with the scan tool.

Is fuel pressure indicated at the specified value?

333-376 kPa (48-55 psi)

Go to Step 40

Go to Step 5

40

  1. Engine idling, select FP Speed output control with the scan tool.
  2. Observe the pressure gauge while using the scan tool to switch fuel pump speed between normal and high.

Does the fuel pressure increase slightly when high fuel pump speed is selected?

--

System OK

Go to Step 31

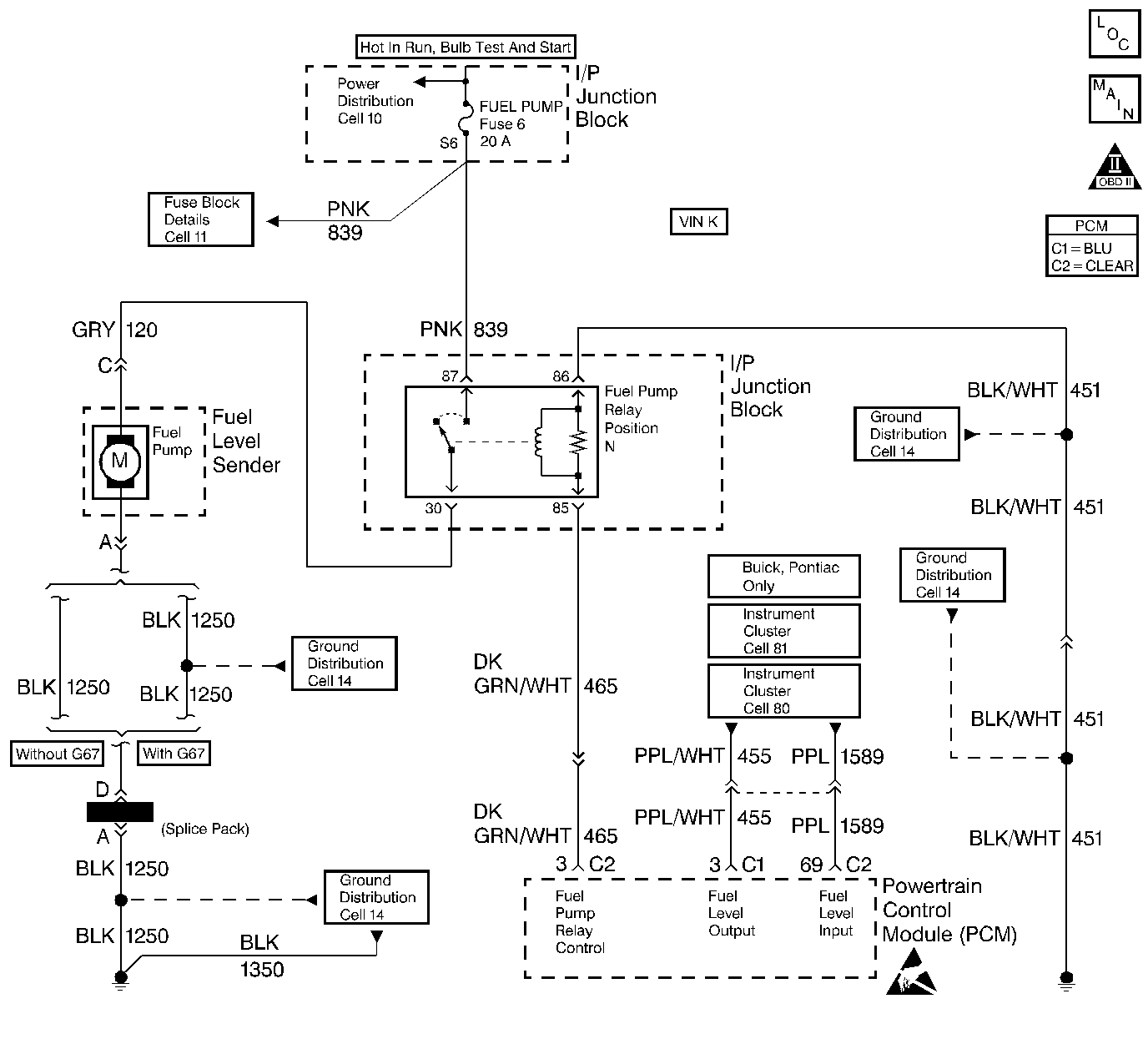
Fuel Pump Electrical Circuit Diagnosis VIN K


Object Number: 195790  Size: LF
Engine Controls Components
Cell 20: Fuel Control (VIN K)
OBD II Symbol Description Notice

Circuit Description

When the ignition switch is first turned ON, the PCM energizes the fuel pump relay which applies battery positive voltage to the in-tank fuel pump. The fuel pump relay will remain ON as long as the engine is running or cranking and the PCM is receiving reference pulses. If no reference pulses are present, the PCM de-energizes the fuel pump relay within 2 seconds after the ignition is turned ON or the engine is stopped.

The fuel pump delivers fuel to the fuel rail and injectors, then to the fuel pressure regulator. The fuel pressure regulator controls fuel pressure by allowing excess fuel to be returned to the fuel tank. With the engine stopped, the fuel pump can be turned ON by using the scan tool device controls function.

Diagnostic Aids

An intermittent may be caused by a poor connection, rubbed through wire insulation or a wire broken inside the insulation. Check for the following items:

Poor connection or damaged harness

Inspect the PCM harness and connectors for improper mating, broken locks, improperly formed or damaged terminals, poor terminal to wire connection, and damaged harness.

Test Description

Numbers below refer to the Step numbers on the Diagnostic Table:

  1. Verifies that the fuel pump feed circuit is OK between the fuel pump relay and the fuel pump, and that the fuel pump can deliver adequate pressure to the fuel rail.

  2. Checks the ignition feed circuit to the fuel pump relay.

  3. Ensures that the fuel pump relay control circuit and the PCM are capable of controlling the fuel pump relay.

  4. Checks the fuel pump control circuit for a short to ground.

  5. Checks the fuel pump control circuit for an open.

  6. If the fuel pump is operating but incorrect pressure is observed, the fuel pump wiring is OK and the Fuel System Pressure Test should be used for diagnosis.

  7. Checks the fuel pump feed circuit between the fuel pump relay and the fuel pump. Also checks the fuel pump ground circuit.

  8. Determines whether the problem is being caused by an open in the fuel pump feed circuit or the fuel pump ground circuit.

  9. This vehicle is equipped with a PCM which utilizes an Electrically Erasable Programmable Read Only Memory (EEPROM). When the PCM is being replaced, the new PCM must be programmed.

Fuel System Electrical Test (VIN K)

Step

Action

Values

Yes

No

1

Was the Powertrain On-Board Diagnostic (OBD) System Check performed?

--

Go to Step 2

Go to Powertrain On Board Diagnostic (OBD) System Check

2

  1. Turn OFF the ignition switch.
  2. Connect a fuel pressure gauge.
  3. Disconnect the fuel pump relay.
  4. Connect a fused jumper between the fuel pump feed circuit at the fuel pump relay connector and B+.
  5. Observe the fuel pressure.

Is fuel pressure indicated at the specified value?

333-376 kPa

(48-55 psi)

Go to Step 3

Go to Step 10

3

  1. Disconnect the jumper from the fuel pump relay connector.
  2. Connect a test lamp between fuel pump relay connector cavities for the ignition feed circuit and the ground circuit.
  3. Turn ON the ignition switch.
  4. Observe the test lamp.

Is the test lamp ON?

--

Go to Step 4

Go to Step 9

4

  1. Turn OFF the ignition switch.
  2. Connect a test lamp between fuel pump relay connector cavities for the fuel pump relay control circuit and the ground circuit.
  3. Observe the test lamp while turning ON the ignition switch.

Did the test lamp turn ON for approximately 2 seconds?

--

Go to Step 8

Go to Step 5

5

  1. Turn OFF the ignition switch.
  2. Disconnect the PCM.
  3. Probe the fuel pump relay control circuit at the PCM connector with a test lamp to B+.

Is the test lamp ON?

--

Go to Step 15

Go to Step 6

6

  1. Check for continuity in the fuel pump relay control circuit between the PCM and the fuel pump relay.
  2. If a problem is found, repair as necessary. Refer to Wiring Repairs in Wiring Systems.

Was a problem found?

--

Go to Step 21

Go to Step 7

7

  1. Check the fuel pump relay control circuit for a poor terminal connection at the PCM.
  2. If a problem is found, repair as necessary. Refer to Repairing Connector Terminals in Wiring Systems.

Was a problem found?

--

Go to Step 21

Go to Step 20

8

  1. Check for a poor terminal connection at the fuel pump relay.
  2. If a problem is found, repair as necessary. Refer to Repairing Connector Terminals in Wiring Systems.

Was a problem found?

--

Go to Step 21

Go to Step 18

9

Probe the ignition feed circuit at the fuel pump relay connector with a test lamp to ground.

Is the test lamp ON?

--

Go to Step 17

Go to Step 16

10

Remove the fuel filler cap and listen for the fuel pump running.

Is the fuel pump running?

--

Go to Fuel System Pressure Test (VIN K)

Go to Step 11

11

  1. Raise the vehicle (leave the fuel pump feed circuit jumped to B+).
  2. Disconnect the modular fuel sender electrical connector at the fuel tank.
  3. Connect a test lamp between the fuel pump feed circuit and the fuel pump ground circuit at the modular fuel sender harness connector.

Is the test lamp ON?

--

Go to Step 19

Go to Step 12

12

Probe the fuel pump feed circuit at the modular fuel sender harness connector with a test lamp to chassis ground.

Is the test lamp ON?

--

Go to Step 14

Go to Step 13

13

Locate and repair open in the fuel pump feed circuit. Refer to Wiring Repairs in Wiring Systems.

Is action complete?

--

Go to Step 21

--

14

Locate and repair open in the fuel pump ground circuit. Refer to Wiring Repairs in Wiring Systems.

Is action complete?

--

Go to Step 21

--

15

Locate and repair short to ground in the fuel pump relay control circuit. Refer to Wiring Repairs in Wiring Systems.

Is action complete?

--

Go to Step 21

--

16

Locate and repair open in ignition feed to the fuel pump relay. Refer to Wiring Repairs in Wiring Systems.

Is action complete?

--

Go to Step 21

--

17

Locate and repair open in ground circuit to the fuel pump relay. Refer to Wiring Repairs in Wiring Systems.

Is action complete?

--

Go to Step 21

--

18

Replace the fuel pump relay. Refer to Fuel Pump Relay Replacement .

Is action complete?

--

Go to Step 21

--

19

Replace the fuel pump. Refer to Fuel Sender Assembly Service .

Is action complete?

--

Go to Step 21

--

20

Important: : Replacement PCM must be programmed.

Replace the PCM

Refer to Powertrain Control Module Replacement/Programming .

Is action complete?

--

Go to Step 21

--

21

  1. Turn ON the ignition switch.
  2. Select FP Relay output control with the scan tool.
  3. Observe the fuel pressure gauge while turning the fuel pump ON with the scan tool.

Is fuel pressure indicated at the specified value?

333-376 kPa

(48-55 psi)

System OK

Go to Step 2