GM Service Manual Online
For 1990-2009 cars only
Makes
🢒
Oldsmobile
🢒
1998
🢒
LSS
🢒
Body and Accessories
🢒
Keyless Entry
🢒 Keyless Entry Schematics
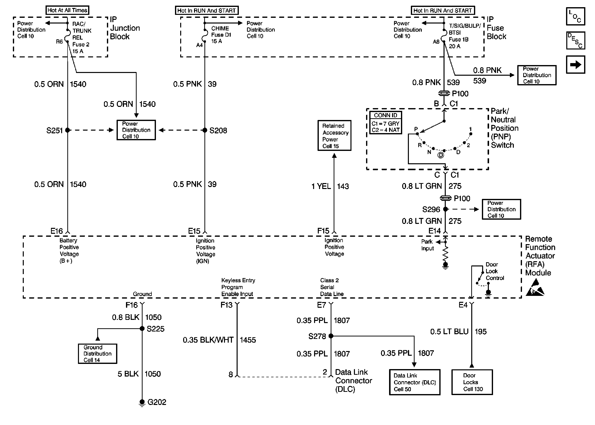
Cell 132: RFA Power, Ground and DLC
Keyless Entry Components
Keyless Entry System Description
Cell 132: RFA Inputs and Outputs
Handling ESD Sensitive Parts Notice
Power Distribution Schematics
Power Distribution Schematics
Body Control System Schematics
Data Link Connector Schematics
Retained Accessory Power (RAP) Schematics Pontiac/Oldsmobile
Power Distribution Schematics
Power Distribution Schematics
Ground Distribution Schematics
Power Distribution Schematics
Power Distribution Schematics
Keyless Entry Connector End Views
Cell 132: RFA Inputs and Outputs
Keyless Entry Components
Keyless Entry System Description
Cell 132: RFA Power, Ground and DLC
Handling ESD Sensitive Parts Notice
Exterior Lights Schematics Buick
Retained Accessory Power (RAP) Schematics Pontiac/Oldsmobile
Exterior Lights Schematics Buick
Interior Lights Schematics Buick
Release Systems Schematics
Keyless Entry Schematic References
Horn Schematics
Exterior Lights Schematics Buick
Audible Warnings Schematics
Theft Deterrent System Schematics
Door Lock/Indicator Schematics