GM Service Manual Online
For 1990-2009 cars only
Makes
🢒
Oldsmobile
🢒
1998
🢒
LSS
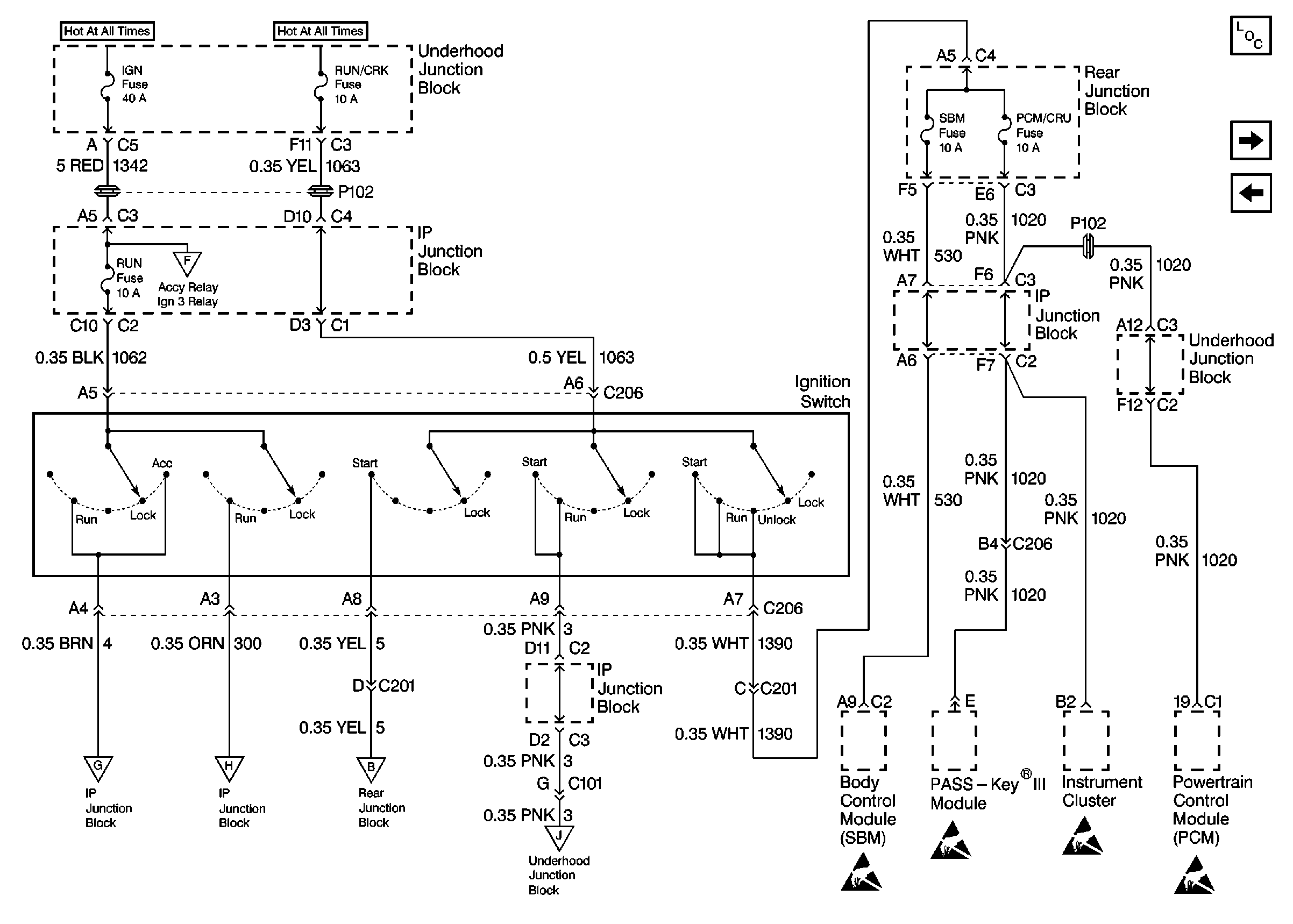
🢒 Cell 10: IGN, RUN/CRK, RUN, SBM, and PCM/CRU Fuses
Cell 10: IGN, RUN/CRK, RUN, SBM, and PCM/CRU Fuses
Cell 10: IGN, RUN/CRK, RUN, SBM, and PCM/CRU Fuses
Power and Grounding Components
Cell 10: CRK and THEFT Fuses
Cell 10: Battery Power Circuits to Fuse Blocks (2 of 2)
Cell 10: WSW, WSW/RFA, HUD, ELC, CR CONT, A/C and HVAC Fuses
Cell 10: WSW, WSW/RFA, HUD, ELC, CR CONT, A/C and HVAC Fuses
Cell 10: WSW, WSW/RFA, HUD, ELC, CR CONT, A/C and HVAC Fuses
Cell 10: CRK and THEFT Fuses
Cell 10: F/PMP, IGN Relay and F/PUMP Fuse
Handling ESD Sensitive Parts Notice
Handling ESD Sensitive Parts Notice
Handling ESD Sensitive Parts Notice
Handling ESD Sensitive Parts Notice