GM Service Manual Online
For 1990-2009 cars only
Makes
🢒
Oldsmobile
🢒
1998
🢒
LSS
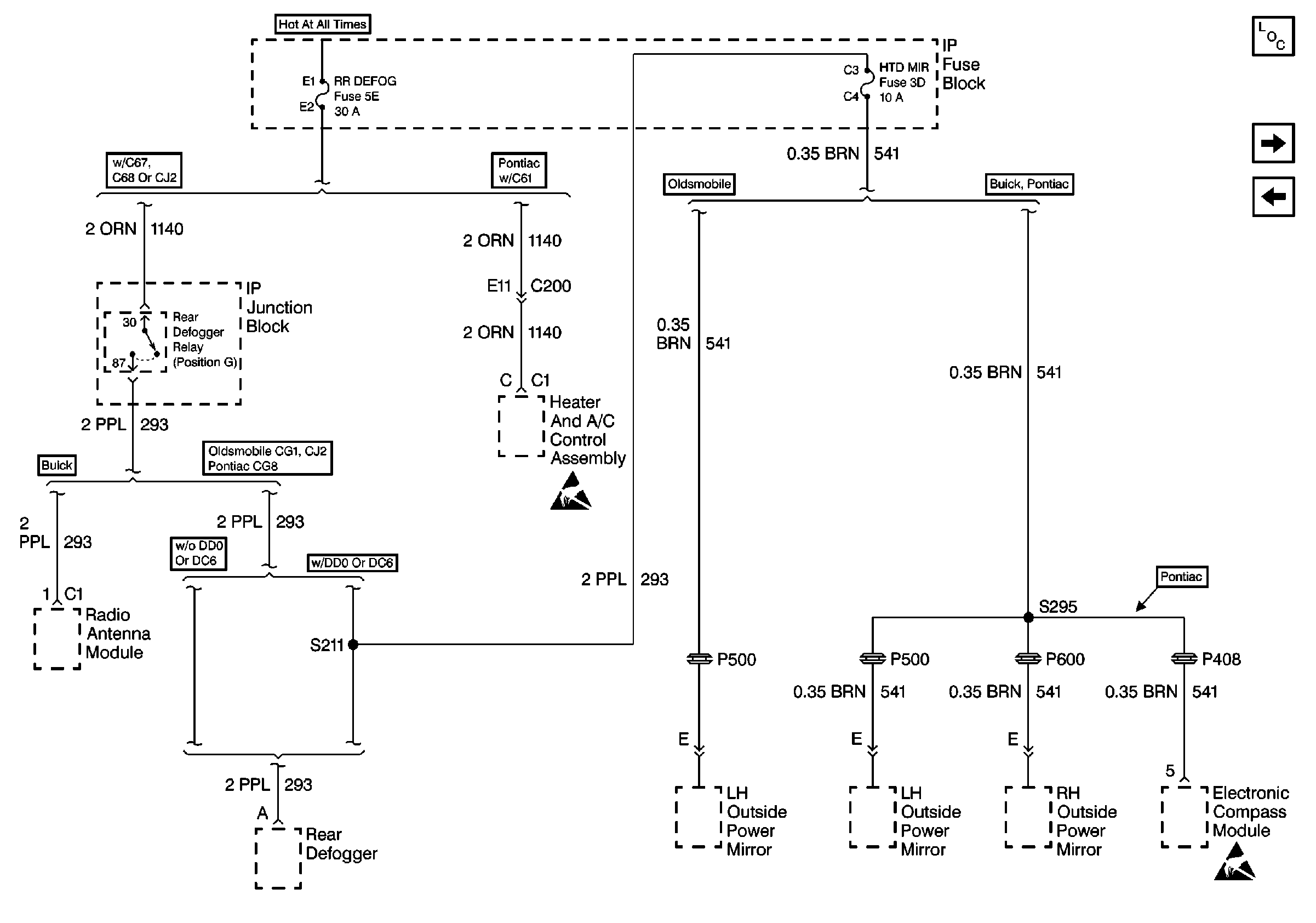
🢒 Cell 10: RR DEFOG and HTD MIR Fuses
Cell 10: RR DEFOG and HTD MIR Fuses
Cell 10: RR DEFOG and HTD MIR Fuses
Power and Grounding Components
Cell 10: PWR STS and PWR SUNRF Circuit Breakers
Cell 10: AUTO A/C CRUISE Fuse
Handling ESD Sensitive Parts Notice
Handling ESD Sensitive Parts Notice