GM Service Manual Online
For 1990-2009 cars only
Figure 1:

Grounds, Serial Data


Object Number: 22622  Size: FS
Engine Controls Components
Data Link Connector Diagnosis
MIL Control
OBD II Symbol Description Notice
Handling ESD Sensitive Parts Notice
Figure 2:

MIL Control


Object Number: 22624  Size: FS
Engine Controls Components
Malfunction Indicator Lamp (MIL) Inoperative
Ignition Control Module
OBD II Symbol Description Notice
Grounds, Serial Data
Handling ESD Sensitive Parts Notice
Handling ESD Sensitive Parts Notice
Handling ESD Sensitive Parts Notice
Handling ESD Sensitive Parts Notice
Figure 3:

VIN 1 Fuel Control


Object Number: 22628  Size: FS
Fuel Injectors
Engine Controls Components
Fuel Pump Electrical Circuit Diagnosis VIN 1
OBD II Symbol Description Notice
VIN K Fuel Conrol
Handling ESD Sensitive Parts Notice
Figure 4:

VIN K Fuel Conrol


Object Number: 22627  Size: FS
Engine Controls Components
Fuel Pump Electrical Circuit Diagnosis VIN K
VIN 1 Fuel Control
OBD II Symbol Description Notice
Ignition Control Module
Handling ESD Sensitive Parts Notice
Figure 5:

Ignition Control Module


Object Number: 22625  Size: FS
VIN K Fuel Conrol
OBD II Symbol Description Notice
MIL Control
Handling ESD Sensitive Parts Notice
Handling ESD Sensitive Parts Notice
Handling ESD Sensitive Parts Notice
Figure 6:

Fuel Injectors


Object Number: 22630  Size: FS
A/C Presure, Fuel Tank Pressure, TP, MAP, IAT, ECT Sensors
Engine Controls Components
Fuel System Diagnosis
OBD II Symbol Description Notice
VIN 1 Fuel Control
Handling ESD Sensitive Parts Notice
Figure 7:

A/C Presure,Fuel Tank Presure, TP, MAP, IAT, ECT Sensors


Object Number: 22631  Size: FS
EGR Valve, EVAP System
Engine Controls Components
Information Sensors
OBD II Symbol Description Notice
Fuel Injectors
Handling ESD Sensitive Parts Notice
Handling ESD Sensitive Parts Notice
Figure 8:

EGR Valve, EVAP System


Object Number: 22740  Size: FS
MAF, IAC, Knock Sensors
Engine Controls Components
Information Sensors
OBD II Symbol Description Notice
A/C Presure, Fuel Tank Pressure, TP, MAP, IAT, ECT Sensors
Handling ESD Sensitive Parts Notice
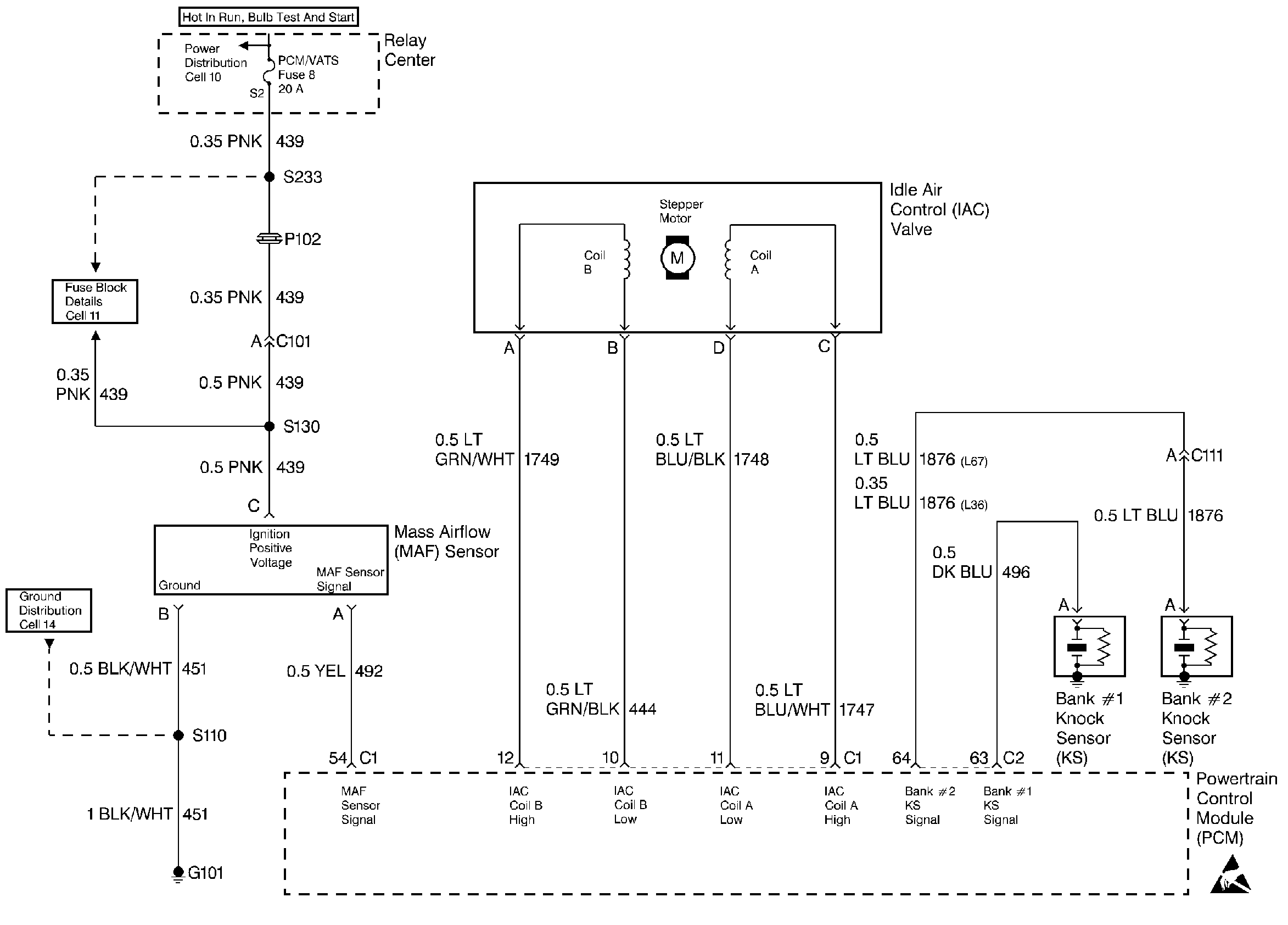
Figure 9:

MAF, IAC, Knock Sensors


Object Number: 22636  Size: FS
HO2S Sensors
Engine Controls Components
Information Sensors
OBD II Symbol Description Notice
EGR Valve, EVAP System
Handling ESD Sensitive Parts Notice
Figure 10:

HO2S Sensors


Object Number: 22640  Size: FS
VSS, Cruise Control Module
Engine Controls Components
Information Sensors
OBD II Symbol Description Notice
MAF, IAC, Knock Sensors
Handling ESD Sensitive Parts Notice
Figure 11:

VSS, Cruise Control Module


Object Number: 22643  Size: FS
Trans Range, PNP Switch
Engine Controls Components
DTC P1554 Cruise Control Feedback Circuit
OBD II Symbol Description Notice
HO2S Sensors
Handling ESD Sensitive Parts Notice
Handling ESD Sensitive Parts Notice
Figure 12:

Trans Range, PNP Switch


Object Number: 22645  Size: FS
TCC Brake Switch, TCC Solenoid
Engine Controls Components
Information Sensors
OBD II Symbol Description Notice
VSS, Cruise Control Module
Handling ESD Sensitive Parts Notice
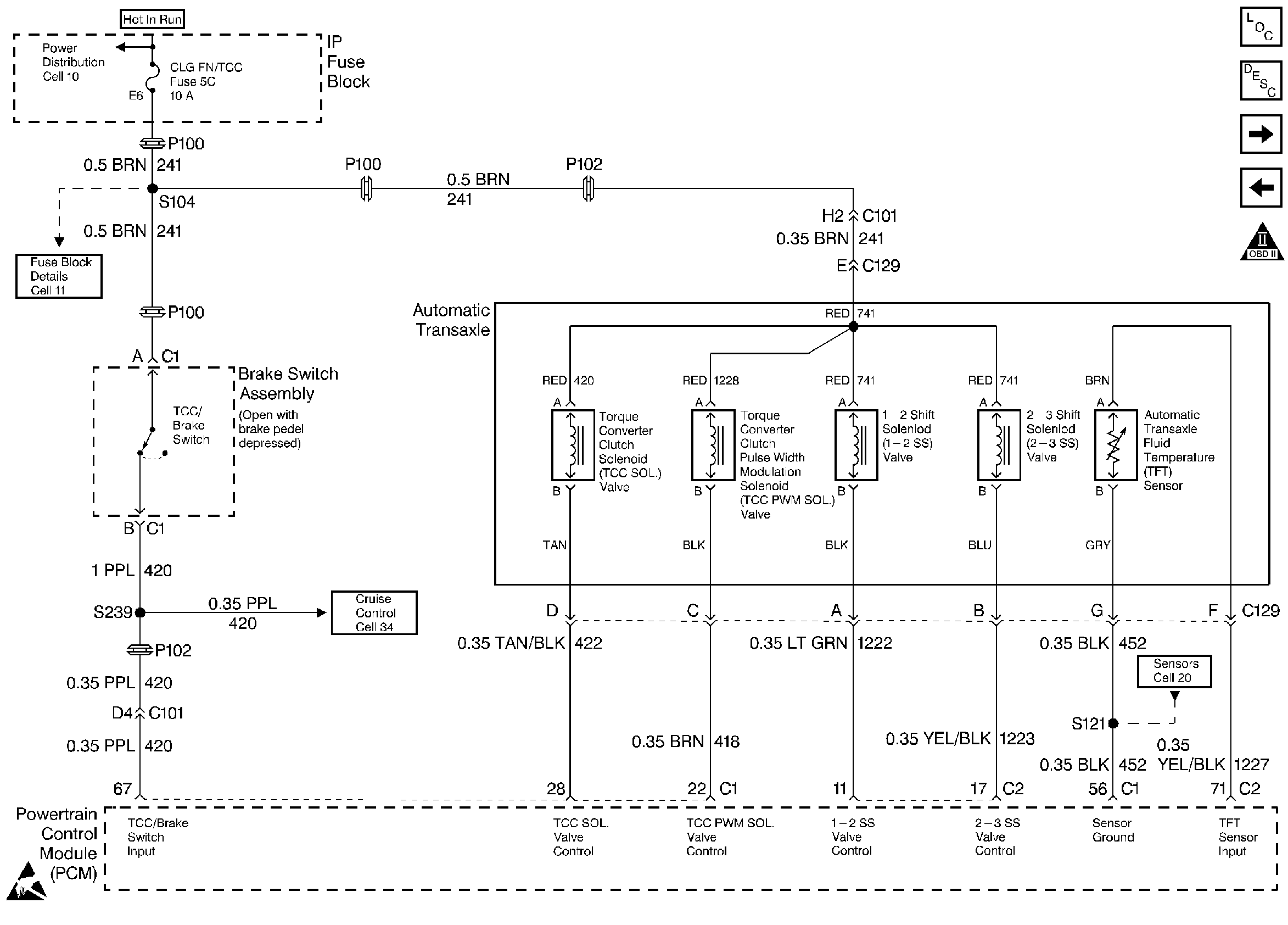
Figure 13:

TCC Brake Switch, TCC Solenoid


Object Number: 22650  Size: FS
Engine Oil Life Reset, Engine Oil Life Level Sensor
Engine Controls Components
Information Sensors
OBD II Symbol Description Notice
Trans Range, PNP Switch
Handling ESD Sensitive Parts Notice
Figure 14:

Engine Oil Life Reset, Engine Oil Life Level Sensor


Object Number: 22652  Size: FS
Gen Control, Volts Lamp, Shift Select Switch, EBTCM Module
Engine Controls Components
Information Sensors
OBD II Symbol Description Notice
TCC Brake Switch, TCC Solenoid
Handling ESD Sensitive Parts Notice
Figure 15:

Gen Control,Volts Lamp, Shift Select Switch, EBTCM Module


Object Number: 22654  Size: FS
HAVOC Control
Engine Controls Components
Information Sensors
Engine Oil Life Reset, Engine Oil Life Level Sensor
OBD II Symbol Description Notice
Handling ESD Sensitive Parts Notice
Handling ESD Sensitive Parts Notice
Figure 16:

HVAC Control


Object Number: 22656  Size: FS
HAVOC Programmer
Engine Controls Components
Powertrain Control Module Controlled Air Conditioning (A/C) Circuit Diagnosis
Gen Control, Volts Lamp, Shift Select Switch, EBTCM Module
OBD II Symbol Description Notice
Handling ESD Sensitive Parts Notice
Figure 17:

HVAC Programmer


Object Number: 22658  Size: FS
Cooling Fans
Engine Controls Components
Powertrain Control Module Controlled Air Conditioning (A/C) Circuit Diagnosis
HAVOC Control
OBD II Symbol Description Notice
Handling ESD Sensitive Parts Notice
Figure 18:

Cooling Fans


Object Number: 22660  Size: FS
HAVOC Programmer
Engine Controls Components
Electric Cooling Fan Diagnosis
OBD II Symbol Description Notice
Handling ESD Sensitive Parts Notice